Запчасти Volvo VB 78 ETC 14224 Vibrator for extendable screed VB 78 ETC ATT. SCREED 2,5 - 9,0 M ABG5820/6820/7820/7820B

Схема запчастей Volvo VB 78 ETC - 14224 Vibrator for extendable screed VB 78 ETC ATT. SCREED 2,5 - 9,0 M ABG5820/6820/7820/7820B
FIT
1:1
100%

Артикул

Название

Примечание

Количество

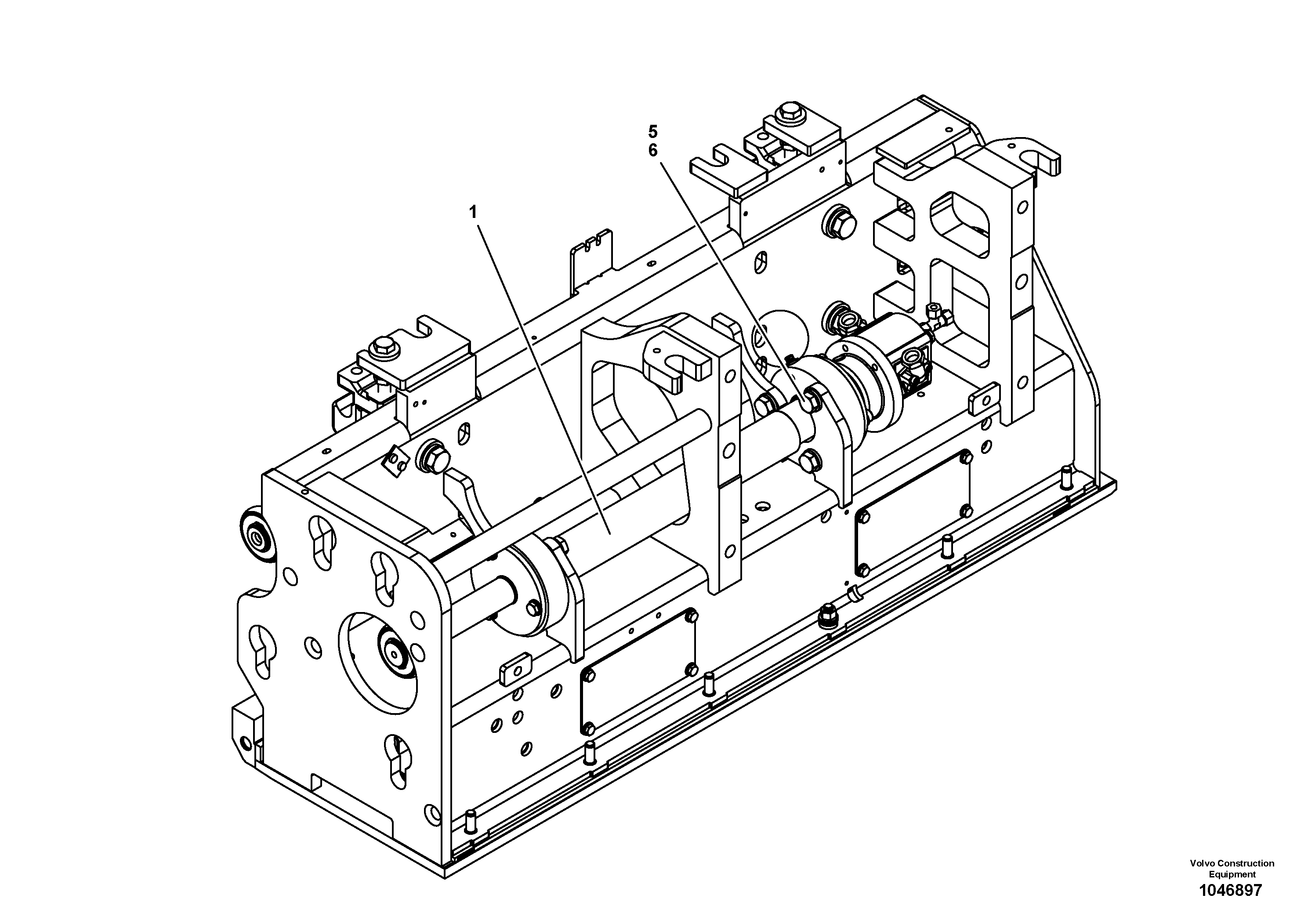
1

RM 56294184

Eccentric Shaft

RH

1шт.

1

RM 56294192

Eccentric Shaft

LH

1шт.

5

RM 14261028

Стопорная шайба (кольцо)

1шт.

5

RM 14261028

Стопорная шайба (кольцо)

1шт.

6

RM 96722236

Винт шестигранник

1шт.

6

RM 96722236

Винт шестигранник

1шт.

Выбрано товаров: 0