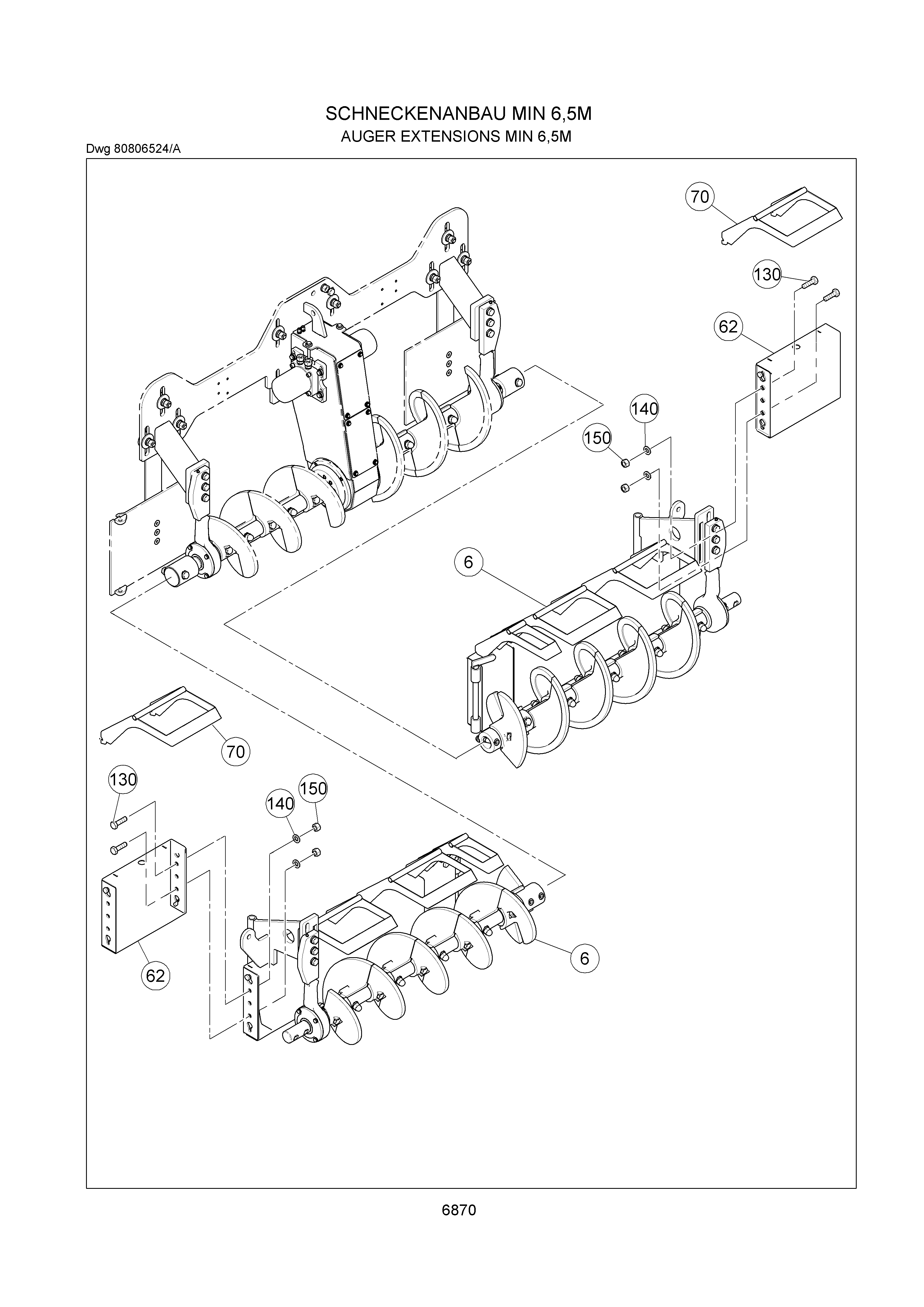
Запчасти Volvo VB 78 ETC 79479 Auger extensions VB 78 ETC ATT. SCREED 2,5 - 9,0 M ABG5770, ABG5870, ABG6870

Схема запчастей Volvo VB 78 ETC - 79479 Auger extensions VB 78 ETC ATT. SCREED 2,5 - 9,0 M ABG5770, ABG5870, ABG6870
FIT
1:1
100%

Артикул

Название

Примечание

Количество

130

RM 96722236

Винт шестигранник

1шт.

130

RM 96722236

Винт шестигранник

1шт.

140

RM 14261028

Стопорная шайба (кольцо)

1шт.

140

RM 14261028

Стопорная шайба (кольцо)

1шт.

150

RM 96719182

Hexagon nut

1шт.

150

RM 96719182

Hexagon nut

1шт.

38

RM 13927991

Auger

LH, 580, S/N 51 - 19924

1шт.

39

RM 13928007

Auger

RH, 580, S/N 51 - 19924

1шт.

6

RM 80806516

Auger

5,5 M

1шт.

62

RM 80804958

Support Plate

450

1шт.

70

RM 56264542

Protecting grating

320

1шт.

Выбрано товаров: 0