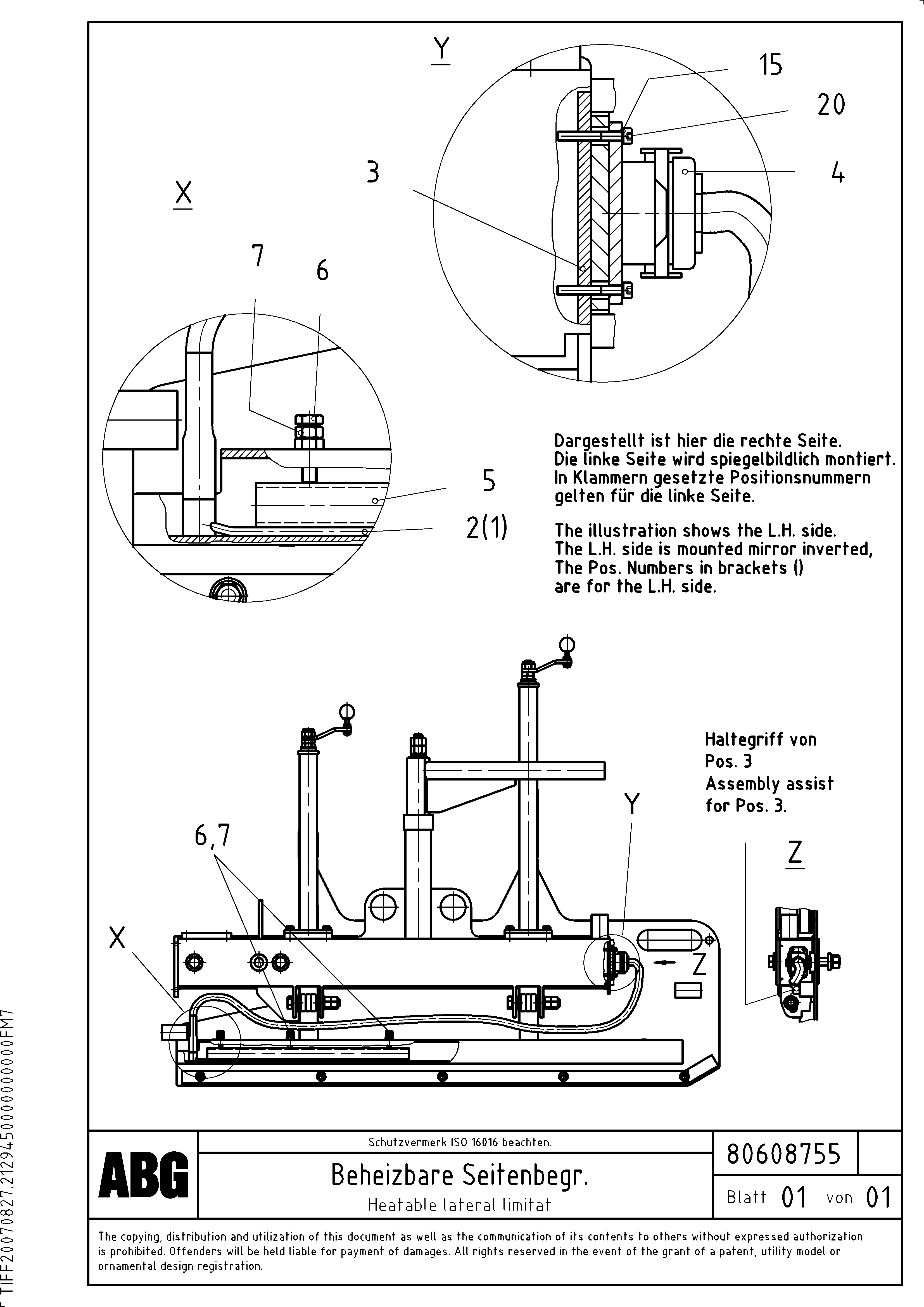
Запчасти Volvo VB 78 ETC 79284 Heatable lateral limitation VB 78 ETC ATT. SCREED 2,5 - 9,0 M ABG5770, ABG5870, ABG6870

Схема запчастей Volvo VB 78 ETC - 79284 Heatable lateral limitation VB 78 ETC ATT. SCREED 2,5 - 9,0 M ABG5770, ABG5870, ABG6870
FIT
1:1
100%

Артикул

Название

Примечание

Количество

1

RM 80608573

Heater

1шт.

15

RM 13923974

Стопорная шайба (кольцо)

1шт.

15

RM 13923974

Стопорная шайба (кольцо)

1шт.

2

RM 80608581

Heating Pipe

S/N 15064 -

1шт.

2

RM 80608581

Heating Pipe

S/N 51 - 15063

1шт.

20

RM 96713557

Винт шестигранник (торцевой ключ)

1шт.

3

RM 80635287

Пластина

1шт.

4

RM 54522537

Картер (корпус)

1шт.

5

RM 80609076

Square Tube

1шт.

6

RM 96713342

Винт шестигранник

1шт.

6

RM 96713342

Винт шестигранник

1шт.

7

RM 96712807

Hexagon nut

1шт.

7

RM 96712807

Hexagon nut

1шт.

Выбрано товаров: 0