Запчасти Volvo VB 79 ETC 76193 Heatable lateral limitation VB 79 ETC ATT. SCREEDS 2,5 - 9,0M ABG8820, ABG8820B

Схема запчастей Volvo VB 79 ETC - 76193 Heatable lateral limitation VB 79 ETC ATT. SCREEDS 2,5 - 9,0M ABG8820, ABG8820B
FIT
1:1
100%

Артикул

Название

Примечание

Количество

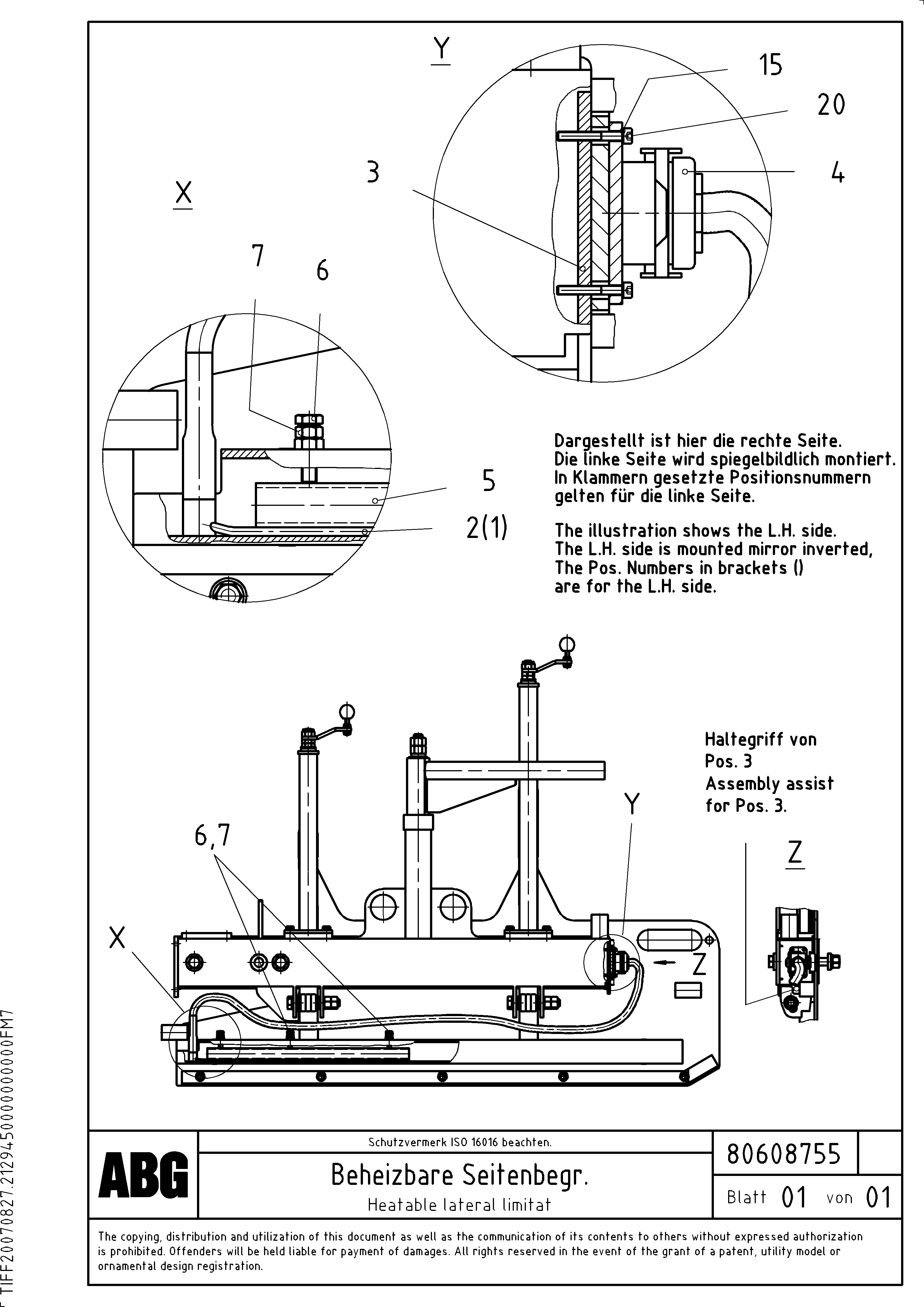
1

RM 80633217

Heating Pipe

S/N 14785 -

1шт.

1

RM 56296601

Thermo Element

S/N 51 - 14784

1шт.

1

RM 80608573

Heater

LH

1шт.

15

RM 13923974

Стопорная шайба (кольцо)

1шт.

15

RM 13923974

Стопорная шайба (кольцо)

1шт.

2

RM 80608581

Heating Pipe

S/N 51 - 15063, RH

1шт.

2

RM 80608581

Heating Pipe

S/N 15064 -, RH

1шт.

20

RM 96713557

Винт шестигранник (торцевой ключ)

1шт.

3

RM 80635287

Пластина

1шт.

4

RM 54522537

Картер (корпус)

1шт.

5

RM 80609076

Square Tube

1шт.

6

RM 96713342

Винт шестигранник

1шт.

6

RM 96713342

Винт шестигранник

1шт.

7

RM 96712807

Hexagon nut

1шт.

7

RM 96712807

Hexagon nut

1шт.

Выбрано товаров: 0