Запчасти Volvo VB 89 ETC 70279 Lubrication for extension VB 89 ETC ATT. SCREEDS 3,0 - 9,0M ABG9820

Схема запчастей Volvo VB 89 ETC - 70279 Lubrication for extension VB 89 ETC ATT. SCREEDS 3,0 - 9,0M ABG9820
FIT
1:1
100%

Артикул

Название

Примечание

Количество

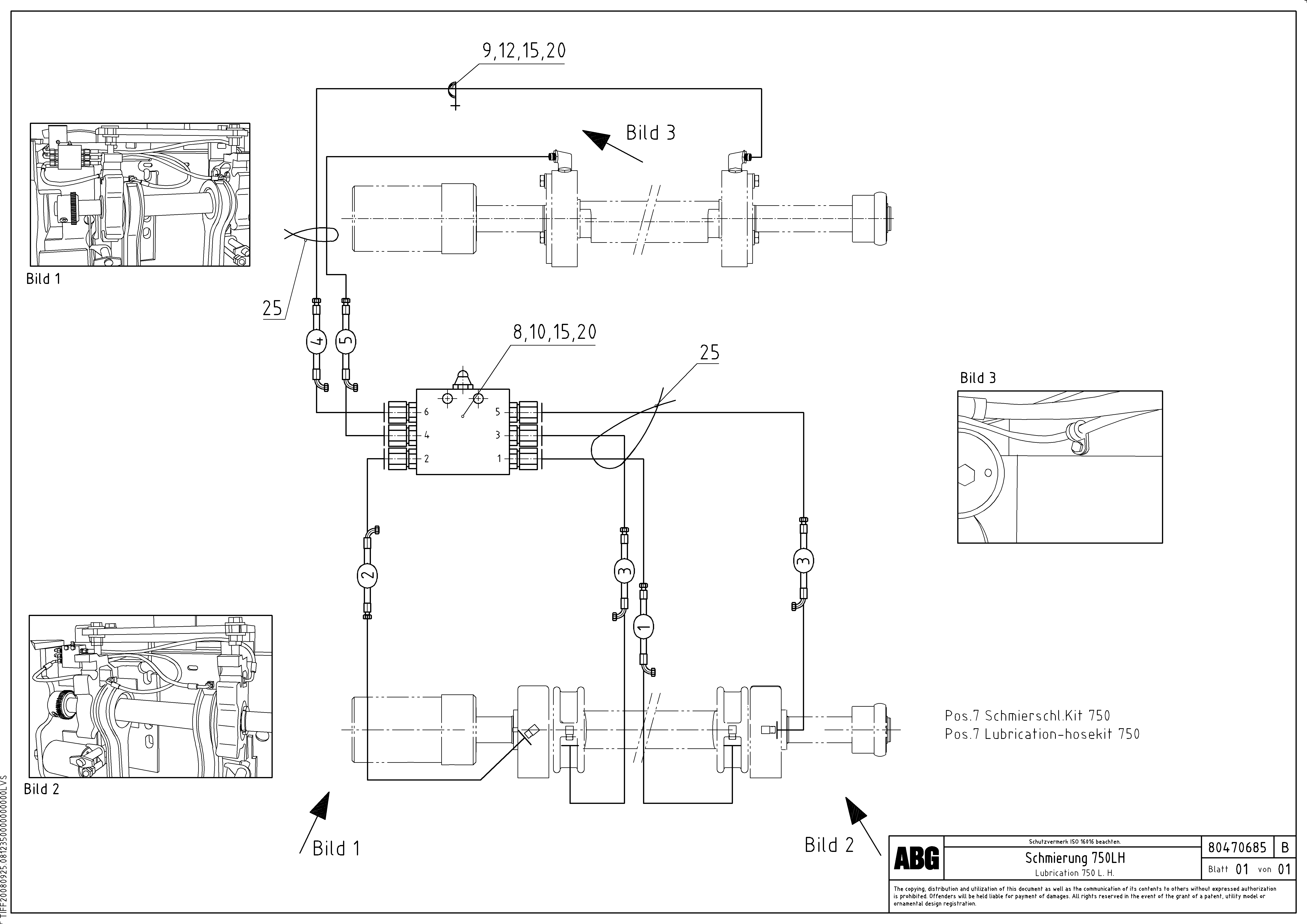
1

RM 54507736

Шланг

380 MM

1шт.

10

RM 96714134

Винт шестигранник

1шт.

10

RM 96714134

Винт шестигранник

1шт.

12

RM 96714241

Винт шестигранник

1шт.

12

RM 96714241

Винт шестигранник

1шт.

15

RM 14083448

Hexagon nut

1шт.

15

RM 14083448

Hexagon nut

1шт.

2

RM 54511852

Шланг

270 MM

1шт.

20

RM 96712880

Шайба

1шт.

20

RM 96712880

Шайба

1шт.

25

RM 13909932

Tape

1шт.

25

RM 13909932

Tape

1шт.

3

RM 54507710

Шланг

500 MM

1шт.

4

RM 87974333

Шланг

1000 MM

1шт.

5

RM 54589510

Шланг

450 MM

1шт.

7

RM 80470677

Hose Kit

1шт.

8

RM 54495247

Корпус клапана (коллектор)

1шт.

9

RM 13938337

Зажим

1шт.

9

RM 13938337

Зажим

1шт.

Выбрано товаров: 0