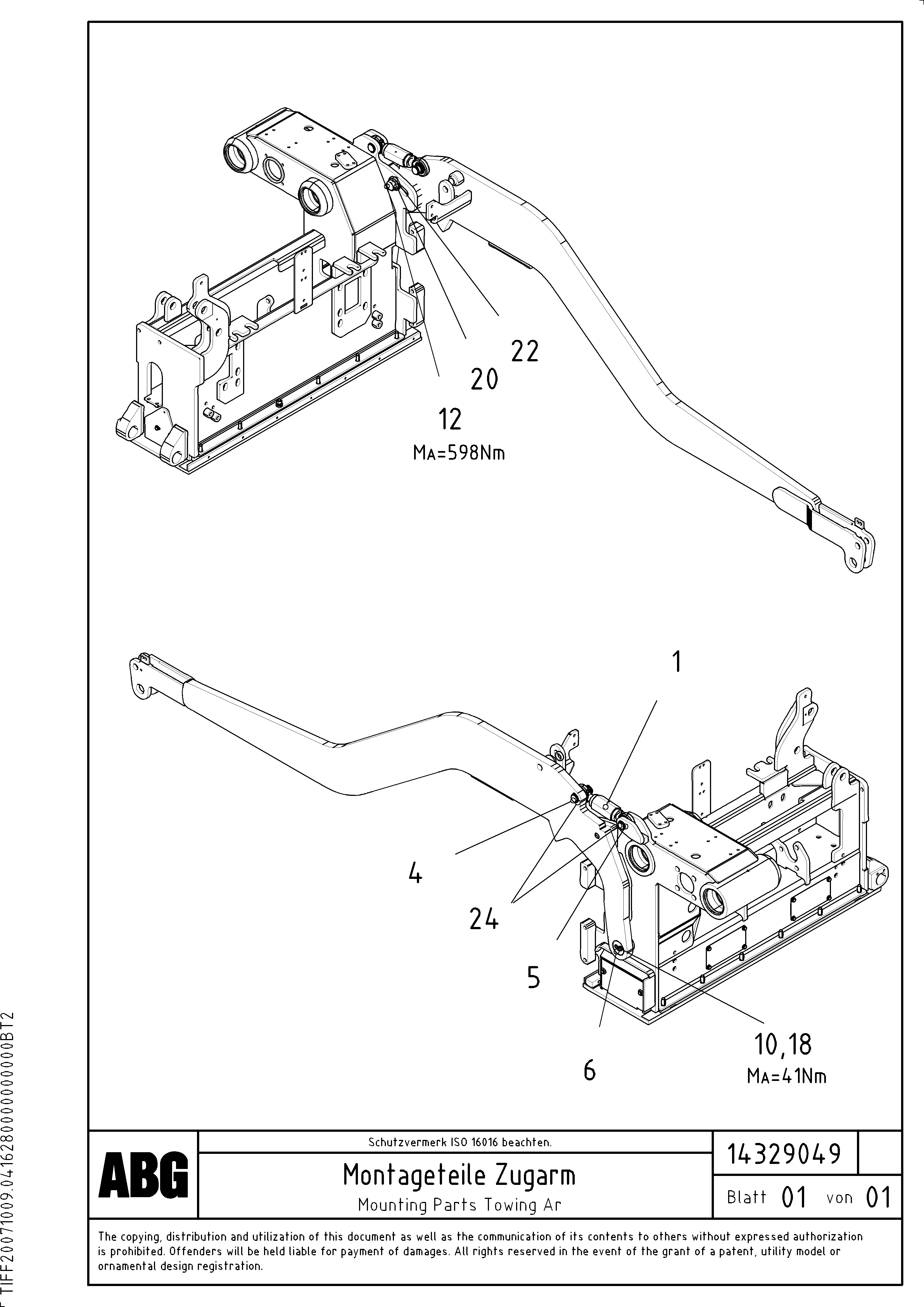
Запчасти Volvo VB 89 ETC 68694 Mounting parts for towing arms VB 89 ETC ATT. SCREEDS 3,0 - 9,0M ABG7820, ABG7820B

Схема запчастей Volvo VB 89 ETC - 68694 Mounting parts for towing arms VB 89 ETC ATT. SCREEDS 3,0 - 9,0M ABG7820, ABG7820B
FIT
1:1
100%

Артикул

Название

Примечание

Количество

1

RM 56281470

Joint

1шт.

10

RM 58860123

Болт

1шт.

12

RM 96722491

Винт шестигранник

1шт.

12

RM 96722491

Винт шестигранник

1шт.

18

RM 14130132

Стопорная шайба (кольцо)

1шт.

18

RM 14130132

Стопорная шайба (кольцо)

1шт.

20

RM 14261044

Стопорная шайба (кольцо)

1шт.

20

RM 14261044

Стопорная шайба (кольцо)

1шт.

22

RM 14272140

Шайба пружинная

1шт.

22

RM 14272140

Шайба пружинная

1шт.

24

RM 96711734

Retaining ring

1шт.

24

RM 96711734

Retaining ring

1шт.

4

RM 54497300

Болт

1шт.

5

RM 54519699

Болт

1шт.

6

RM 14733745

Шайба

1шт.

Выбрано товаров: 15