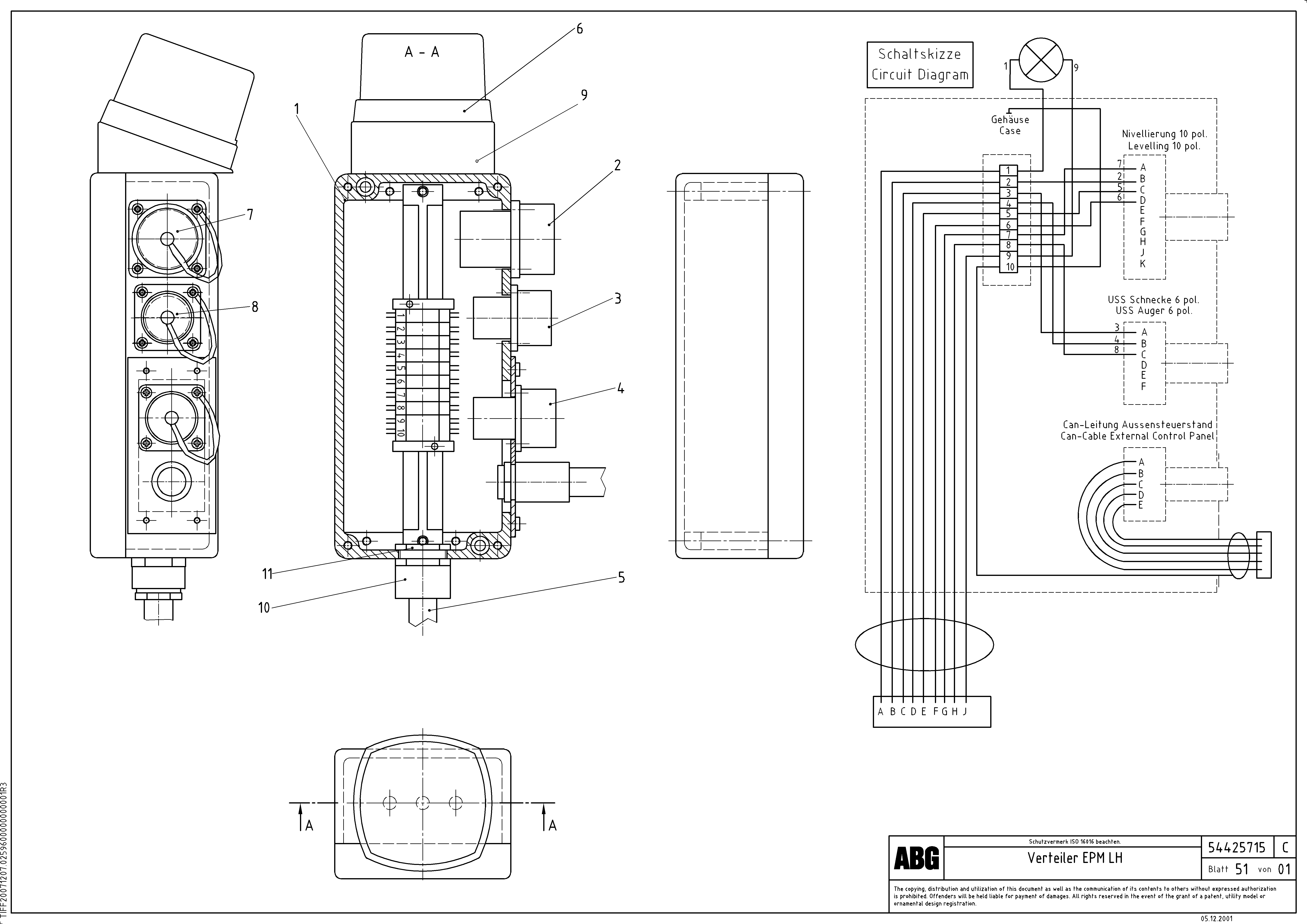
Запчасти Volvo VB-T 78 GTC 65847 Distribution box on screed for EPM (Electronic Paver Management) VB-T 78 GTC ATT. SCREEDS 2,5 - 8,0M ABG6820

Схема запчастей Volvo VB-T 78 GTC - 65847 Distribution box on screed for EPM (Electronic Paver Management) VB-T 78 GTC ATT. SCREEDS 2,5 - 8,0M ABG6820
FIT
1:1
100%

Артикул

Название

Примечание

Количество

1

RM 54430574

Distribution Box

LH

1шт.

1

RM 54430509

Distribution Box

RH

1шт.

10

RM 13912944

Cable grommet

1шт.

11

RM 14106900

Гайка

1шт.

11

RM 14106900

Гайка

1шт.

2

RM 54426689

Socket

1шт.

3

RM 54426663

Socket

1шт.

3

RM 54426663

Socket

1шт.

4

RM 54426630

Cable

1шт.

5

RM 54426614

Cable

1шт.

6

RM 13967880

Flasher

1шт.

7

RM 58832577

Protecting cap

1шт.

7

RM 58832577

Protecting cap

1шт.

8

RM 58854373

Protecting cap

1шт.

8

RM 58854373

Protecting cap

1шт.

9

RM 87982427

Опора

S/N 12957 -

1шт.

Выбрано товаров: 16