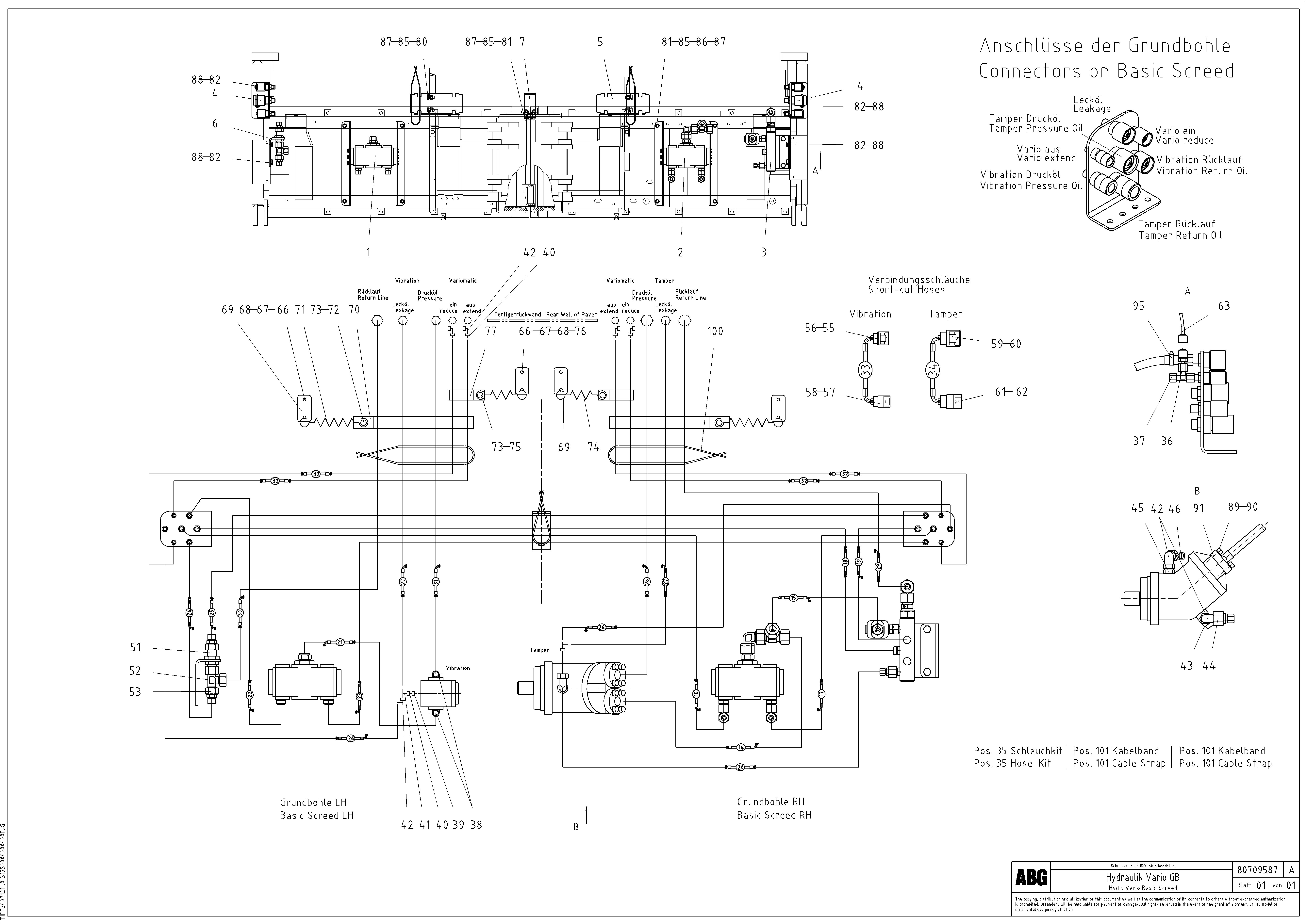
Запчасти Volvo VDT 121 VARIO ATT.SCREED 9,0 - 12,0M ABG8820/ABG8820B 75745 Hose lines for Vario basic screed

Схема запчастей Volvo VDT 121 VARIO ATT.SCREED 9,0 - 12,0M ABG8820/ABG8820B - 75745 Hose lines for Vario basic screed
FIT
1:1
100%

Артикул

Название

Примечание

Количество

1

RM 80709603

Flow gate

1шт.

100

RM 13910864

Tape

1шт.

100

RM 13910864

Tape

1шт.

101

RM 13909932

Tape

1шт.

101

RM 13909932

Tape

1шт.

102

RM 14280457

Cable wrapping tape

1шт.

102

RM 14280457

Cable wrapping tape

1шт.

14

RM 80710627

Шланг

L=700MM

1шт.

15

RM 80710635

Шланг

L=500MM

1шт.

16

RM 80700214

Шланг

L=2500MM

1шт.

16

RM 80700214

Шланг

L=2500MM

1шт.

17

RM 80629611

Шланг

L=950MM

1шт.

17

RM 80629611

Шланг

L=950MM

1шт.

18

RM 80710643

Шланг

L=2450MM

1шт.

19

RM 56282684

Шланг

L=850MM

1шт.

2

RM 80709611

Flow Gate

1шт.

20

RM 14255707

Шланг

L=600MM

1шт.

21

RM 80700156

Шланг

L=700MM

1шт.

21

RM 80700156

Шланг

L=700MM

1шт.

22

RM 80710650

Шланг

L=1150MM

1шт.

23

RM 14156624

Шланг

L=2400MM

1шт.

24

RM 80710668

Шланг

L=1000MM

1шт.

25

RM 80605348

Шланг

L=2700MM

1шт.

26

RM 56249766

Шланг

L=1150MM

1шт.

27

RM 80710676

Шланг

L=2000MM

1шт.

28

RM 80723943

Шланг

S/N 17396 -, L=2000MM

1шт.

28

RM 80710684

Шланг

S/N 51 - 17395, L=2000MM

1шт.

29

RM 80710692

Шланг

S/N 51 - 17395, L=1500MM

1шт.

29

RM 80723935

Шланг

S/N 17396 -, L=1500MM

1шт.

3

RM 80709637

Commutator

1шт.

30

RM 13943634

Шланг

L=1900MM

1шт.

31

RM 80629413

Шланг

L=2200MM

1шт.

31

RM 80629413

Шланг

L=2200MM

1шт.

32

RM 80470321

Шланг

L=2000MM

1шт.

33

RM 80710700

Шланг

L=1000MM

1шт.

34

RM 80710718

Шланг

L=1000MM

1шт.

35

RM 80710221

Hose assembly

1шт.

36

RM 14158760

Coupling piece

S/N 51 - 51

1шт.

36

RM 14280259

Coupling piece

S/N 52 -

1шт.

36

RM 14280259

Coupling piece

S/N 52 -

1шт.

37

RM 14102487

Фиттинг

1шт.

37

RM 14102487

Фиттинг

1шт.

38

RM 13905765

Elbow

1шт.

38

RM 13905765

Elbow

1шт.

39

RM 56251168

Шпилька

1шт.

4

RM 80709629

Coupling Piece

1шт.

40

RM 13907837

Фиттинг

1шт.

40

RM 13907837

Фиттинг

1шт.

41

RM 58854209

Fitting screw

1шт.

41

RM 58854209

Fitting screw

1шт.

42

RM 58824210

Фиттинг

1шт.

42

RM 58824210

Фиттинг

1шт.

43

RM 58833856

Фиттинг

1шт.

43

RM 58833856

Фиттинг

1шт.

44

RM 14013361

Nozzle

1шт.

44

RM 14013361

Nozzle

1шт.

45

RM 58854183

Шпилька

1шт.

45

RM 58854183

Шпилька

1шт.

46

RM 14090401

Фиттинг

1шт.

46

RM 14090401

Фиттинг

1шт.

5

RM 80709645

Hose Guide

1шт.

51

RM 14090054

Coupling piece

1шт.

51

RM 14090054

Coupling piece

1шт.

52

RM 14090427

Фиттинг

1шт.

52

RM 14090427

Фиттинг

1шт.

53

RM 14090534

Фиттинг

1шт.

55

RM 80672090

Втулка

1шт.

56

RM 80673155

Dust cover

1шт.

57

RM 80672074

Втулка (распорная)

1шт.

58

RM 80673163

Dust cup

1шт.

58

RM 80673163

Dust cup

1шт.

59

RM 80710759

Втулка

1шт.

6

RM 80709991

Тарелка клапана

1шт.

60

RM 80710817

Dust Cap

1шт.

61

RM 80710742

Connecting sleeve

1шт.

62

RM 80710809

Dust Cap

1шт.

63

RM 58868159

Шланг

1шт.

66

RM 96714266

Винт шестигранник

1шт.

66

RM 96714266

Винт шестигранник

1шт.

67

RM 58832916

Стопорная шайба (кольцо)

1шт.

67

RM 58832916

Стопорная шайба (кольцо)

1шт.

68

RM 96712781

Hexagon nut

1шт.

68

RM 96712781

Hexagon nut

1шт.

69

RM 14119283

Шайба

1шт.

7

RM 80712334

Тарелка клапана

1шт.

70

RM 14154686

Зажим

1шт.

70

RM 14154686

Зажим

1шт.

71

RM 56240575

Пружина натяжная

1шт.

72

RM 96713219

Винт шестигранник

1шт.

72

RM 96713219

Винт шестигранник

1шт.

73

RM 14083455

Hexagon nut

1шт.

73

RM 14083455

Hexagon nut

1шт.

74

RM 13914197

Пружина натяжная

1шт.

75

RM 96713185

Винт шестигранник

1шт.

75

RM 96713185

Винт шестигранник

1шт.

76

RM 14084123

Шайба

1шт.

76

RM 14084123

Шайба

1шт.

77

RM 14262059

Зажим

1шт.

77

RM 14262059

Зажим

1шт.

80

RM 96713318

Винт шестигранник

1шт.

80

RM 96713318

Винт шестигранник

1шт.

81

RM 96713334

Винт шестигранник

1шт.

81

RM 96713334

Винт шестигранник

1шт.

82

RM 96720628

Винт шестигранник

1шт.

82

RM 96720628

Винт шестигранник

1шт.

85

RM 96712807

Hexagon nut

1шт.

85

RM 96712807

Hexagon nut

1шт.

86

RM 96712849

Шайба

1шт.

86

RM 96712849

Шайба

1шт.

87

RM 13907761

Стопорная шайба (кольцо)

1шт.

87

RM 13907761

Стопорная шайба (кольцо)

1шт.

88

RM 14261002

Стопорная шайба (кольцо)

1шт.

88

RM 14261002

Стопорная шайба (кольцо)

1шт.

89

RM 96709126

Винт шестигранник (торцевой ключ)

1шт.

90

RM 13999131

Стопорная шайба (кольцо)

1шт.

90

RM 13999131

Стопорная шайба (кольцо)

1шт.

91

RM 58865569

Кольцо уплотнительное (О-кольцо)

S/N 17396 -

1шт.

95

RM 13936992

Hose clamp

1шт.

95

RM 13936992

Hose clamp

1шт.

Выбрано товаров: 119