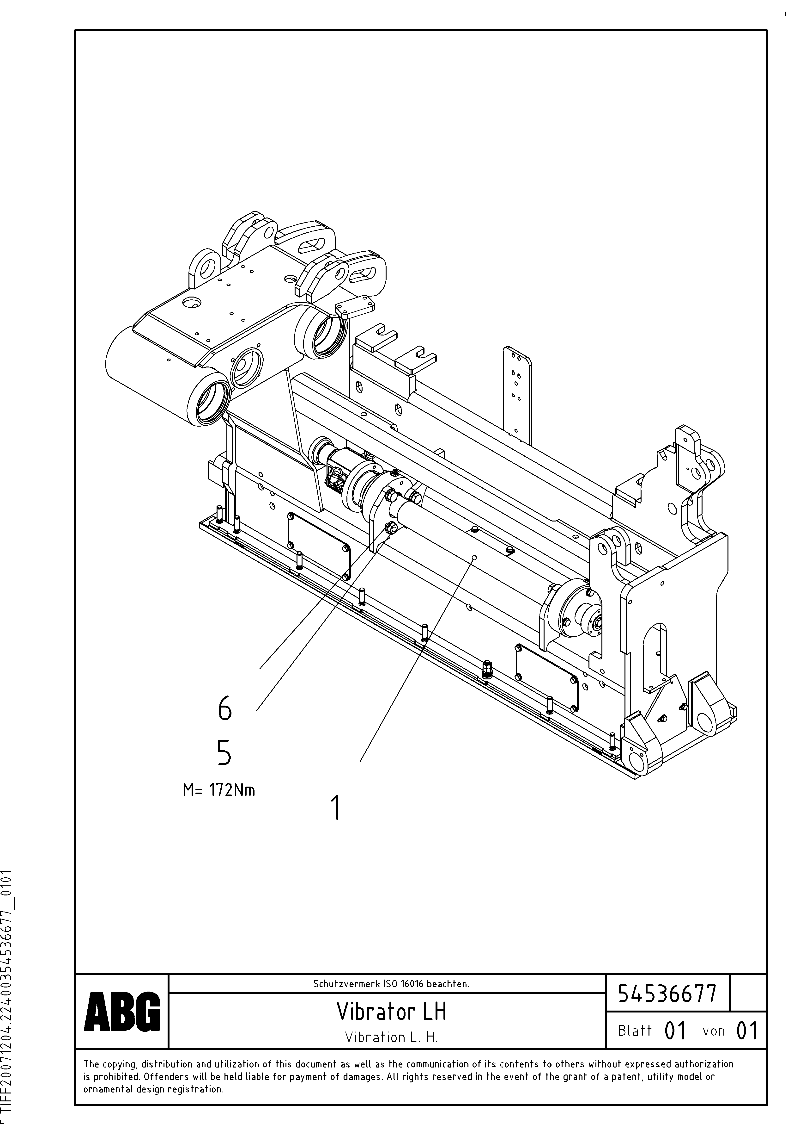
Запчасти Volvo VDT-V 88 GTC 78987 Vibrator for basic screed VDT-V 88 ETC ATT. SCREEDS 3,0 - 9,0M ABG8820, ABG8820B

Схема запчастей Volvo VDT-V 88 GTC - 78987 Vibrator for basic screed VDT-V 88 ETC ATT. SCREEDS 3,0 - 9,0M ABG8820, ABG8820B
FIT
1:1
100%

Артикул

Название

Примечание

Количество

1

RM 54476783

Eccentric Shaft

1шт.

1

RM 54476767

Вал

1шт.

5

RM 96722236

Винт шестигранник

1шт.

5

RM 96722236

Винт шестигранник

1шт.

6

RM 14261028

Стопорная шайба (кольцо)

1шт.

6

RM 14261028

Стопорная шайба (кольцо)

1шт.

Выбрано товаров: 6