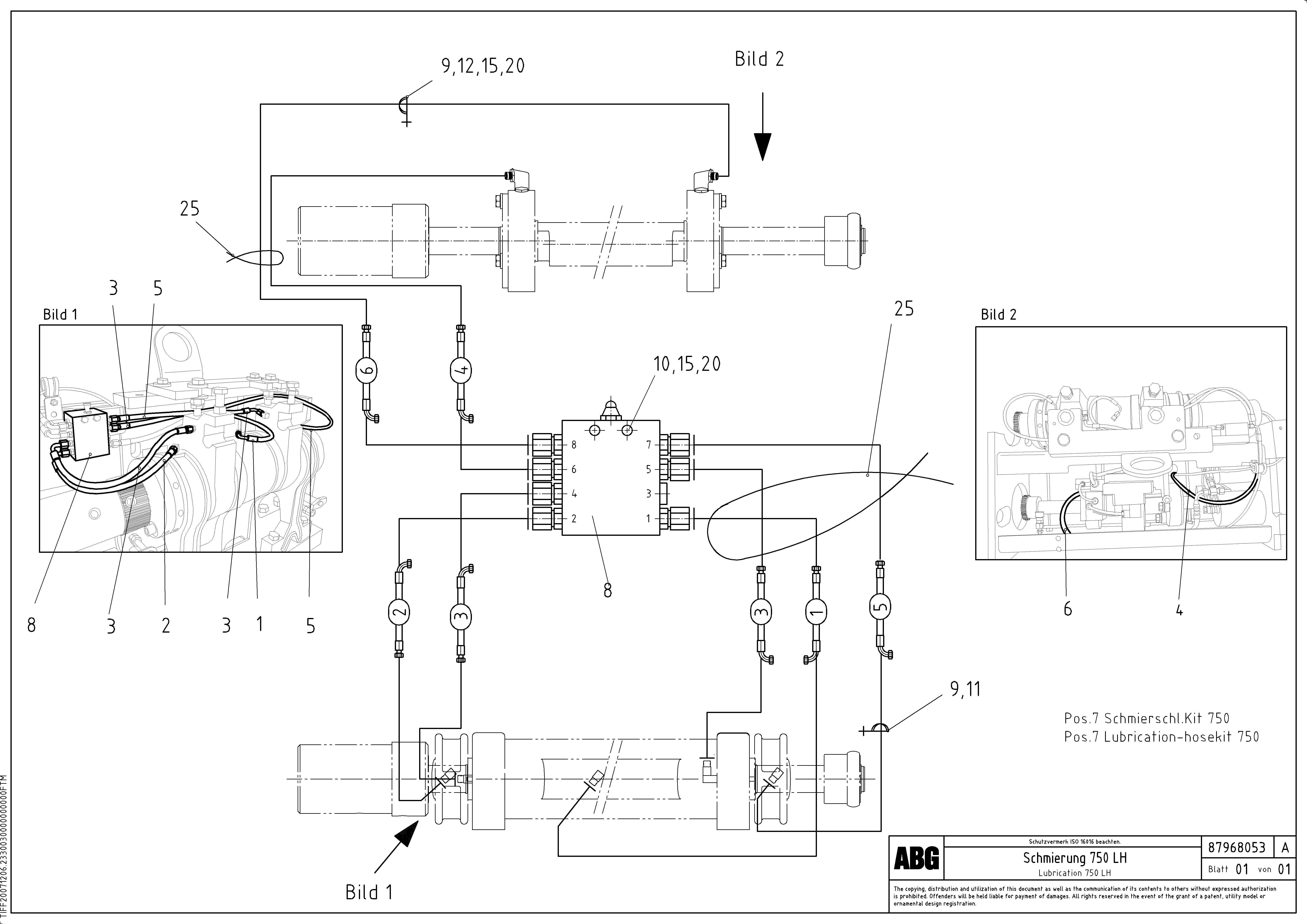
Запчасти Volvo VDT-V 88 GTC 77220 Lubrication hose kit for extension VDT-V 88 GTC ATT. SCREEDS 3,0 - 9,0M ABG9820

Схема запчастей Volvo VDT-V 88 GTC - 77220 Lubrication hose kit for extension VDT-V 88 GTC ATT. SCREEDS 3,0 - 9,0M ABG9820
FIT
1:1
100%

Артикул

Название

Примечание

Количество

RM 87968533

Шланг

1шт.

RM 54701313

Шланг

1шт.

RM 54701305

Шланг

1шт.

RM 54507710

Шланг

1шт.

RM 87968541

Шланг

1шт.

RM 54589510

Шланг

1шт.

1

RM 54507710

Шланг

1шт.

10

RM 96714134

Винт шестигранник

1шт.

10

RM 96714134

Винт шестигранник

1шт.

11

RM 96714233

Винт шестигранник

1шт.

11

RM 96714233

Винт шестигранник

1шт.

12

RM 96714241

Винт шестигранник

1шт.

12

RM 96714241

Винт шестигранник

1шт.

15

RM 14083448

Hexagon nut

1шт.

15

RM 14083448

Hexagon nut

1шт.

2

RM 87968533

Шланг

1шт.

20

RM 96712880

Шайба

1шт.

20

RM 96712880

Шайба

1шт.

25

RM 13909932

Tape

1шт.

25

RM 13909932

Tape

1шт.

3

RM 54701313

Шланг

1шт.

4

RM 54589510

Шланг

1шт.

5

RM 87968541

Шланг

1шт.

6

RM 54701305

Шланг

1шт.

7

RM 87968038

Hose assembly

1шт.

8

RM 80736101

Клапан

S/N 17266 -

1шт.

8

RM 87968194

Клапан

S/N 51 - 17265

1шт.

8

RM 80736119

Клапан

S/N 17266 -

1шт.

8

RM 87968178

Клапан

S/N 51 - 17265

1шт.

9

RM 13938337

Зажим

1шт.

9

RM 13938337

Зажим

1шт.

Выбрано товаров: 31