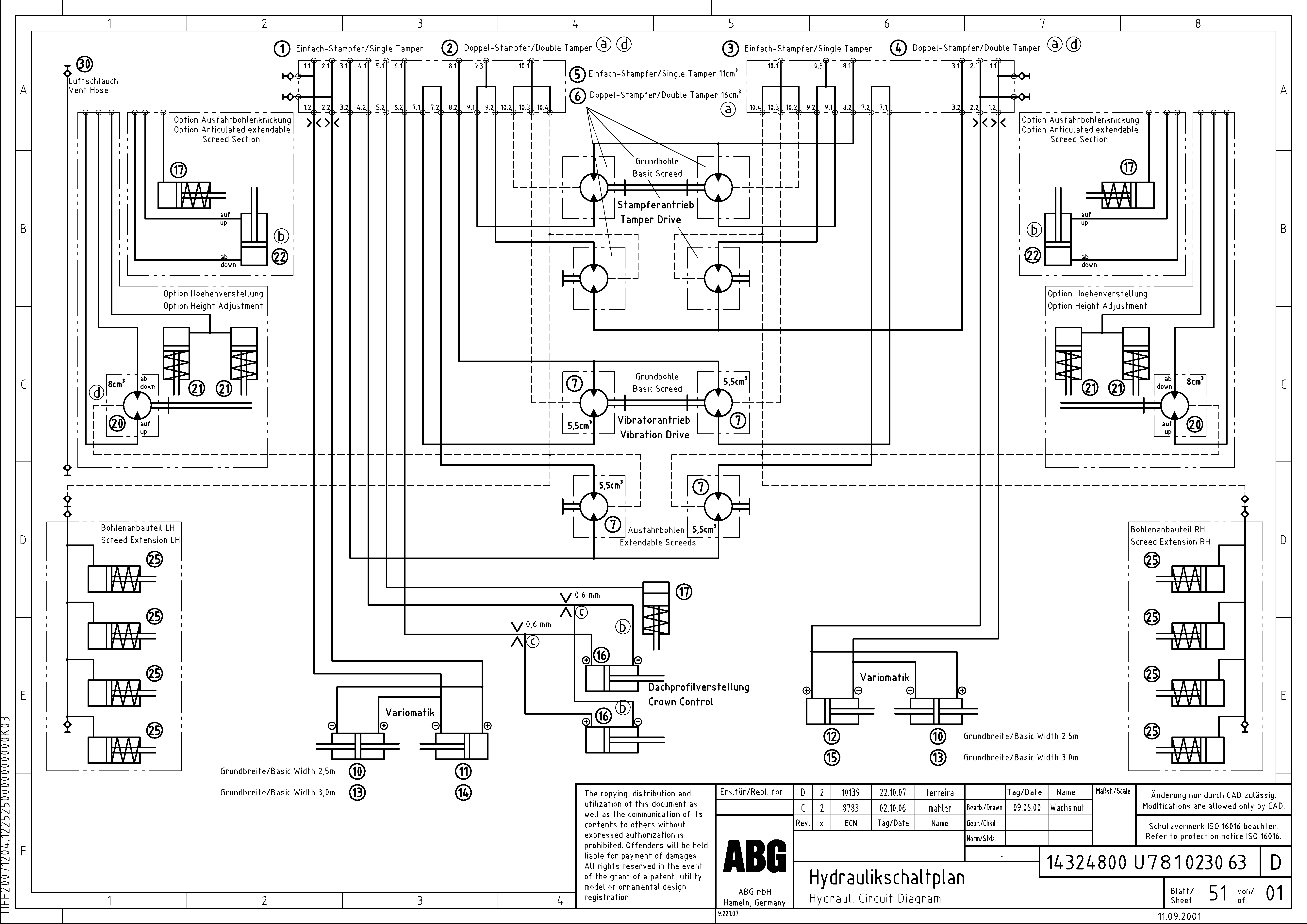
Запчасти Volvo VDT-V 88 GTC 85718 Hydraulic circuit diagram VDT-V 88 ETC SCREEDS 3,0 - 9,0M ABG9820

Схема запчастей Volvo VDT-V 88 GTC - 85718 Hydraulic circuit diagram VDT-V 88 ETC SCREEDS 3,0 - 9,0M ABG9820
FIT
1:1
100%

Артикул

Название

Примечание

Количество

10

RM 54410394

цилиндр

S/N 16148 -

1шт.

10

RM 54586920

Sealing Kit

1шт.

13

RM 54478714

цилиндр

S/N 16148 -

1шт.

13

RM 54586920

Sealing Kit

1шт.

16

RM 87985362

Гидроцилиндр

S/N 16148 -

1шт.

17

RM 56296957

Brake Cylinder

S/N 16148 -

1шт.

2

RM 80854250

Connecting block

S/N 21000 -, LH

1шт.

20

RM 54581715

Sealing kit

1шт.

20

RM 13971577

Sealing

1шт.

20

RM 80853658

Гидромотор

S/N 20852 -

1шт.

21

RM 54586961

Sealing Kit

1шт.

21

RM 54481932

цилиндр

S/N 16148 -

1шт.

22

RM 54481916

Гидроцилиндр

S/N 16148 -

1шт.

22

RM 54586953

Sealing Kit

1шт.

4

RM 80854649

Connecting block

S/N 21000 -, RH

1шт.

Выбрано товаров: 15