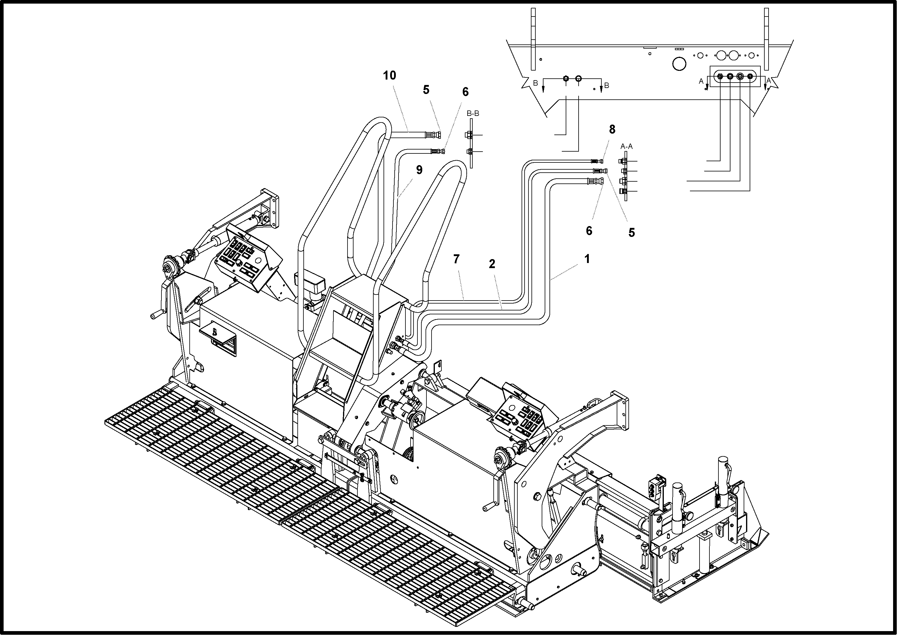
Запчасти Volvo Wedgelocks 62903 Hydraulic Kit WEDGE-LOCK 10 ELECTRIC

Схема запчастей Volvo Wedgelocks - 62903 Hydraulic Kit WEDGE-LOCK 10 ELECTRIC
FIT
1:1
100%

Артикул

Название

Примечание

Количество

1

RM 20340147

Hose assembly

1шт.

10

RM 20202073

Ors Hose Assemb

1шт.

2

RM 20340154

Hydraulic hose

1шт.

3

RM 20933685

Cable tie

1шт.

3

RM 20933685

Cable tie

1шт.

5

RM 20204269

Пробка (заглушка)

1шт.

6

RM 20951695

Пробка (заглушка)

1шт.

7

RM 20332557

Hose assembly

1шт.

8

RM 20951687

Пробка (заглушка)

1шт.

9

RM 20340907

Hose Assembly *

1шт.

Выбрано товаров: 10