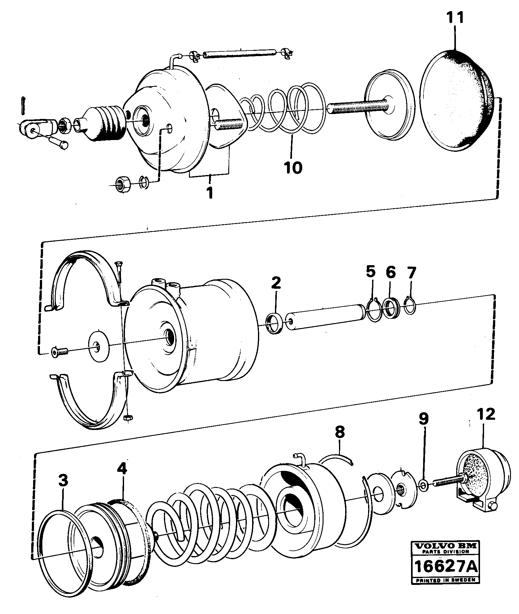
Запчасти Volvo 5350 5350 2050 Brake cylinder tillv nr -1243

Схема запчастей Volvo 5350 5350 - 2050 Brake cylinder tillv nr -1243
FIT
1:1
100%

Артикул

Название

Примечание

Количество

VOE 11000067

Diaph Cylinder

1шт.

VOE 11000067

Diaph Cylinder

1шт.

VOE 272761

Ремкомплект

1шт.

1

VOE 1506074

Lower Section

1шт.

10

VOE 1517480

Пружина

1шт.

11

VOE 7325206

Diaphragm

1шт.

12

VOE 1503979

Cap

1шт.

Выбрано товаров: 7