Запчасти Volvo 5350 5350 99779 Насос масляный

Схема запчастей Volvo 5350 5350 - 99779 Насос масляный
FIT
1:1
100%

Артикул

Название

Примечание

Количество

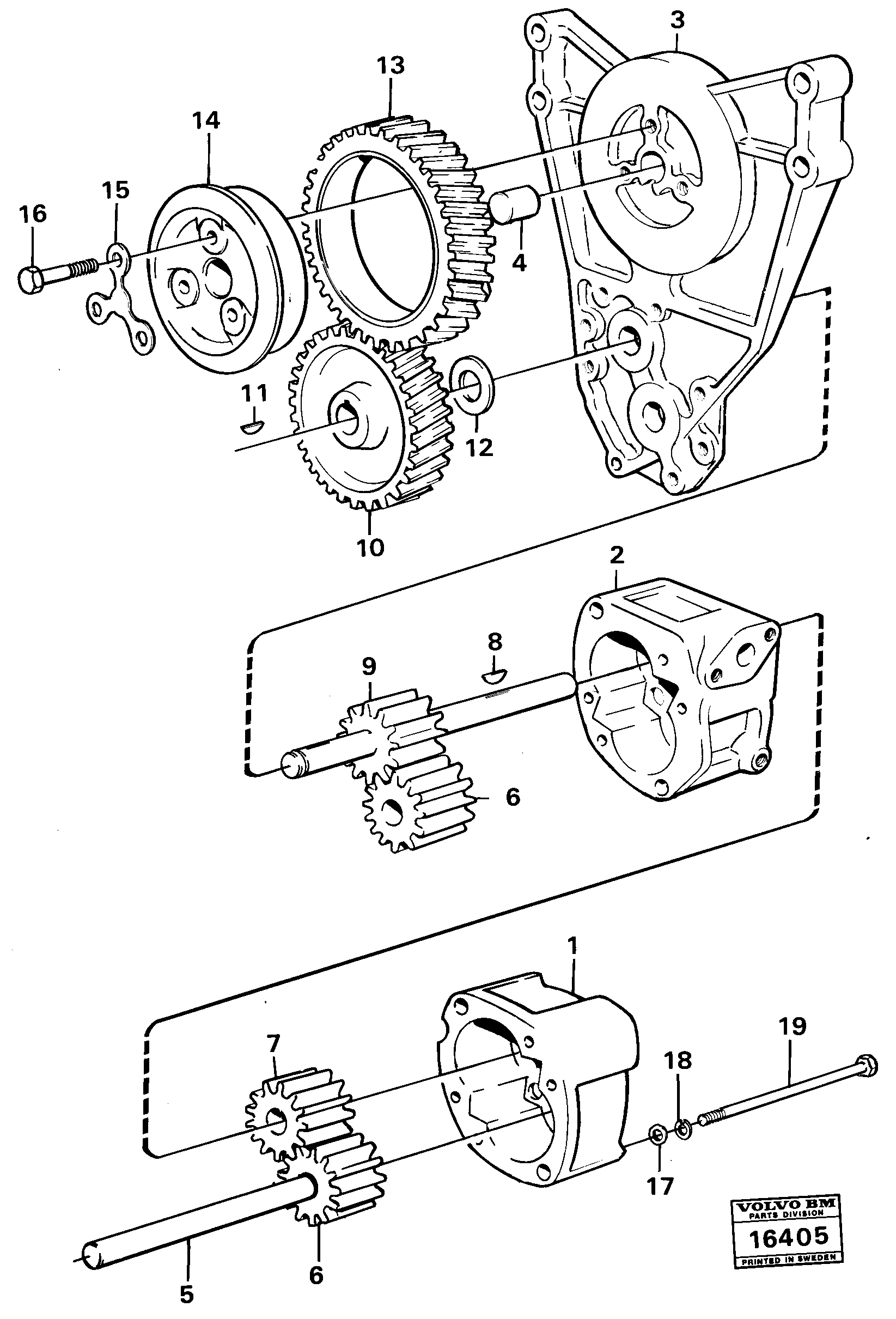
VOE 4774185

Насос масляный

1шт.

10

VOE 469177

Drive Gear

1шт.

11

VOE 910115

Woodruff key

1шт.

11

VOE 910115

Woodruff key

1шт.

12

VOE 424133

Шайба упорная

1шт.

13

VOE 7421046

Промежуточная шестерня

1шт.

14

VOE 7420048

Bearing Sleeve

1шт.

15

VOE 421076

Стопорная шайба (кольцо)

1шт.

16

VOE 940186

Винт шестигранник

1шт.

16

VOE 940186

Винт шестигранник

1шт.

17

VOE 13955894

Шайба

1шт.

17

VOE 13955894

Шайба

1шт.

18

VOE 13941907

Шайба пружинная

1шт.

18

VOE 13941907

Шайба

1шт.

19

VOE 7192548

Болт

1шт.

3

VOE 4774186

Кронштейн

1шт.

4

VOE 191171

Палец

1шт.

5

VOE 468173

Палец

1шт.

6

VOE 466535

Gear

1шт.

7

VOE 471065

Pump rotor

1шт.

8

VOE 422329

Key

1шт.

9

VOE 4774190

Вал

1шт.

Выбрано товаров: 22