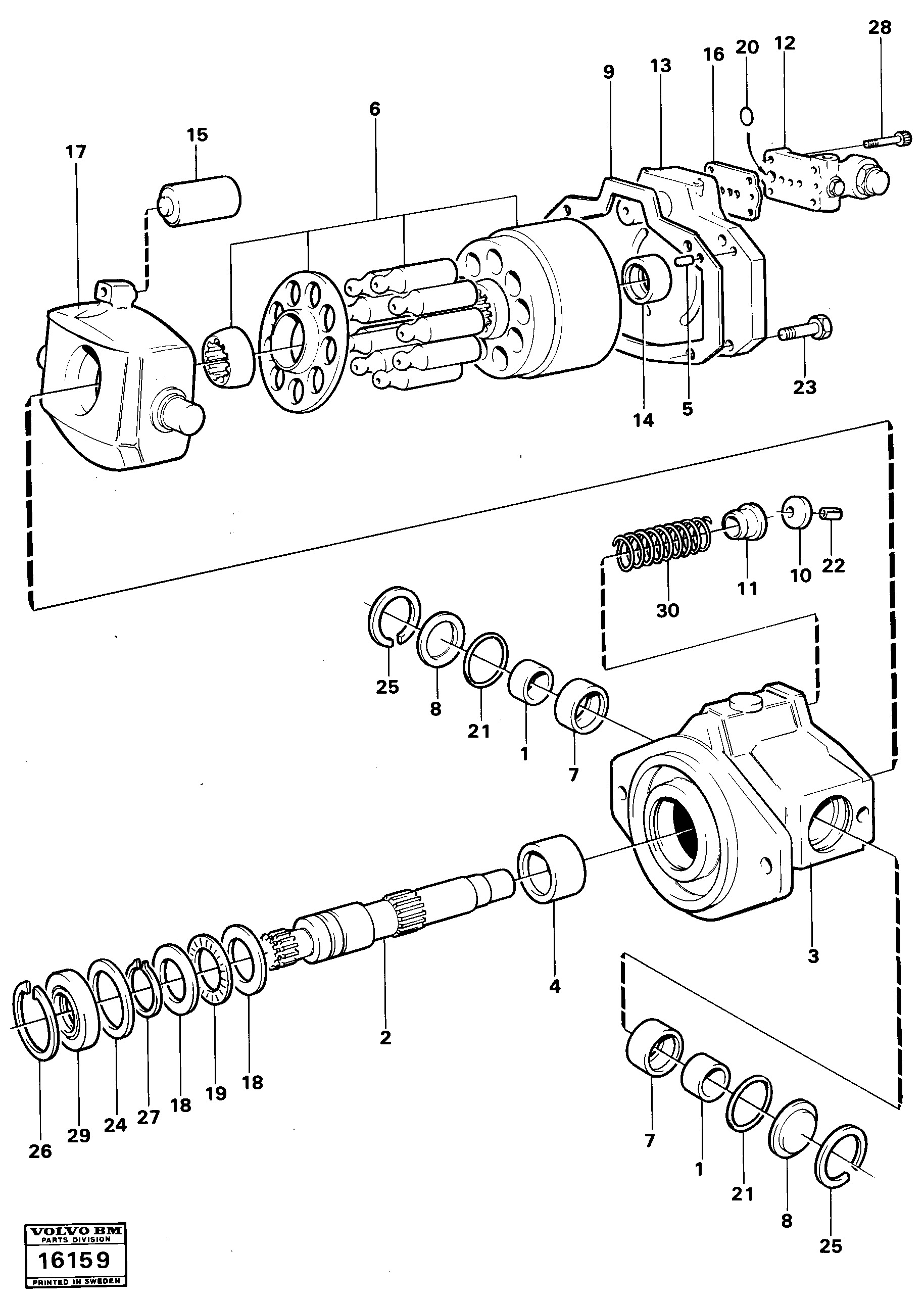
Запчасти Volvo 5350 5350 22572 Гидронасос (основной насос)

Схема запчастей Volvo 5350 5350 - 22572 Гидронасос (основной насос)
FIT
1:1
100%

Артикул

Название

Примечание

Количество

VOE 4821721

Piston pump

1шт.

VOE 4821721

Piston pump

1шт.

VOE 6211194

Gasket Kit

1шт.

VOE 6630826

Ремкомплект

INCL. POS. 6, 13

1шт.

VOE 4821722

Piston pump

1шт.

VOE 4821722

Piston pump

1шт.

VOE 6213200

Compensator

1шт.

VOE 6630825

Ремкомплект

INCL. POS. 6, 13

1шт.

1

VOE 6211188

Bearing Race

1шт.

12

VOE 6211192

Compensator

1шт.

14

VOE 6647737

Подшипник

1шт.

17

VOE 6211193

Cam Disc

1шт.

18

VOE 6211197

Bearing Race

1шт.

19

VOE 6211198

Thrust Bearing

1шт.

2

VOE 6211189

Вал

1шт.

22

VOE 13951961

Spring Pin

1шт.

22

VOE 13951961

Spring Pin

1шт.

23

VOE 955535

Винт шестигранник

1шт.

23

VOE 955535

Винт шестигранник

1шт.

28

VOE 943160

Болт

1шт.

4

VOE 6211195

Needle Bearing

1шт.

6

VOE 6211190

Rotor Kit

1шт.

7

VOE 6211196

Needle Bearing

1шт.

8

VOE 6211191

Cap

1шт.

Выбрано товаров: 24