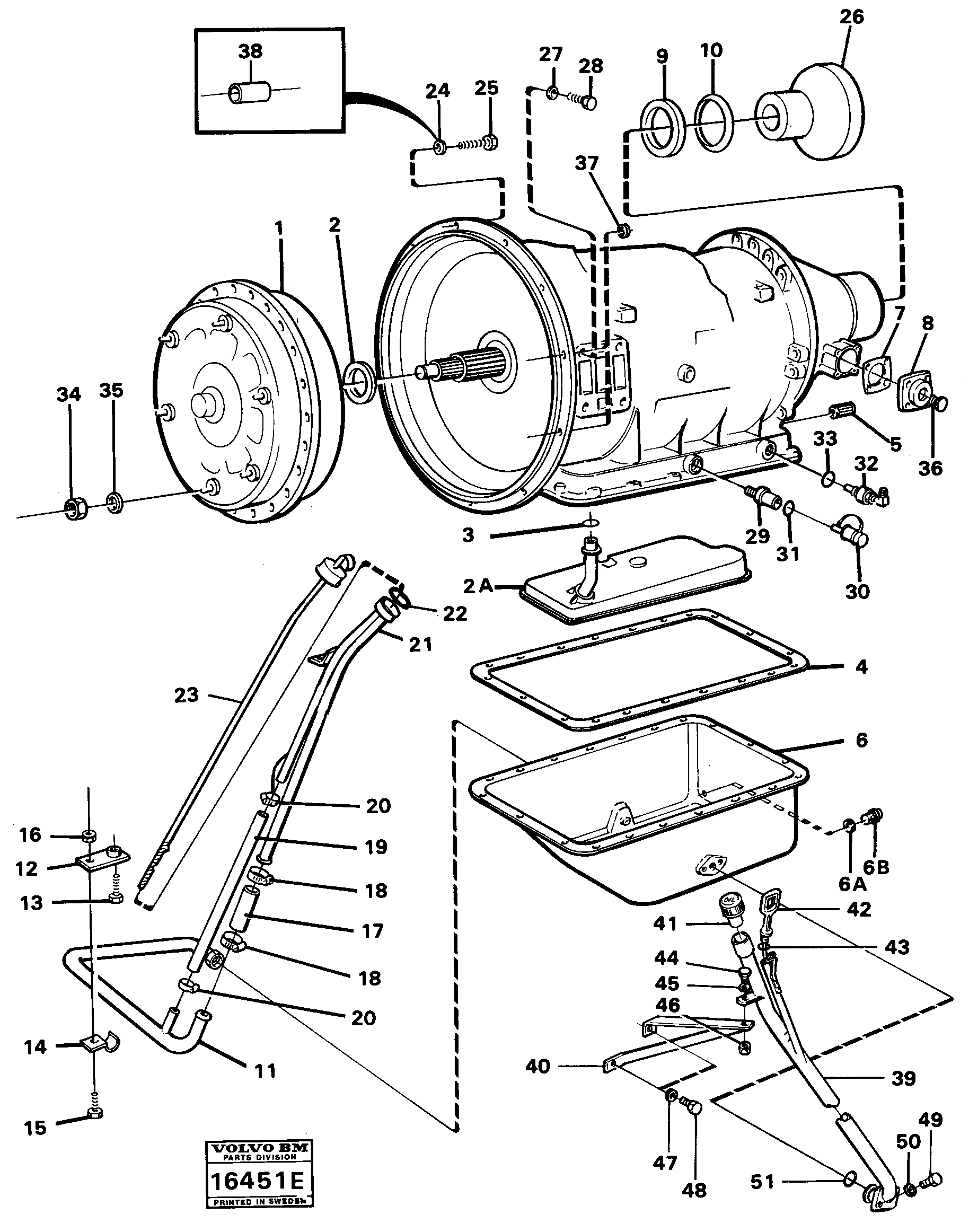
Запчасти Volvo 5350 5350 97809 Gear box

Схема запчастей Volvo 5350 5350 - 97809 Gear box
FIT
1:1
100%

Артикул

Название

Примечание

Количество

VOE 13949574

Кольцо уплотнительное (О-кольцо)

1шт.

VOE 13949574

Кольцо уплотнительное (О-кольцо)

1шт.

VOE 4940429

Пробка (заглушка)

SER NO 1555-

1шт.

VOE 4940821

Filler pipe

SER NO 1800 - 2115

1шт.

VOE 4881755

Коробка передач (КПП, трансмиссия)

1шт.

VOE 960693

Винт шестигранник

SER NO 2116 -

1шт.

10

VOE 1528229

Dust cover

1шт.

11

VOE 4823360

Трубка

1шт.

12

VOE 4823363

Кронштейн

SER NO - 2115

1шт.

13

VOE 946469

Flange screw

SER NO - 2115

1шт.

14

VOE 957214

Зажим

SER NO - 2115

1шт.

15

VOE 946934

Flange screw

SER NO - 2115

1шт.

15

VOE 946934

Flange screw

SER NO - 2115

1шт.

16

VOE 13949278

Flange lock nut

SER NO - 2115

1шт.

16

VOE 13949278

Flange lock nut

SER NO - 2115

1шт.

17

VOE 4823359

Шланг

SER NO - 2115

1шт.

18

VOE 13943474

Hose clamp

SER NO - 2115

1шт.

19

VOE 13961192

Hydraulic hose

SER NO - 2115

1шт.

2

VOE 1529276

Сальник

1шт.

20

VOE 13943472

Hose clamp

SER NO - 2115

1шт.

21

VOE 4940821

Filler pipe

1шт.

22

VOE 13960180

Кольцо уплотнительное (О-кольцо)

SER NO - 2115

1шт.

23

VOE 4940453

Dipstick

SER NO -2115

1шт.

24

VOE 13961170

Шайба

SER NO - 2115

1шт.

24

VOE 13961170

Шайба

SER NO - 2115

1шт.

25

VOE 955535

Винт шестигранник

SER NO - 2115

1шт.

25

VOE 955535

Винт шестигранник

SER NO - 2115

1шт.

26

VOE 4719965

Companion flange

1шт.

27

VOE 13930908

Шайба

1шт.

27

VOE 13930908

Шайба

1шт.

28

VOE 955558

Болт

1шт.

28

VOE 955558

Винт шестигранник

1шт.

29

VOE 4864473

Nipple

1шт.

2A

VOE 1529253

Фильтр масляный

1шт.

3

VOE 6762127

Кольцо

1шт.

30

VOE 930032

Testing nipple

1шт.

30

VOE 930032

Testing nipple

1шт.

31

VOE 13947622

Plane gasket

SER NO -1268

1шт.

31

VOE 13947622

Plane gasket

SER NO -1268

1шт.

32

VOE 4720551

Клапан

SER NO -1554

1шт.

33

VOE 948887

Кольцо уплотнительное (О-кольцо)

1шт.

34

VOE 945676

Lock nut

1шт.

34

VOE 945676

Lock nut

1шт.

35

VOE 4871354

Шайба

SER NO 1555-

1шт.

36

VOE 4940524

Пробка (заглушка)

SER NO 1800-

1шт.

37

VOE 13940097

Шайба

SER NO 1823-

1шт.

37

VOE 13940097

Шайба

SER NO 1823-

1шт.

38

VOE 4941258

Spacer sleeve

SER NO 2116 -

1шт.

39

VOE 4941263

Filler pipe

SER NO 2116 -

1шт.

4

VOE 1529254

Прокладка

1шт.

40

VOE 4941261

Anchorage

1шт.

41

VOE 4941269

Пробка (заглушка)

SER NO 2116 -

1шт.

42

VOE 4941268

Dipstick

SER NO 2116 -

1шт.

43

VOE 925054

Кольцо уплотнительное (О-кольцо)

SER NO 2116 -

1шт.

43

VOE 925054

Кольцо уплотнительное (О-кольцо)

SER NO 2116 -

1шт.

44

VOE 955297

Винт шестигранник

SER NO 2116 -

1шт.

44

VOE 955297

Винт шестигранник

SER NO 2116 -

1шт.

45

VOE 976944

Шайба

SER NO 2116 -

1шт.

45

VOE 976944

Шайба

SER NO 2116 -

1шт.

46

VOE 955782

Hexagon nut

SER NO 2116 -

1шт.

46

VOE 955782

Hexagon nut

SER NO 2116 -

1шт.

47

VOE 13940097

Шайба

SER NO 2116 -

1шт.

47

VOE 13940097

Шайба

SER NO 2116 -

1шт.

48

VOE 960687

Винт шестигранник

SER NO 2116 -

1шт.

49

VOE 955658

Болт

SER NO 2116 -

1шт.

49

VOE 955658

Винт шестигранник

SER NO 2116 -

1шт.

5

VOE 1528220

Фильтр масляный

1шт.

50

VOE 13955894

Шайба

SER NO 2116 -

1шт.

50

VOE 13955894

Шайба

SER NO 2116 -

1шт.

51

VOE 4940522

Кольцо уплотнительное (О-кольцо)

SER NO 2116 -

1шт.

51

VOE 4940522

Кольцо уплотнительное (О-кольцо)

SER NO 2116 -

1шт.

6A

VOE 1528170

Прокладка

1шт.

7

VOE 267646

Прокладка

1шт.

9

VOE 267656

Сальник

1шт.

Выбрано товаров: 74