Запчасти Volvo 5350B Volvo BM 5350B SER NO 2229 - 3999 35305 Air compressor

Схема запчастей Volvo 5350B Volvo BM 5350B SER NO 2229 - 3999 - 35305 Air compressor
FIT
1:1
100%

Артикул

Название

Примечание

Количество

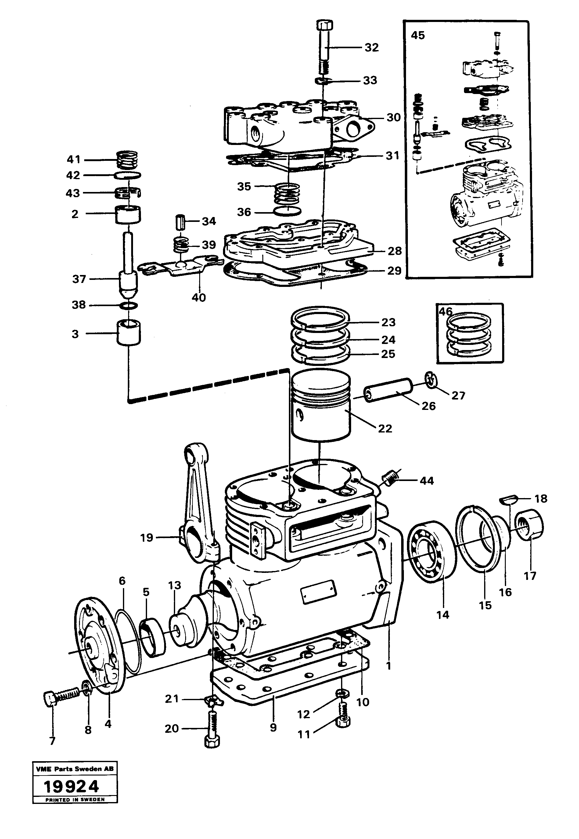
VOE 1612335

Compressor

1шт.

VOE 3094153

Поршень

0.020"O SZ

1шт.

VOE 955278

Винт шестигранник

1шт.

VOE 955278

Винт шестигранник

1шт.

VOE 270613

Комплект поршневых колец

0.010"O SZ

1шт.

VOE 270614

Комплект поршневых колец

0.020"O SZ

1шт.

VOE 1697707

Поршень

0.010"O SZ

1шт.

10

VOE 1697703

Прокладка

1шт.

13

VOE 1518353

Коленчатый вал (коленвал)

1шт.

14

VOE 7011014

Ball Bearing

1шт.

14

VOE 7011014

Ball Bearing

1шт.

15

VOE 7346520

Lock Ring

1шт.

16

VOE 1518354

Spacer Ring

1шт.

17

VOE 1518355

Гайка

1шт.

18

VOE 1517545

Key

1шт.

19

VOE 1518356

Connecting Rod

1шт.

2

VOE 1518347

Valve seat

1шт.

20

VOE 1518357

Болт

1шт.

21

VOE 7328738

Стопорная шайба (кольцо)

1шт.

22

VOE 1697706

Поршень

STD

1шт.

27

VOE 1518371

Кольцо стопорное

1шт.

28

VOE 3090473

Valve Plate

1шт.

29

VOE 1697704

Прокладка

1шт.

3

VOE 1518346

Блок цилиндров

1шт.

30

VOE 1518374

Головка блока цилиндров

1шт.

31

VOE 1697705

Прокладка

1шт.

32

VOE 1518376

Болт

1шт.

34

VOE 1518378

Lock Pin

1шт.

38

VOE 1518686

Кольцо уплотнительное (О-кольцо)

1шт.

4

VOE 1696200

Cap

1шт.

40

VOE 11000155

Pressure Plate

1шт.

44

VOE 479979

Пробка (заглушка)

1шт.

45

VOE 3090471

Ремкомплект

1шт.

46

VOE 272896

Комплект поршневых колец

STD

1шт.

5

VOE 1518350

Втулка

1шт.

6

VOE 1696201

Кольцо уплотнительное (О-кольцо)

1шт.

Выбрано товаров: 36