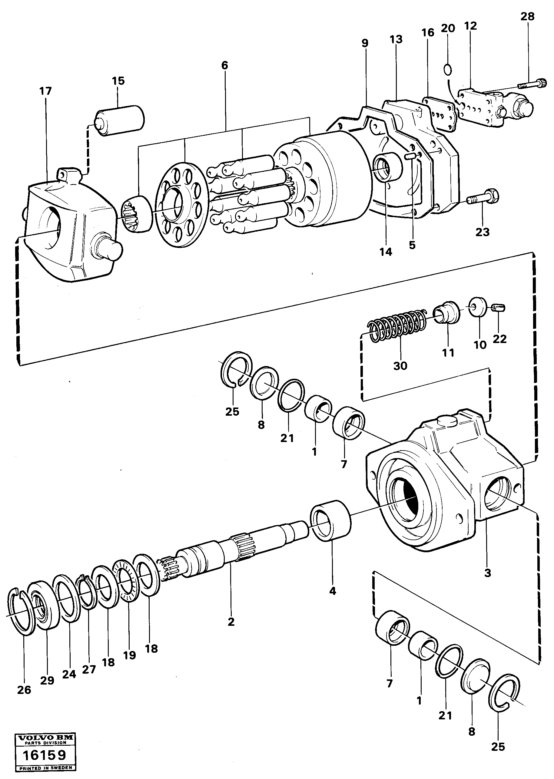
Запчасти Volvo 5350B Volvo BM 5350B SER NO 2229 - 3999 20825 Гидронасос (основной насос)

Схема запчастей Volvo 5350B Volvo BM 5350B SER NO 2229 - 3999 - 20825 Гидронасос (основной насос)
FIT
1:1
100%

Артикул

Название

Примечание

Количество

VOE 4881425

Piston pump

1шт.

VOE 4881425

Piston pump

1шт.

VOE 4881426

Piston pump

1шт.

VOE 4881426

Piston pump

1шт.

VOE 6213200

Compensator

1шт.

VOE 6630825

Ремкомплект

INCL. POS. 6,13

1шт.

VOE 6630826

Ремкомплект

INCL. POS. 6,13

1шт.

VOE 6211194

Gasket Kit

1шт.

VOE 6212781

Clutch Ring

1шт.

VOE 6213314

Крышка

1шт.

1

VOE 6211188

Bearing Race

1шт.

10

VOE 11992159

Support Washer

1шт.

10

VOE 11992159

Support Washer

1шт.

11

VOE 11992160

Spring Seat

1шт.

12

VOE 6213058

Compensator

1шт.

13

VOE 6212780

Clutch Ring

1шт.

14

VOE 6647737

Подшипник

1шт.

17

VOE 6211193

Cam Disc

1шт.

18

VOE 6211197

Bearing Race

1шт.

19

VOE 6211198

Thrust Bearing

1шт.

2

VOE 6211189

Вал

1шт.

22

VOE 13951961

Spring Pin

1шт.

22

VOE 13951961

Spring Pin

1шт.

23

VOE 955535

Винт шестигранник

1шт.

23

VOE 955535

Винт шестигранник

1шт.

28

VOE 943160

Болт

1шт.

29

VOE 11992092

Сальник

1шт.

30

VOE 11992161

Пружина

1шт.

4

VOE 6211195

Needle Bearing

1шт.

6

VOE 6211190

Rotor Kit

1шт.

7

VOE 6211196

Needle Bearing

1шт.

8

VOE 6211191

Cap

1шт.

Выбрано товаров: 32