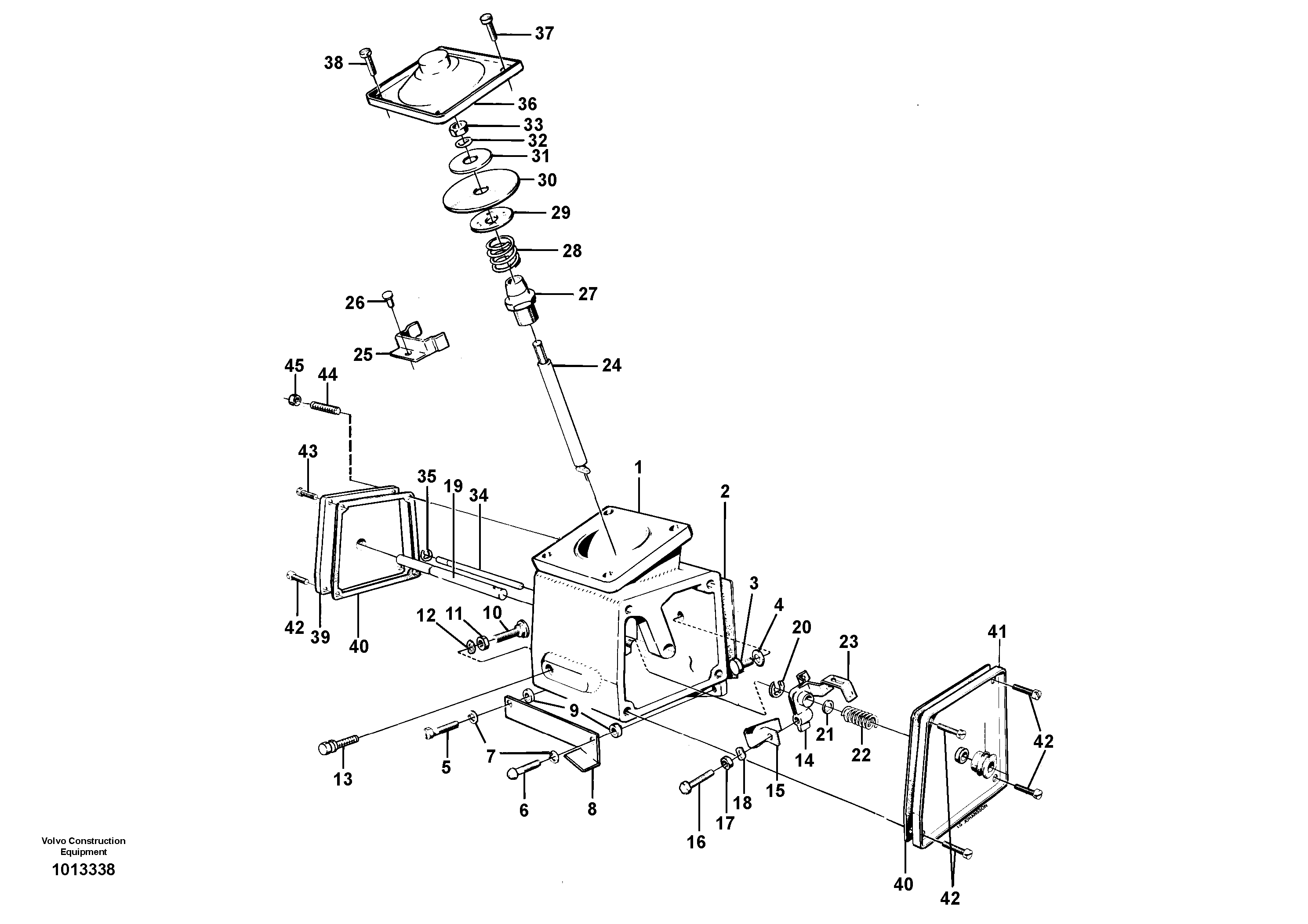
Запчасти Volvo 5350B Volvo BM 5350B SER NO 2229 - 3999 18855 Smoke limiter td 71 g, td 71 ga

Схема запчастей Volvo 5350B Volvo BM 5350B SER NO 2229 - 3999 - 18855 Smoke limiter td 71 g, td 71 ga
FIT
1:1
100%

Артикул

Название

Примечание

Количество

VOE 243257

Smoke Limiter

1шт.

VOE 243257

Smoke Limiter

1шт.

10

VOE 863823

Болт

1шт.

10

VOE 863823

Болт

1шт.

11

VOE 13955781

Гайка

1шт.

11

VOE 13955781

Гайка

1шт.

12

VOE 13941906

Шайба

1шт.

12

VOE 13941906

Шайба

1шт.

13

VOE 243074

Болт

1шт.

13

VOE 243074

Болт

1шт.

14

VOE 7241782

Lever

1шт.

15

VOE 7243260

Пружина

1шт.

15

VOE 7243260

Spring

1шт.

16

VOE 243827

Болт

1шт.

16

VOE 243827

Болт

1шт.

17

VOE 13955781

Гайка

1шт.

17

VOE 13955781

Гайка

1шт.

18

VOE 13941906

Шайба

1шт.

18

VOE 13941906

Шайба

1шт.

19

VOE 241783

Вал

1шт.

19

VOE 241783

Вал

1шт.

2

VOE 1698172

Прокладка

1шт.

2

VOE 1698172

Прокладка

1шт.

20

VOE 13951669

Retaining ring

1шт.

20

VOE 13951669

Retaining ring

1шт.

21

VOE 233816

Шайба

1шт.

21

VOE 233816

Шайба

1шт.

22

VOE 7241787

Пружина

1шт.

23

VOE 7241780

Вилка

1шт.

23

VOE 7241780

Yoke

1шт.

24

VOE 7241771

Control rod

1шт.

25

VOE 837741

Spring

1шт.

25

VOE 837741

Пружина

1шт.

26

VOE 837744

Guard

1шт.

26

VOE 837744

Guard

1шт.

28

VOE 243258

Пружина

1шт.

28

VOE 243258

Пружина

1шт.

29

VOE 241774

Пружина

1шт.

29

VOE 241774

Пружина

1шт.

3

VOE 13955294

Болт

1шт.

3

VOE 13955294

Болт

1шт.

30

VOE 241775

Diaphragm

1шт.

30

VOE 241775

Diaphragm

1шт.

31

VOE 7241776

Шайба

1шт.

32

VOE 13941906

Шайба

1шт.

32

VOE 13941906

Шайба

1шт.

33

VOE 13955781

Гайка

1шт.

33

VOE 13955781

Гайка

1шт.

34

VOE 7241788

Палец

1шт.

35

VOE 951667

Retaining ring

1шт.

35

VOE 951667

Retaining ring

1шт.

37

VOE 14014666

Болт

1шт.

37

VOE 14014666

Болт

1шт.

38

VOE 14014666

Болт

1шт.

38

VOE 14014666

Болт

1шт.

39

VOE 7241789

Крышка

1шт.

4

VOE 7241794

Шайба

1шт.

40

VOE 1698171

Прокладка

1шт.

40

VOE 1698171

Прокладка

1шт.

41

VOE 241791

Крышка

1шт.

41

VOE 241791

Крышка

1шт.

42

VOE 956092

X Rec Screw

1шт.

42

VOE 956092

X Rec Screw

1шт.

43

VOE 7239318

Болт

1шт.

44

VOE 243273

Шпилька

1шт.

45

VOE 13955781

Гайка

1шт.

45

VOE 13955781

Гайка

1шт.

46

VOE 241792

Bellows

1шт.

46

VOE 241792

Bellows

1шт.

5

VOE 956096

X Rec Screw

1шт.

5

VOE 956096

X Rec Screw

1шт.

6

VOE 244741

Болт

1шт.

6

VOE 244741

Болт

1шт.

7

VOE 13941906

Шайба

1шт.

7

VOE 13941906

Шайба

1шт.

8

VOE 7241648

Indicator hand

1шт.

8

VOE 7241648

Indicator hand

1шт.

9

VOE 7241795

Шайба

1шт.

9

VOE 7241795

Washer

1шт.

Выбрано товаров: 79