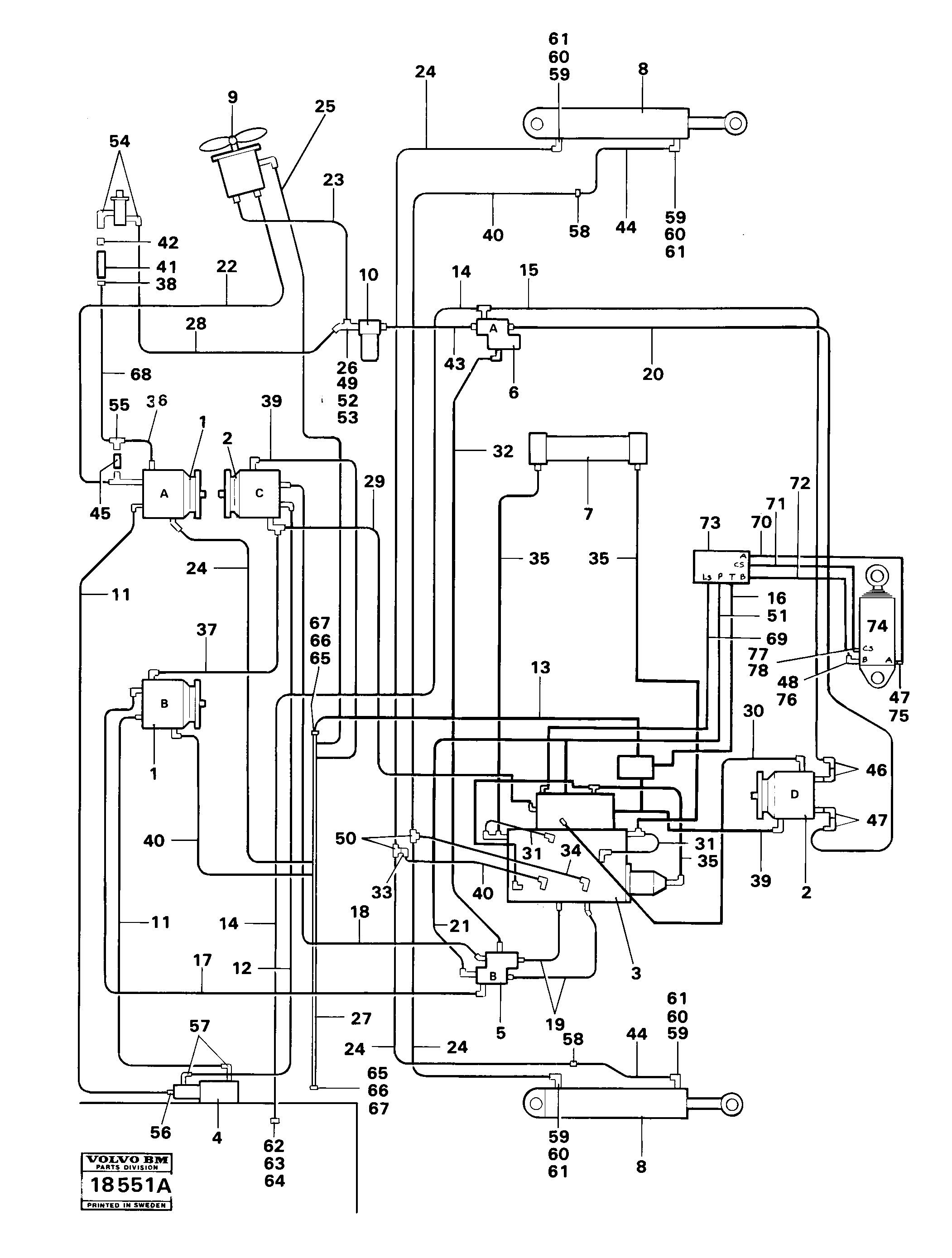
Запчасти Volvo 5350B Volvo BM 5350B SER NO 2229 - 3999 99006 Pipes, hoses and joints

Схема запчастей Volvo 5350B Volvo BM 5350B SER NO 2229 - 3999 - 99006 Pipes, hoses and joints
FIT
1:1
100%

Артикул

Название

Примечание

Количество

VOE 932633

Hose assembly

SER NO 2890 -

1шт.

VOE 13933224

Hose assembly

SER NO 2890 -

1шт.

VOE 4965555

Reduction

SER NO 2890 -

1шт.

VOE 4821775

Screw Bushing

1шт.

VOE 4821775

Screw Bushing

1шт.

VOE 932632

Hose assembly

SER NO 2890 -

1шт.

VOE 13949574

Кольцо уплотнительное (О-кольцо)

1шт.

VOE 13949574

Кольцо уплотнительное (О-кольцо)

1шт.

VOE 930032

Testing nipple

1шт.

VOE 930032

Testing nipple

1шт.

VOE 932382

Hose assembly

SER NO 2890 -

1шт.

VOE 932382

Hose assembly

SER NO 2890 -

1шт.

VOE 4965524

Return pipe

SER NO 2890 -

1шт.

VOE 4821777

Restricting washer

1шт.

VOE 4821885

Clutch

SER NO 2890 -

1шт.

VOE 932630

Hose assembly

SER NO 2890 -

1шт.

VOE 932630

Hose assembly

SER NO 2890 -

1шт.

VOE 931215

Back-up ring

1шт.

VOE 931215

Back-up ring

1шт.

VOE 932644

Hose assembly

SER NO 2890 -

1шт.

VOE 4881697

4881697

1шт.

VOE 931208

Кольцо уплотнительное (О-кольцо)

1шт.

VOE 931208

Кольцо уплотнительное (О-кольцо)

1шт.

VOE 931539

Hose assembly

SER NO 2890 -

1шт.

VOE 4821777

Restricting washer

1шт.

1

VOE 4881425

Piston pump

1шт.

1

VOE 4881425

Piston pump

1шт.

11

VOE 4864300

Hose assembly

1шт.

12

VOE 932155

Hose assembly

SER NO - 2889

1шт.

13

VOE 932632

Hose assembly

1шт.

14

VOE 931059

Hose assembly

1шт.

15

VOE 931632

Hose assembly

1шт.

16

VOE 932345

Hose assembly

1шт.

17

VOE 931542

Hose assembly

1шт.

18

VOE 932630

Hose assembly

1шт.

18

VOE 932630

Hose assembly

1шт.

19

VOE 931539

Hose assembly

1шт.

2

VOE 4881426

Piston pump

1шт.

2

VOE 4881426

Piston pump

1шт.

20

VOE 931999

Hose assembly

1шт.

21

VOE 931541

Hose assembly

1шт.

21

VOE 931541

Hose assembly

1шт.

22

VOE 931951

Hose assembly

1шт.

23

VOE 931053

Hose assembly

1шт.

24

VOE 928194

Hose assembly

1шт.

25

VOE 931052

Hose assembly

1шт.

26

VOE 4785906

Гайка

SER NO - 2889

1шт.

26

VOE 4785906

Гайка

SER NO - 2889

1шт.

27

VOE 4941906

Return pipe

SER NO - 2889

1шт.

28

VOE 931342

Hose assembly

SER NO - 2889

1шт.

29

VOE 932385

Hose assembly

1шт.

30

VOE 932384

Hose assembly

1шт.

30

VOE 932384

Hose assembly

1шт.

31

VOE 932382

Hose assembly

1шт.

31

VOE 932382

Hose assembly

1шт.

32

VOE 4941928

Трубка

SER NO - 2889

1шт.

33

VOE 4821880

L-connection

SER NO - 2889

1шт.

33

VOE 4821880

L-connection

SER NO - 2889

1шт.

34

VOE 931849

Hose assembly

1шт.

35

VOE 932381

Hose assembly

1шт.

35

VOE 932381

Hose assembly

1шт.

36

VOE 931340

Hose assembly

1шт.

37

VOE 932383

Hose assembly

1шт.

37

VOE 932383

Hose assembly

1шт.

38

VOE 931223

Nipple

1шт.

38

VOE 931223

Nipple

1шт.

39

VOE 928194

Hose assembly

SER NO - 2889

1шт.

40

VOE 931869

Hose assembly

1шт.

40

VOE 931869

Hose assembly

1шт.

41

VOE 4940441

Venturi

SEE GROUP 26

1шт.

42

VOE 4821892

Clutch

1шт.

43

VOE 4823484

Трубка

SER NO - 2889

1шт.

44

VOE 4823756

Трубка

1шт.

45

VOE 4821812

Reduction

SEE GROUP 26

1шт.

46

VOE 4821877

L-connection

1шт.

46

VOE 4821877

L-connection

1шт.

47

VOE 4821878

L-connection

1шт.

47

VOE 4821878

L-connection

1шт.

48

VOE 4821880

L-connection

1шт.

48

VOE 4821880

L-connection

1шт.

49

VOE 4940200

Clutch

SER NO - 2889

1шт.

50

VOE 931268

Nipple

1шт.

51

VOE 932287

Hose assembly

1шт.

51

VOE 932287

Hose assembly

1шт.

52

VOE 4821858

T-nipple

SER NO - 2889

1шт.

52

VOE 4821858

T-nipple

SER NO - 2889

1шт.

53

VOE 4821848

Nipple

SER NO - 2889

1шт.

54

VOE 4931556

4931556

1шт.

55

VOE 931244

T-nipple

1шт.

56

VOE 4821834

Nipple

1шт.

57

VOE 4821785

Clutch

1шт.

58

VOE 929314

929314

1шт.

59

VOE 945777

Кольцо уплотнительное (О-кольцо)

1шт.

60

VOE 4784000

Pipe connection

1шт.

61

VOE 959222

Allen Hd Screw

1шт.

62

VOE 927947

Flange half

1шт.

62

VOE 927947

Flange half

1шт.

63

VOE 13948700

Кольцо уплотнительное (О-кольцо)

1шт.

63

VOE 13948700

Кольцо уплотнительное (О-кольцо)

1шт.

64

VOE 955535

Винт шестигранник

1шт.

64

VOE 955535

Винт шестигранник

1шт.

65

VOE 926885

Flange half

1шт.

65

VOE 926885

Flange half

1шт.

66

VOE 944708

Кольцо уплотнительное (О-кольцо)

1шт.

66

VOE 944708

Кольцо уплотнительное (О-кольцо)

1шт.

67

VOE 955561

Винт шестигранник

1шт.

67

VOE 955561

Винт шестигранник

1шт.

68

VOE 932382

Hose assembly

1шт.

68

VOE 932382

Hose assembly

1шт.

69

VOE 932384

Hose assembly

1шт.

69

VOE 932384

Hose assembly

1шт.

70

VOE 931542

Hose assembly

1шт.

71

VOE 932157

Hose assembly

1шт.

71

VOE 932157

Hose assembly

1шт.

72

VOE 931951

Hose assembly

1шт.

75

VOE 4881037

Clutch

1шт.

76

VOE 931227

Nipple

1шт.

76

VOE 931227

Nipple

1шт.

77

VOE 4821879

Clutch

1шт.

78

VOE 4821831

Nipple

1шт.

78

VOE 4821831

Nipple

1шт.

Выбрано товаров: 121