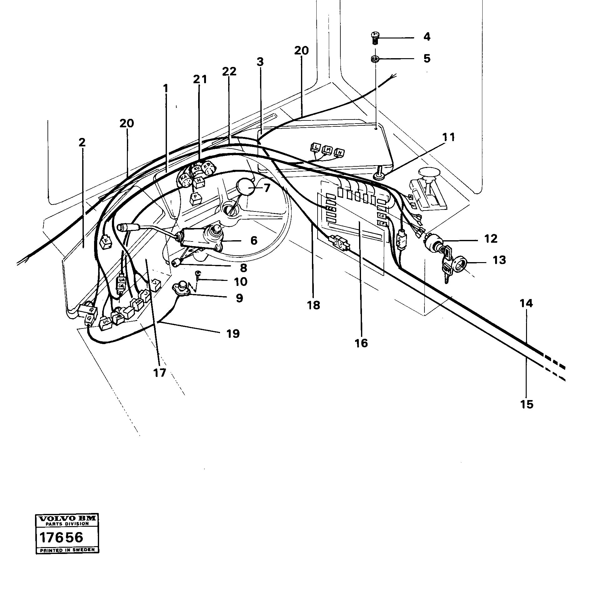
Запчасти Volvo 5350B Volvo BM 5350B SER NO 2229 - 3999 11797 Electrical system, cab

Схема запчастей Volvo 5350B Volvo BM 5350B SER NO 2229 - 3999 - 11797 Electrical system, cab
FIT
1:1
100%

Артикул

Название

Примечание

Количество

VOE 1578121

Starter switch

1шт.

VOE 1581255

Key

1шт.

10

VOE 955122

Cross recessed screw

1шт.

11

VOE 4787446

4787446

1шт.

12

VOE 1590738

Starter switch

1шт.

13

VOE 1581184

Гайка

1шт.

14

VOE 4823056

4823056

1шт.

15

VOE 4940822

4940822

1шт.

18

VOE 4940823

4940823

1шт.

19

VOE 4823014

Cable harness

1шт.

20

VOE 11061563

11061563

1шт.

21

VOE 4823016

Cable harness

1шт.

22

VOE 4941452

Cable harness

1шт.

4

VOE 947631

Прокладка

1шт.

5

VOE 955892

Шайба

1шт.

5

VOE 955892

Шайба

1шт.

6

VOE 11192582

Переключатель

1шт.

7

VOE 7631020

Horn button

1шт.

7

VOE 7631020

Horn button

1шт.

8

VOE 323136

Collecting shoe

1шт.

8

VOE 323136

Collecting shoe

1шт.

9

VOE 1502073

Contact

1шт.

Выбрано товаров: 22