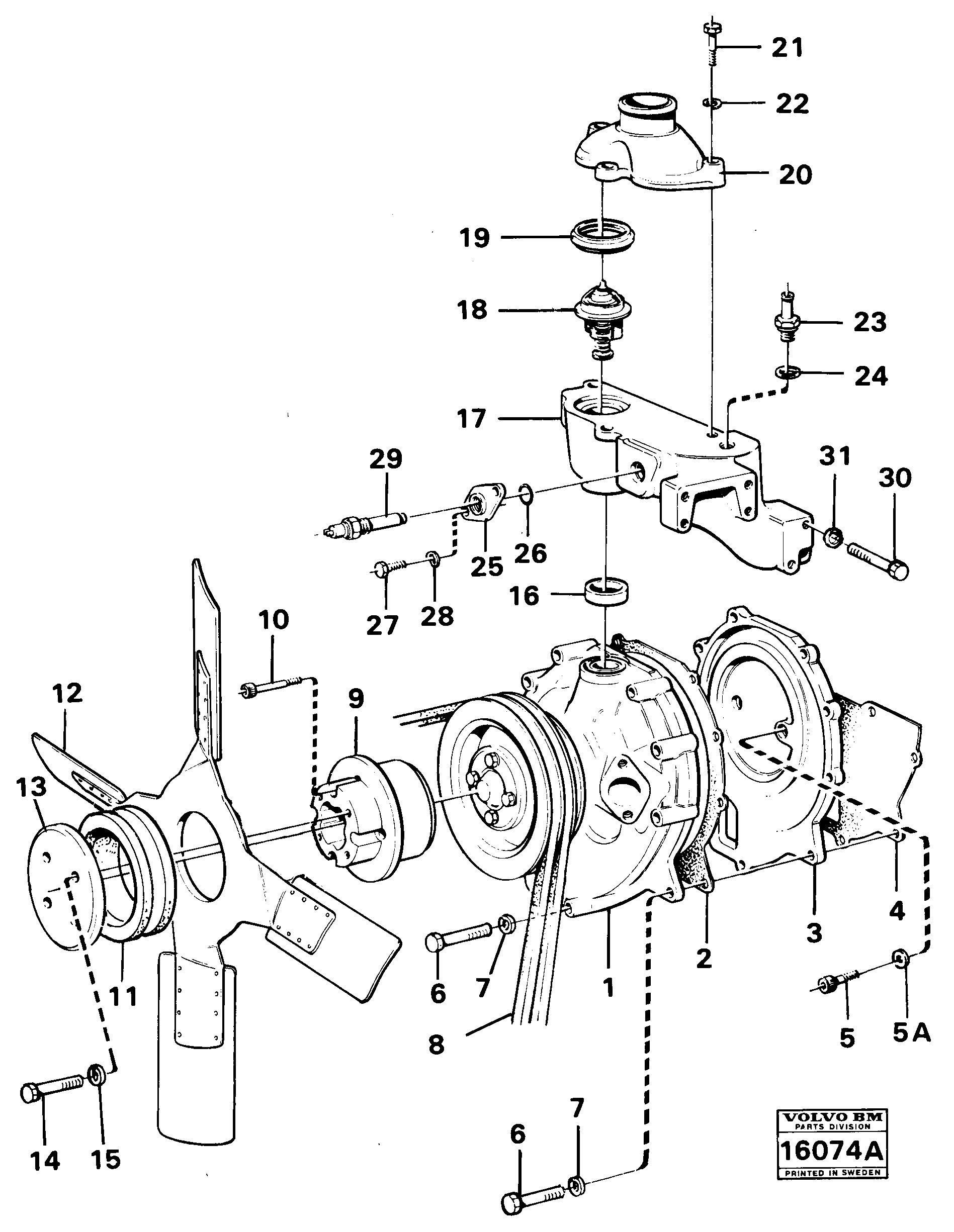
Запчасти Volvo 861 861 12319 Water pump with fitting parts

Схема запчастей Volvo 861 861 - 12319 Water pump with fitting parts
FIT
1:1
100%

Артикул

Название

Примечание

Количество

VOE 13955894

Шайба

SER NO 58685-

1шт.

VOE 13955894

Шайба

SER NO 58685-

1шт.

VOE 1544098

Термостат

1шт.

VOE 1544098

Термостат

1шт.

VOE 955526

Болт

L=51MM

1шт.

VOE 955526

Винт шестигранник

L=51MM

1шт.

VOE 422493

Ступица

1шт.

VOE 422493

Ступица

1шт.

VOE 956576

Болт

1шт.

VOE 4774885

Вентилятор

SER NO 58685-

1шт.

VOE 4773693

Шайба

1шт.

VOE 4773693

Шайба

1шт.

VOE 6630830

Ремкомплект

1шт.

VOE 6630830

Ремкомплект

1шт.

VOE 955297

Винт шестигранник

1шт.

VOE 955297

Винт шестигранник

1шт.

VOE 955525

Винт шестигранник

SER NO 58685-

1шт.

VOE 955525

Винт шестигранник

SER NO 58685-

1шт.

VOE 4773663

Ступица

1шт.

VOE 1661361

Проставка резиновая (между колес)

1шт.

VOE 1661361

Проставка резиновая (между колес)

1шт.

VOE 940186

Винт шестигранник

L=38MM

1шт.

VOE 940186

Винт шестигранник

L=38MM

1шт.

VOE 13940136

Болт

L=64MM

1шт.

VOE 13940136

Болт

L=64MM

1шт.

10

VOE 956576

Болт

SER NO -58684

1шт.

11

VOE 1661361

Проставка резиновая (между колес)

1шт.

11

VOE 1661361

Проставка резиновая (между колес)

1шт.

12

VOE 476716

Вентилятор

1шт.

13

VOE 4773693

Шайба

SER NO -58684

1шт.

13

VOE 4773693

Шайба

SER NO -58684

1шт.

14

VOE 955297

Винт шестигранник

SER NO -58684

1шт.

14

VOE 955297

Винт шестигранник

SER NO -58684

1шт.

15

VOE 13955894

Шайба

SER NO -58684

1шт.

15

VOE 13955894

Шайба

SER NO -58684

1шт.

16

VOE 420162

Кольцо уплотнительное

1шт.

16

VOE 420162

Кольцо уплотнительное

1шт.

17

VOE 465052

Thermostat Housing

1шт.

17

VOE 465052

Thermostat Housing

1шт.

18

VOE 1544097

Термостат

1шт.

18

VOE 1544097

Термостат

1шт.

19

VOE 416033

Прокладка

1шт.

19

VOE 416033

Прокладка

1шт.

2

VOE 4773570

Прокладка

1шт.

2

VOE 4773570

Прокладка

1шт.

20

VOE 420155

Трубка

1шт.

20

VOE 420155

Трубка

1шт.

21

VOE 13940162

Болт

1шт.

21

VOE 13940162

Болт

1шт.

22

VOE 13942336

Шайба пружинная

1шт.

22

VOE 13942336

Шайба пружинная

1шт.

23

VOE 4773655

Nipple

1шт.

23

VOE 4773655

Nipple

1шт.

24

VOE 957179

Прокладка

1шт.

24

VOE 957179

Plane Gasket

1шт.

25

VOE 4770109

Фланец

1шт.

25

VOE 4770109

Фланец

1шт.

26

VOE 949658

Кольцо уплотнительное (О-кольцо)

1шт.

26

VOE 949658

Кольцо уплотнительное (О-кольцо)

1шт.

27

VOE 955524

Винт шестигранник

1шт.

27

VOE 955524

Винт шестигранник

1шт.

28

VOE 13941907

Шайба пружинная

1шт.

28

VOE 13941907

Шайба

1шт.

29

VOE 4780329

Temp Sensor

1шт.

3

VOE 4773467

Пластина

1шт.

3

VOE 4773467

Plate

1шт.

30

VOE 955539

Винт шестигранник

1шт.

30

VOE 955539

Винт шестигранник

1шт.

31

VOE 13942336

Шайба пружинная

1шт.

31

VOE 13942336

Шайба пружинная

1шт.

4

VOE 4773571

Прокладка

1шт.

4

VOE 4773571

Прокладка

1шт.

5

VOE 956569

Болт

1шт.

5A

VOE 947620

Прокладка

1шт.

5A

VOE 947620

Прокладка

1шт.

6

VOE 940161

Винт шестигранник

L=45MM

1шт.

6

VOE 940161

Винт шестигранник

L=45MM

1шт.

7

VOE 13941907

Шайба пружинная

1шт.

7

VOE 13941907

Шайба

1шт.

8

VOE 967204

Ремень клиновой (приводной)

SER NO -57369

1шт.

9

VOE 4773663

Ступица

SER NO -58684

1шт.

Выбрано товаров: 81