Запчасти Volvo 861 861 21917 Вал карданный

Схема запчастей Volvo 861 861 - 21917 Вал карданный
FIT
1:1
100%

Артикул

Название

Примечание

Количество

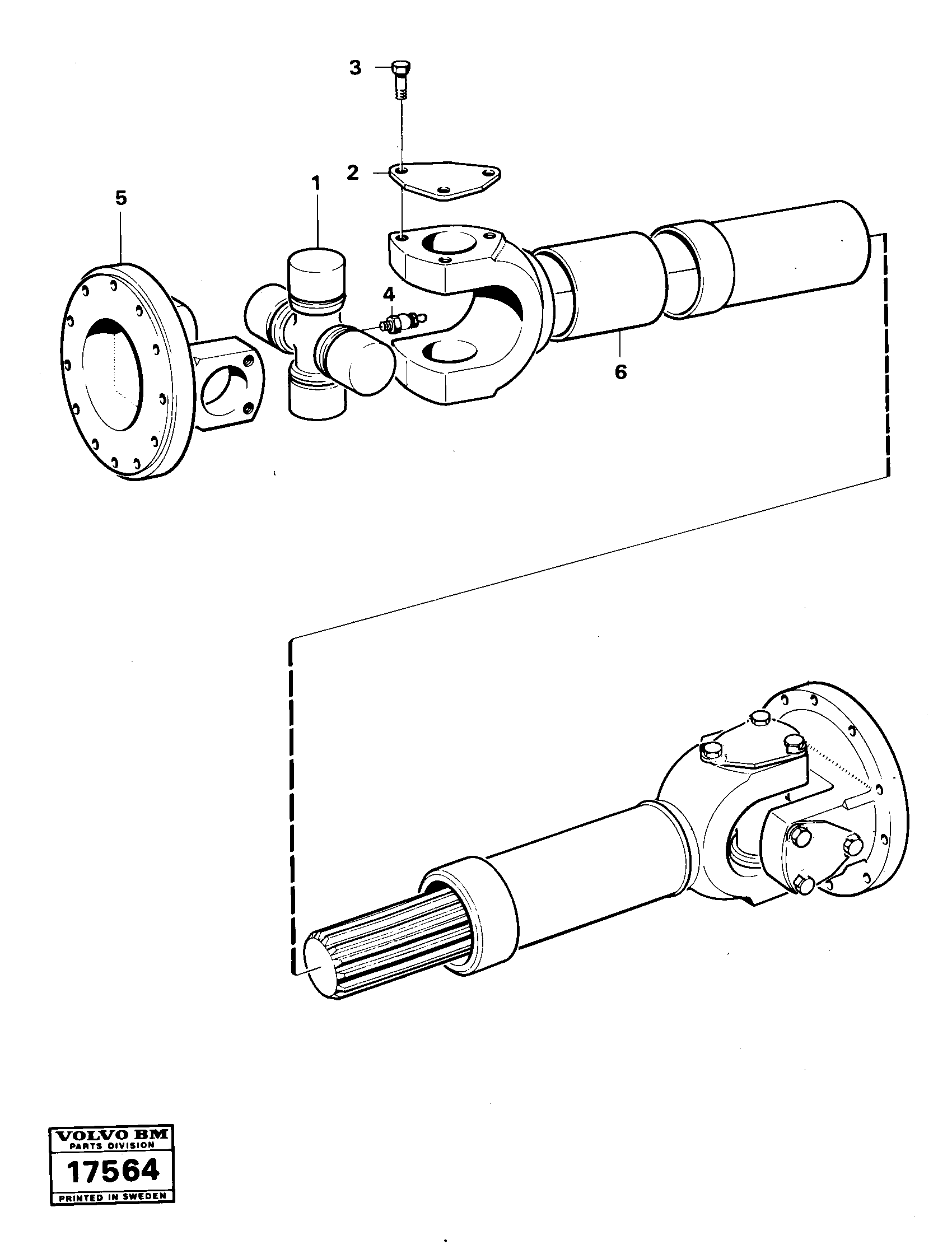
VOE 4941234

Вал карданный

1шт.

VOE 4941234

Вал карданный

1шт.

VOE 4941235

Вал карданный

1шт.

VOE 6213199

Фланец

1шт.

VOE 6213199

Flange Bearing

1шт.

1

VOE 1651032

Крестовина

1шт.

1

VOE 1651032

Крестовина

1шт.

2

VOE 1651033

Стопорная шайба (кольцо)

1шт.

2

VOE 1651033

Стопорная шайба (кольцо)

1шт.

3

VOE 13949734

Винт шестигранник

1шт.

3

VOE 13949734

Винт шестигранник

1шт.

4

VOE 914170

Nipple

1шт.

4

VOE 914170

Nipple

1шт.

5

VOE 6212890

Flange Bearing

1шт.

Выбрано товаров: 14