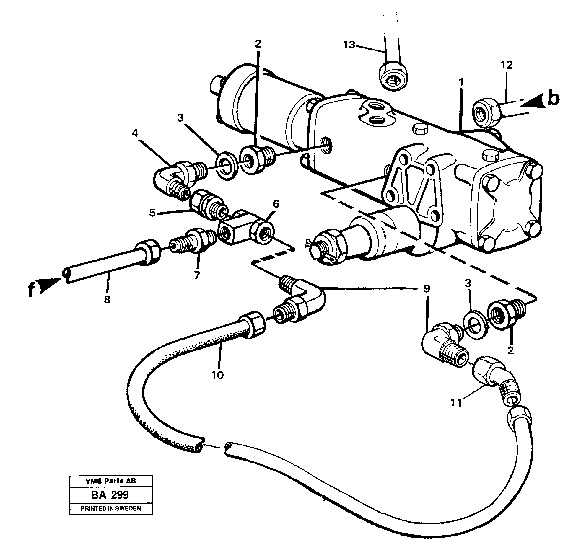
Запчасти Volvo A20 VOLVO BM A20 41595 Steering gear with connecting parts

Схема запчастей Volvo A20 VOLVO BM A20 - 41595 Steering gear with connecting parts
FIT
1:1
100%

Артикул

Название

Примечание

Количество

VOE 931209

Кольцо уплотнительное (О-кольцо)

1шт.

VOE 931209

Кольцо уплотнительное (О-кольцо)

1шт.

10

VOE 932381

Hose assembly

L=370

1шт.

10

VOE 932381

Hose assembly

L=370

1шт.

11

VOE 4940200

Clutch

1шт.

2

VOE 11053136

Reduction nipple

1шт.

3

VOE 14013070

Sealing washer

1шт.

3

VOE 14013070

Sealing washer

1шт.

4

VOE 931232

Nipple

1шт.

4

VOE 931232

Nipple

1шт.

5

VOE 11043044

Clutch

1шт.

6

VOE 4864314

Челночный клапан

1шт.

6

VOE 4864314

Челночный клапан

1шт.

7

VOE 4821831

Nipple

1шт.

7

VOE 4821831

Nipple

1шт.

9

VOE 4931556

4931556

1шт.

Выбрано товаров: 16