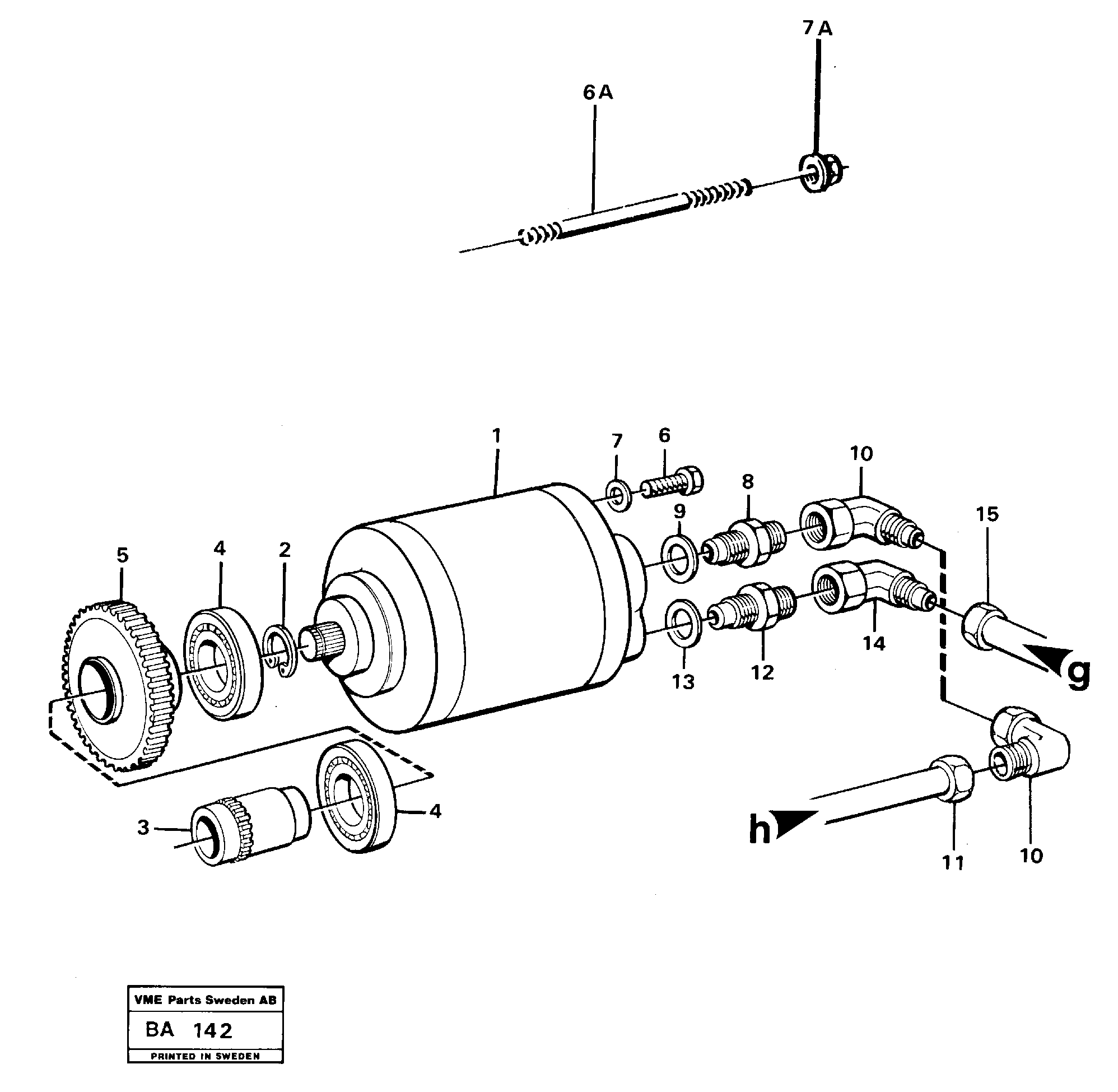
Запчасти Volvo A20 VOLVO BM A20 85457 Hydraulic oil pump with fitting parts and connecting parts

Схема запчастей Volvo A20 VOLVO BM A20 - 85457 Hydraulic oil pump with fitting parts and connecting parts
FIT
1:1
100%

Артикул

Название

Примечание

Количество

VOE 11036244

Вал

SER NO 1812 -

1шт.

VOE 6212626

Sealing kit

1шт.

VOE 6212626

Sealing kit

1шт.

VOE 6212627

Small parts kit

1шт.

VOE 6212627

Small parts kit

1шт.

1

VOE 4880944

Гидронасос (основной насос)

1шт.

1

VOE 4880944

Гидронасос (основной насос)

1шт.

10

VOE 4821877

L-connection

1шт.

10

VOE 4821877

L-connection

1шт.

12

VOE 11090942

Nipple

1шт.

12

VOE 11090942

Nipple

1шт.

13

VOE 13947627

Plane gasket

1шт.

13

VOE 13947627

Plane gasket

1шт.

14

VOE 4821878

L-connection

1шт.

14

VOE 4821878

L-connection

1шт.

2

VOE 914544

Кольцо стопорное

1шт.

2

VOE 914544

Retaining ring

1шт.

3

VOE 4871636

Вал

SER NO - 1811

1шт.

4

VOE 7011017

Ball bearing

1шт.

4

VOE 7011017

Ball bearing

1шт.

5

VOE 4871641

Gear

1шт.

6

VOE 955312

Винт шестигранник

SER NO - 2405

1шт.

6

VOE 955312

Винт шестигранник

SER NO - 2405

1шт.

6A

VOE 13974849

Control rod

SER NO 2406 -

1шт.

7

VOE 949115

Шайба

SER NO - 2405

1шт.

7

VOE 949115

Шайба

SER NO - 2405

1шт.

7A

VOE 13945408

Гайка

SER NO 2406 -

1шт.

7A

VOE 13945408

Гайка

SER NO 2406 -

1шт.

8

VOE 11043043

Nipple

1шт.

9

VOE 13947630

Прокладка

1шт.

9

VOE 13947630

Прокладка

1шт.

Выбрано товаров: 31