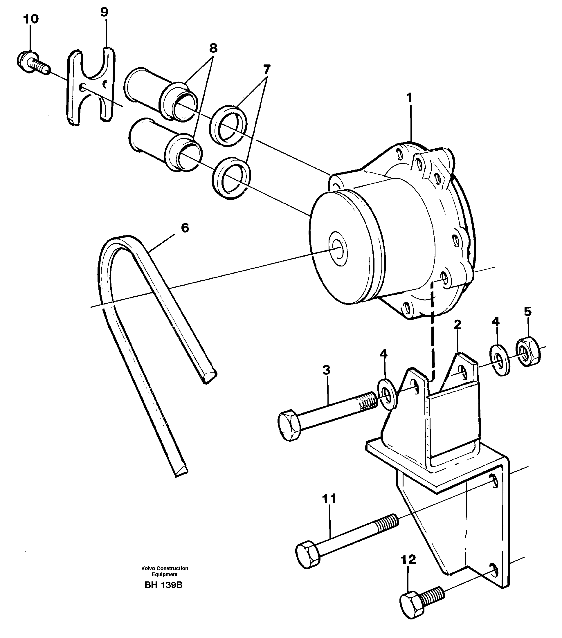
Запчасти Volvo A20C 56751 Waterpump, assembly A20C VOLVO BM VOLVO BM A20C SER NO - 3051

Схема запчастей Volvo A20C - 56751 Waterpump, assembly A20C VOLVO BM VOLVO BM A20C SER NO - 3051
FIT
1:1
100%

Артикул

Название

Примечание

Количество

VOE 970977

Винт шестигранник

ENG 85573 - 87094

1шт.

VOE 970977

Винт шестигранник

ENG 85573 - 87094

1шт.

VOE 946473

Flange screw

ENG 85573 -

1шт.

VOE 946473

Flange screw

ENG 85573 -

1шт.

VOE 13948039

Flange screw

ENG 87095 -

1шт.

VOE 13948039

Flange screw

ENG 87095 -

1шт.

10

VOE 13946934

Болт

1шт.

10

VOE 13946934

Болт

1шт.

11

VOE 13965190

Болт

1шт.

11

VOE 13965190

Болт

1шт.

12

VOE 946441

Flange screw

1шт.

12

VOE 946441

Flange screw

1шт.

2

VOE 11032640

11032640

1шт.

3

VOE 970977

Винт шестигранник

ENG - 85572

1шт.

3

VOE 970977

Винт шестигранник

ENG - 85572

1шт.

4

VOE 13955897

Шайба

1шт.

4

VOE 13955897

Шайба

1шт.

5

VOE 13971072

Hexagon nut

1шт.

5

VOE 13971072

Hexagon nut

1шт.

6

VOE 13967119

Ремень клиновой (приводной)

1шт.

7

VOE 11030751

Кольцо уплотнительное

1шт.

7

VOE 11030751

Кольцо уплотнительное

1шт.

8

VOE 11030746

Tube End

1шт.

9

VOE 11030747

Стопорная шайба (кольцо)

1шт.

9

VOE 11030747

Стопорная шайба (кольцо)

1шт.

Выбрано товаров: 25