Запчасти Volvo A20C 56763 Instrument panel, left A20C VOLVO BM VOLVO BM A20C SER NO - 3051

Схема запчастей Volvo A20C - 56763 Instrument panel, left A20C VOLVO BM VOLVO BM A20C SER NO - 3051
FIT
1:1
100%

Артикул

Название

Примечание

Количество

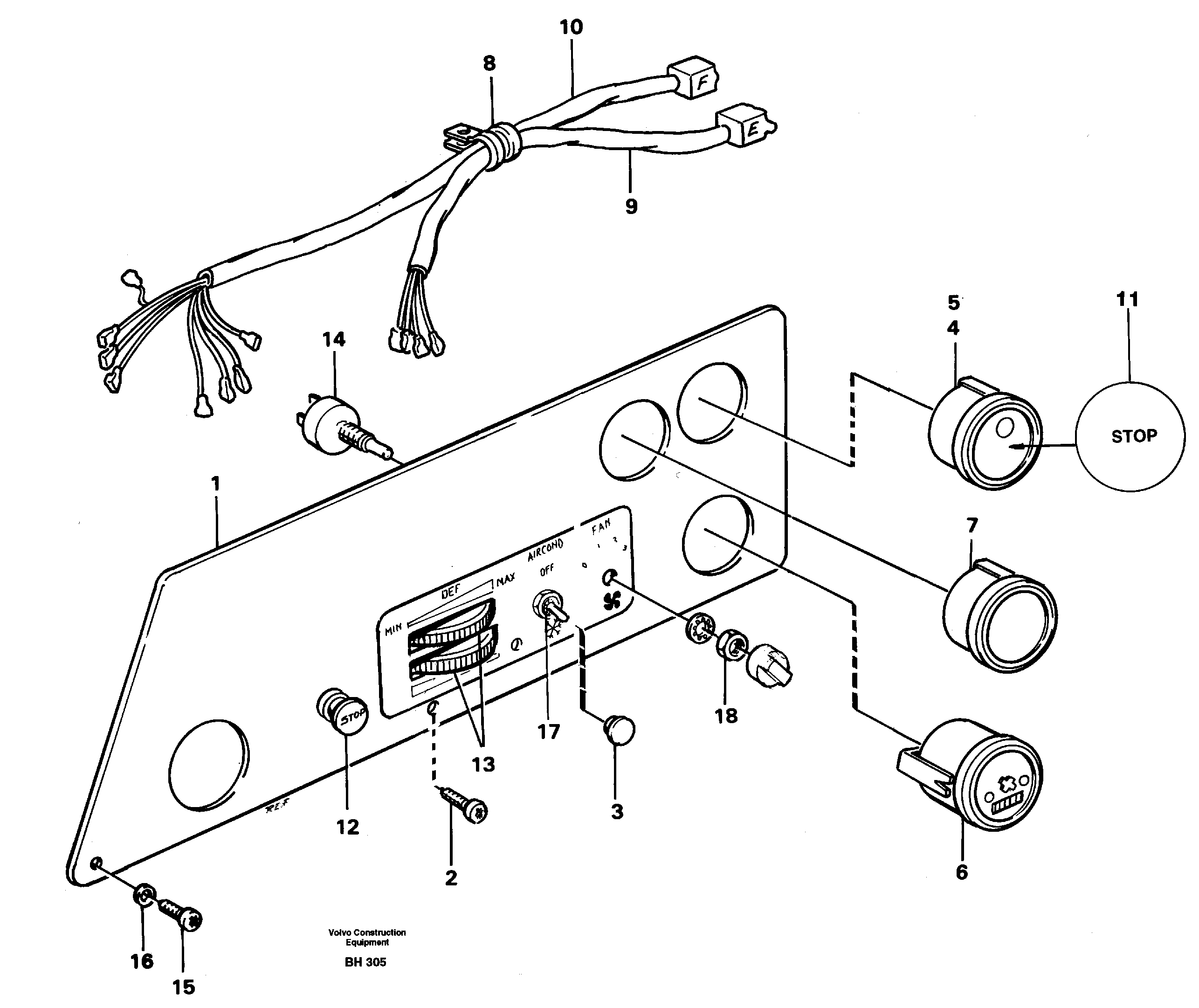
1

VOE 11058634

Instrument panel

1шт.

11

VOE 13935054

Warning decal

1шт.

14

VOE 4803821

4803821

1шт.

15

VOE 13947361

Болт

1шт.

15

VOE 13947361

Болт

1шт.

16

VOE 4951928

Washer

1шт.

16

VOE 4951928

Шайба

1шт.

17

VOE 4786696

Переключатель

1шт.

18

VOE 13942914

Гайка

1шт.

18

VOE 13942914

Гайка

1шт.

2

VOE 969278

Винт шестигранник (торцевой ключ)

1шт.

2

VOE 969278

Винт шестигранник (торцевой ключ)

1шт.

3

VOE 941266

Пробка (заглушка)

1шт.

3

VOE 941266

Пробка (заглушка)

1шт.

4

VOE 11713937

Lamp

Centr. varn. / warn

1шт.

5

VOE 182059

Bulb

1шт.

5

VOE 182059

Bulb

1шт.

6

VOE 4803195

Hour counter

1шт.

7

VOE 11062740

Temperature gauge

ZF-Trans

1шт.

8

VOE 952628

Зажим

1шт.

8

VOE 952628

Зажим

1шт.

Выбрано товаров: 21