Запчасти Volvo A25B A25B 50327 Air-conditioning compressor, fitting

Схема запчастей Volvo A25B A25B - 50327 Air-conditioning compressor, fitting
FIT
1:1
100%

Артикул

Название

Примечание

Количество

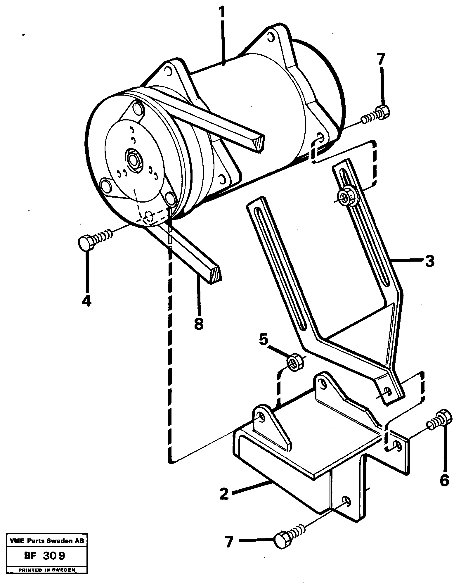
1

VOE 1593151

Compressor

1шт.

1

VOE 1593151

Compressor

1шт.

2

VOE 11055141

Кронштейн

1шт.

2

VOE 11055141

Кронштейн

1шт.

3

VOE 943795

Винт шестигранник (торцевой ключ)

1шт.

3

VOE 943795

Allen Hd Screw

1шт.

4

VOE 13965185

Flange screw

1шт.

4

VOE 13965185

Болт

1шт.

5

VOE 13971098

Flange nut

1шт.

5

VOE 13971098

Flange nut

1шт.

6

VOE 13965183

Flange screw

1шт.

6

VOE 13965183

Flange screw

1шт.

7

VOE 946472

Flange screw

1шт.

7

VOE 946472

Flange screw

1шт.

8

VOE 13977573

Ремень клиновой (приводной)

1шт.

8

VOE 13977573

Ремень клиновой (приводной)

1шт.

Выбрано товаров: 16