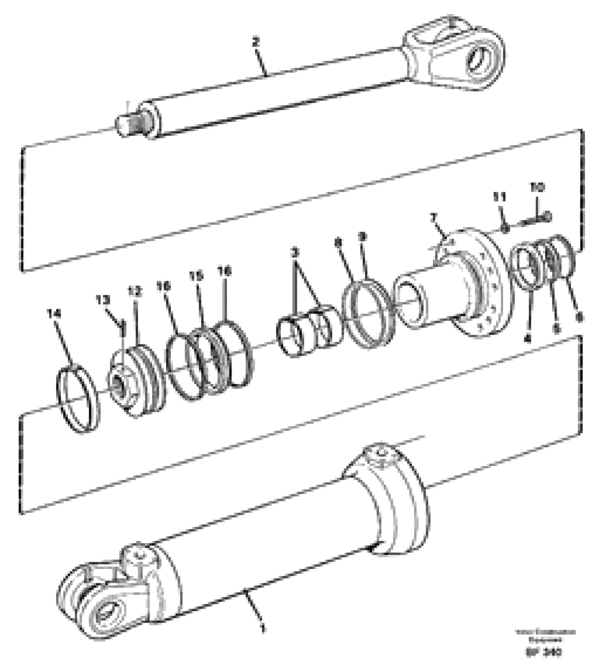
Запчасти Volvo A25B A25B 10886 Цилиндр подъемный

Схема запчастей Volvo A25B A25B - 10886 Цилиндр подъемный
FIT
1:1
100%

Артикул

Название

Примечание

Количество

VOE 11005475

Гидроцилиндр

1шт.

VOE 11990351

Gasket Kit

1шт.

1

VOE 11005490

Cylinder tube

1шт.

10

VOE 4782857

Болт

1шт.

10

VOE 4782857

Болт

1шт.

11

VOE 941908

Шайба пружинная

1шт.

11

VOE 941908

Шайба пружинная

1шт.

12

VOE 11005487

Поршень

1шт.

13

VOE 4782720

Палец

1шт.

14

VOE 4833220

Guide Ring

1шт.

14

VOE 4833220

Guide Ring

1шт.

15

VOE 4833280

Кольцо уплотнительное

1шт.

16

VOE 4833284

Protecting Ring

1шт.

2

VOE 11088729

Шток поршня

1шт.

3

VOE 4833302

Втулка

1шт.

3

VOE 4833302

Втулка

1шт.

4

VOE 4784048

Уплотнение штока поршня

1шт.

4

VOE 4784048

Уплотнение штока поршня

1шт.

5

VOE 11005057

Scraper

1шт.

6

VOE 13948961

Кольцо стопорное

1шт.

7

VOE 11005485

Pstn Rod Guide

1шт.

8

VOE 925027

Кольцо уплотнительное (О-кольцо)

1шт.

8

VOE 925027

Кольцо уплотнительное (О-кольцо)

1шт.

9

VOE 4786743

Back-up ring

1шт.

9

VOE 4786743

Back-up ring

1шт.

Выбрано товаров: 25