Запчасти Volvo A25B A25B 24792 Alternator with assembling details

Схема запчастей Volvo A25B A25B - 24792 Alternator with assembling details
FIT
1:1
100%

Артикул

Название

Примечание

Количество

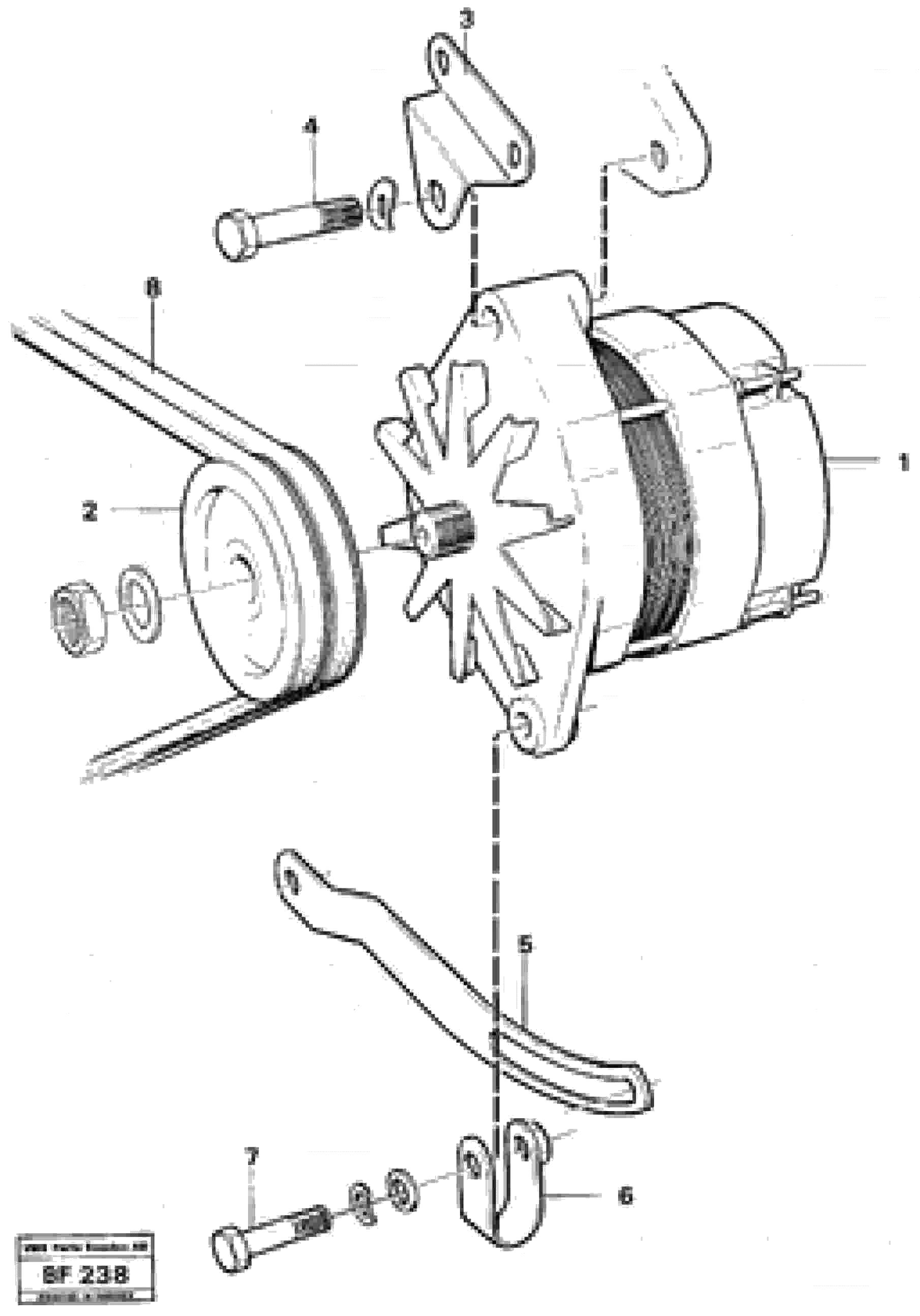
1

VOE 872021

Alternator

1шт.

1

VOE 872021

Alternator

1шт.

2

VOE 822573

Шкив

1шт.

2

VOE 822573

Шкив

1шт.

3

VOE 11030624

Anchorage

1шт.

3

VOE 11030624

Anchorage

1шт.

4

VOE 971005

Винт шестигранник

1шт.

4

VOE 971005

Винт шестигранник

1шт.

5

VOE 4965269

Tensioner

1шт.

6

VOE 466735

Brace

1шт.

6

VOE 466735

Brace

1шт.

7

VOE 13947760

Болт

1шт.

7

VOE 13947760

Flange screw

1шт.

8

VOE 966980

Ремень клиновой (приводной)

1шт.

Выбрано товаров: 14