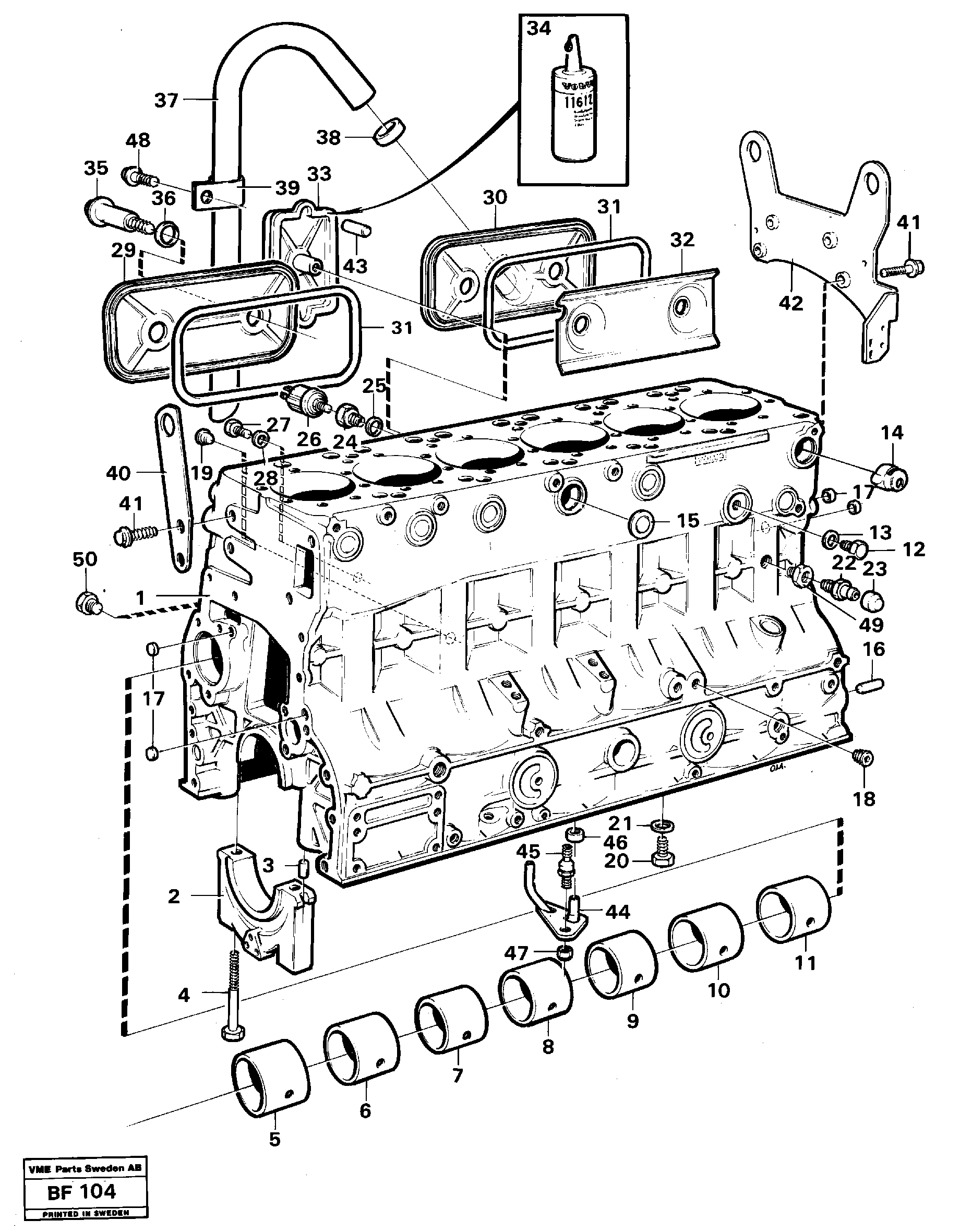
Запчасти Volvo A25B A25B 98951 Блок цилиндров

Схема запчастей Volvo A25B A25B - 98951 Блок цилиндров
FIT
1:1
100%

Артикул

Название

Примечание

Количество

VOE 477990

Блок цилиндров

ENG - 97292

1шт.

VOE 477910

Блок цилиндров

REPL BY - 477930

1шт.

VOE 13965194

Screw

1шт.

VOE 13965194

Болт

1шт.

VOE 13965191

Screw

1шт.

VOE 13965191

Болт

1шт.

VOE 8192676

Втулка

1шт.

VOE 8192730

Блок цилиндров

ENG 97293 -

1шт.

VOE 8192730

Блок цилиндров

ENG 97293 -

1шт.

VOE 8192738

Болт

1шт.

VOE 8192679

Втулка

1шт.

VOE 8192677

Втулка

1шт.

VOE 8192678

Втулка

1шт.

10

VOE 422081

Втулка

1шт.

10

VOE 422081

Втулка

1шт.

11

VOE 422082

Втулка

1шт.

11

VOE 422082

Втулка

1шт.

12

VOE 467367

Пробка (заглушка)

1шт.

12

VOE 467367

Пробка (заглушка)

1шт.

13

VOE 1556907

Прокладка

1шт.

13

VOE 1556907

Прокладка

1шт.

14

VOE 421154

Nozzle

1шт.

15

VOE 13968955

Заглушка

1шт.

16

VOE 191171

Палец

1шт.

17

VOE 955082

Cap plug

1шт.

17

VOE 955082

Cap plug

1шт.

18

VOE 968145

Пробка (заглушка)

1шт.

18

VOE 968145

Пробка (заглушка)

1шт.

19

VOE 422369

Пробка (заглушка)

1шт.

19

VOE 422369

Пробка (заглушка)

1шт.

20

VOE 966146

Пробка (заглушка)

1шт.

20

VOE 966146

Пробка (заглушка)

1шт.

21

VOE 13947629

Plane gasket

1шт.

21

VOE 13947629

Plane gasket

1шт.

22

VOE 13947893

Crane

1шт.

23

VOE 476279

Protecting cap

1шт.

24

VOE 421528

Reduction

1шт.

25

VOE 13947622

Plane gasket

1шт.

25

VOE 13947622

Plane gasket

1шт.

26

VOE 1606877

1606877

1шт.

27

VOE 960631

Пробка (заглушка)

1шт.

28

VOE 13947622

Plane gasket

1шт.

28

VOE 13947622

Plane gasket

1шт.

29

VOE 420120

Inspection lid

1шт.

29

VOE 420120

Inspection lid

1шт.

3

VOE 422426

Палец

1шт.

30

VOE 420121

Hatch

1шт.

30

VOE 420121

Hatch

1шт.

31

VOE 421121

Прокладка

1шт.

31

VOE 421121

Прокладка

1шт.

32

VOE 3978045

Splash plate

1шт.

32

VOE 3978045

Splash plate

1шт.

33

VOE 471854

Cover

1шт.

33

VOE 471854

Крышка

1шт.

34

VOE 1161277

Sealant

1шт.

34

VOE 1161277

Sealant

1шт.

35

VOE 471855

Болт

1шт.

35

VOE 471855

Болт

1шт.

36

VOE 471856

Кольцо уплотнительное

1шт.

36

VOE 471856

Кольцо уплотнительное

1шт.

37

VOE 471857

Трубка

1шт.

38

VOE 421158

Кольцо уплотнительное

1шт.

38

VOE 421158

Кольцо уплотнительное

1шт.

39

VOE 968124

Зажим

1шт.

4

VOE 465899

Болт

1шт.

41

VOE 965225

Flange screw

1шт.

41

VOE 965225

Flange screw

1шт.

42

VOE 4965581

4965581

1шт.

43

VOE 951974

Spring pin

1шт.

43

VOE 951974

Spring pin

1шт.

44

VOE 420628

Nozzle

1шт.

44

VOE 420628

Nozzle

1шт.

45

VOE 471596

Шпилька

1шт.

46

VOE 466874

Кольцо уплотнительное

1шт.

46

VOE 466874

Кольцо уплотнительное

1шт.

47

VOE 13948570

Lock nut

1шт.

48

VOE 946472

Flange screw

1шт.

48

VOE 946472

Flange screw

1шт.

49

VOE 479954

Nipple

1шт.

49

VOE 479954

Nipple

1шт.

5

VOE 422076

Втулка

1шт.

5

VOE 422076

Втулка

1шт.

50

VOE 479976

Пробка (заглушка)

1шт.

50

VOE 479976

Пробка (заглушка)

1шт.

6

VOE 422077

Втулка

1шт.

6

VOE 422077

Втулка

1шт.

7

VOE 422078

Втулка

1шт.

7

VOE 422078

Втулка

1шт.

8

VOE 11000014

Втулка

1шт.

8

VOE 11000014

Втулка

1шт.

9

VOE 422080

Втулка

1шт.

9

VOE 422080

Втулка

1шт.

Выбрано товаров: 92