Запчасти Volvo A25C 18267 Ретардер (тормоз-замедлитель) A25C VOLVO BM VOLVO BM A25C SER NO - 10256/ - 60911

Схема запчастей Volvo A25C - 18267 Ретардер (тормоз-замедлитель) A25C VOLVO BM VOLVO BM A25C SER NO - 10256/ - 60911
FIT
1:1
100%

Артикул

Название

Примечание

Количество

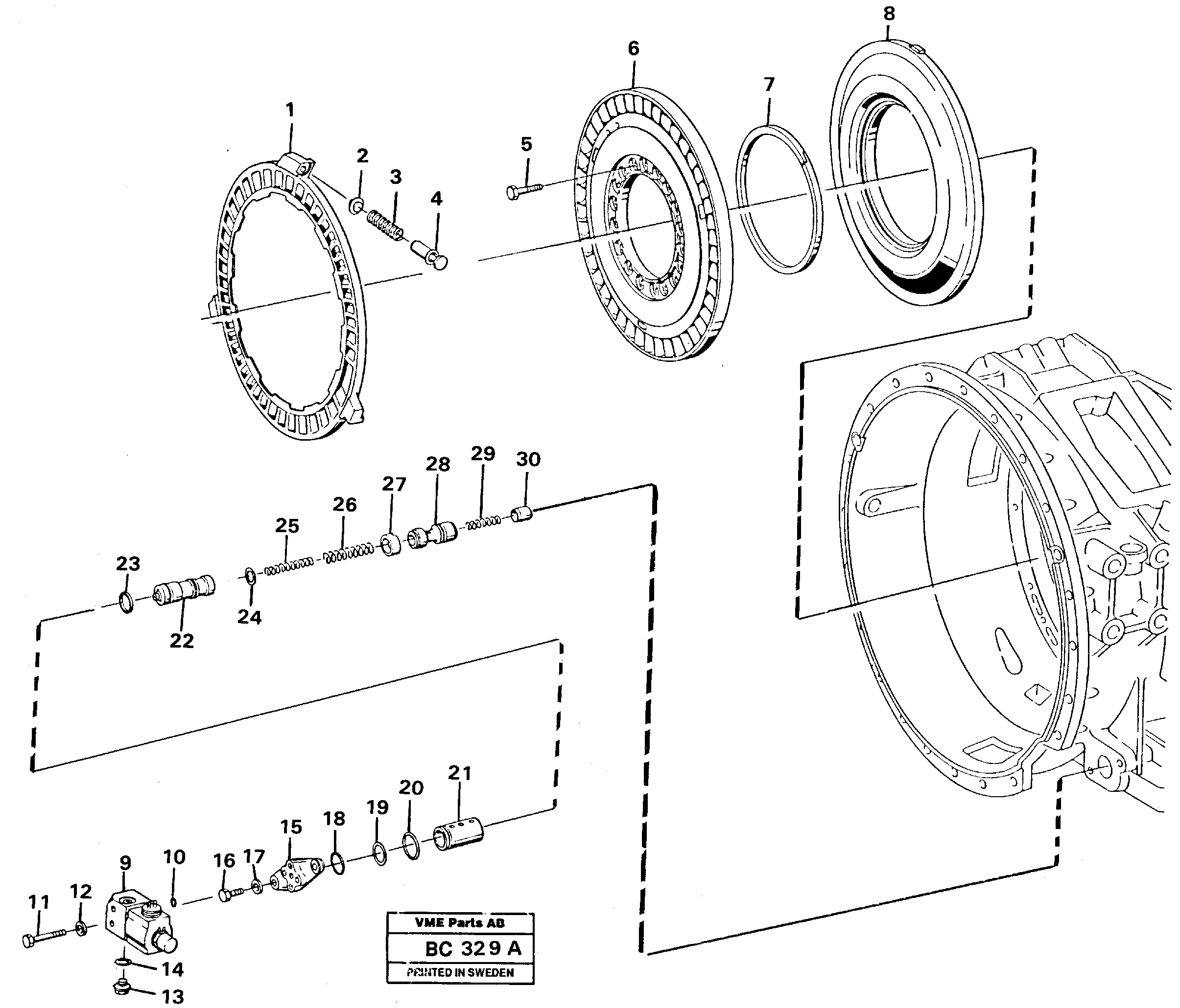
VOE 11992136

Прокладка

THICK=0,40

1шт.

VOE 11992137

Прокладка

THICK=0,30

1шт.

VOE 11704340

Поршень

TM 87000 -

1шт.

VOE 11992028

Прокладка

THICK=0,2

1шт.

VOE 11704341

Stop, Shoulder

TM 87000 -

1шт.

VOE 11704339

Поршень

TM 87000 -

1шт.

1

VOE 11991995

Кольцо

1шт.

10

VOE 11992015

Кольцо уплотнительное (О-кольцо)

1шт.

11

VOE 955301

Винт шестигранник

1шт.

11

VOE 955301

Винт шестигранник

1шт.

12

VOE 13955894

Шайба

1шт.

12

VOE 13955894

Шайба

1шт.

13

VOE 960629

Пробка (заглушка)

1шт.

13

VOE 960629

Пробка (заглушка)

1шт.

14

VOE 13947282

Прокладка

1шт.

14

VOE 13947282

Прокладка

1шт.

15

VOE 11992133

Cap

1шт.

16

VOE 955297

Винт шестигранник

1шт.

16

VOE 955297

Винт шестигранник

1шт.

17

VOE 13955894

Шайба

1шт.

17

VOE 13955894

Шайба

1шт.

18

VOE 11992134

Кольцо уплотнительное (О-кольцо)

1шт.

19

VOE 11992135

Прокладка

THICK=0,50

1шт.

2

VOE 11991996

Spring Disc

1шт.

20

VOE 11992021

Кольцо уплотнительное (О-кольцо)

1шт.

21

VOE 11992138

Втулка

1шт.

22

VOE 11994431

Поршень

TM - 86999

1шт.

23

VOE 11992023

Прокладка

TM - 86999

1шт.

24

VOE 11992027

Прокладка

THICK=0,5

1шт.

25

VOE 11992024

Compression Spring

1шт.

26

VOE 11992025

Compression Spring

1шт.

27

VOE 11992139

Stop, Shoulder

TM - 86999

1шт.

28

VOE 11992029

Поршень

TM - 86999

1шт.

29

VOE 11992030

Compression Spring

1шт.

3

VOE 11991997

Compression Spring

1шт.

30

VOE 11992031

Поршень

1шт.

4

VOE 11994430

Absorber

1шт.

5

VOE 13963222

Болт

1шт.

6

VOE 11706660

Sealing Washer

1шт.

7

VOE 11706951

Piston ring

1шт.

8

VOE 11707259

Sealing Washer

1шт.

9

VOE 11992016

Встроенный клапан в сборе

M17

1шт.

9

VOE 11992016

Встроенный клапан в сборе

M17

1шт.

Выбрано товаров: 43