Запчасти Volvo A25C 23549 Alternator A25C

Схема запчастей Volvo A25C - 23549 Alternator A25C
FIT
1:1
100%

Артикул

Название

Примечание

Количество

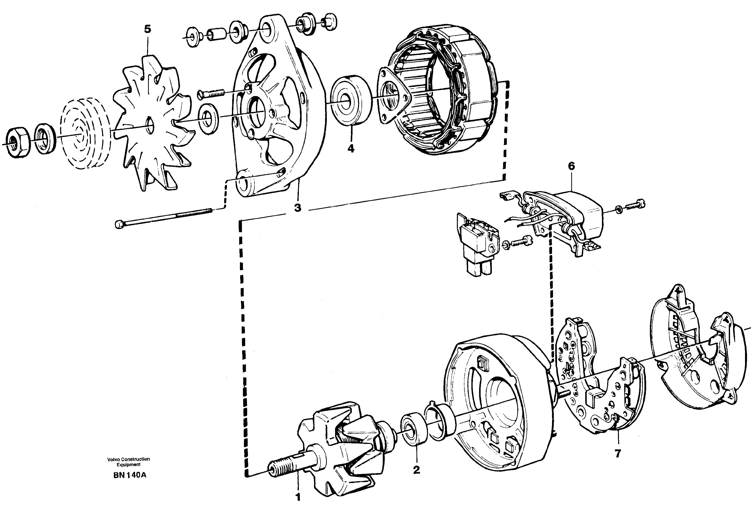
VOE 11063163

Alternator

1шт.

1

VOE 864347

Rotor

1шт.

1

VOE 864347

Rotor

1шт.

2

VOE 181798

Ball Bearing

1шт.

2

VOE 181798

Ball Bearing

1шт.

4

VOE 864350

Ball Bearing

1шт.

4

VOE 864350

Ball Bearing

1шт.

5

VOE 6212848

Вентилятор

1шт.

5

VOE 6212848

Вентилятор

1шт.

6

VOE 11702862

Regulator

1шт.

7

VOE 873817

Diode Bridge

1шт.

7

VOE 873817

Diode Bridge

1шт.

Выбрано товаров: 0