Запчасти Volvo A25E 53296 Towing brace

Схема запчастей Volvo A25E - 53296 Towing brace
FIT
1:1
100%

Артикул

Название

Примечание

Количество

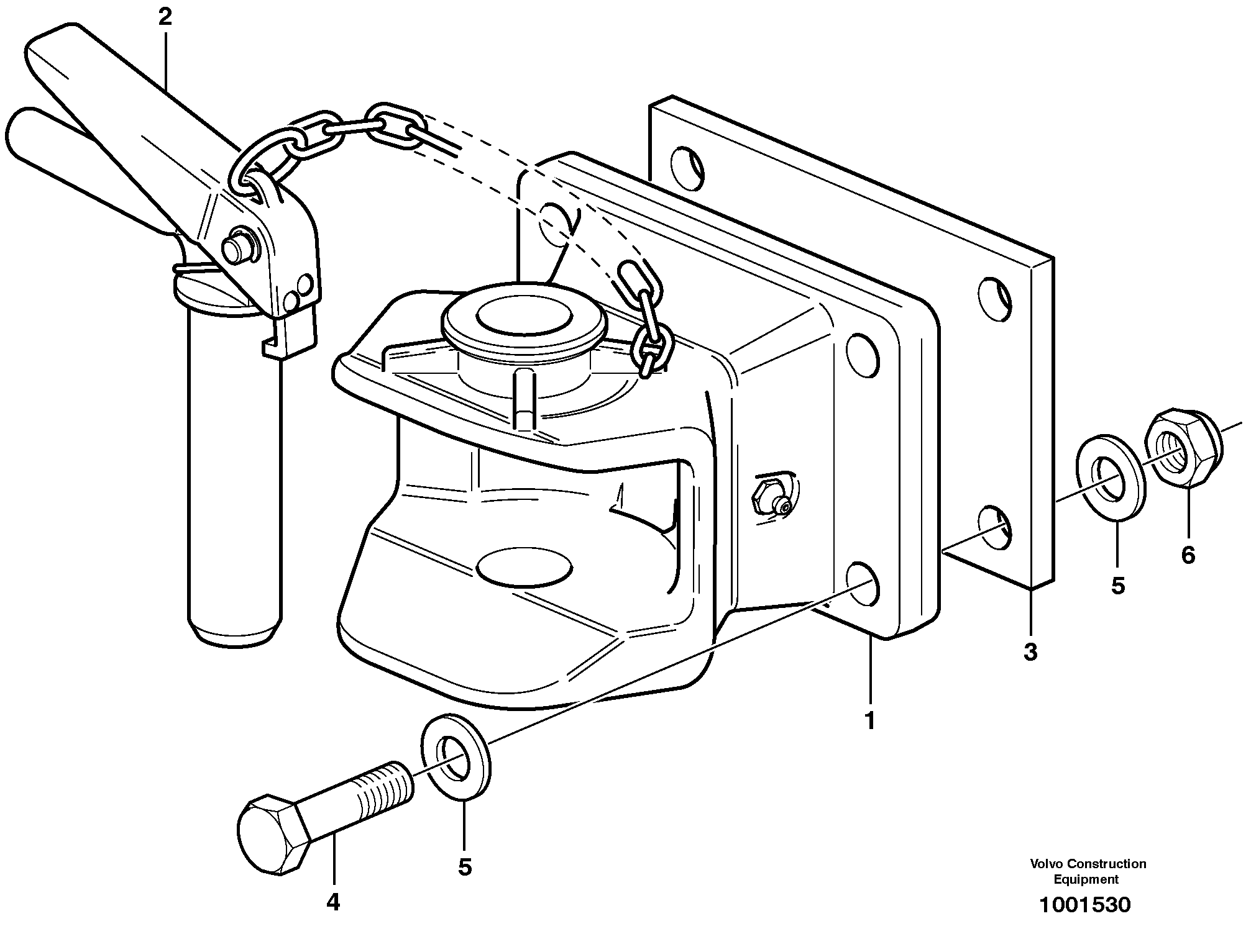
1

VOE 4966290

Towing Brace

1шт.

1

VOE 4966290

Towing Brace

1шт.

2

VOE 11991325

Палец

1шт.

3

VOE 11054834

Пластина

1шт.

4

VOE 13970990

Винт шестигранник

1шт.

4

VOE 13970990

Винт шестигранник

1шт.

5

VOE 955903

Шайба

1шт.

5

VOE 955903

Шайба

1шт.

6

VOE 963111

Lock nut

1шт.

6

VOE 963111

Lock nut

1шт.

Выбрано товаров: 10