Запчасти Volvo A30 VOLVO BM VOLVO BM A30 5270 Вал карданный

Схема запчастей Volvo A30 VOLVO BM VOLVO BM A30 - 5270 Вал карданный
FIT
1:1
100%

Артикул

Название

Примечание

Количество

VOE 11055677

Вал карданный

SER NO 1152 -

1шт.

VOE 11055677

Вал карданный

SER NO 1152 -

1шт.

VOE 11996233

Кольцо уплотнительное

SER NO 1152 -

1шт.

VOE 11996233

Сальник

SER NO 1152 -

1шт.

VOE 11054528

Вал карданный

SER NO - 1151

1шт.

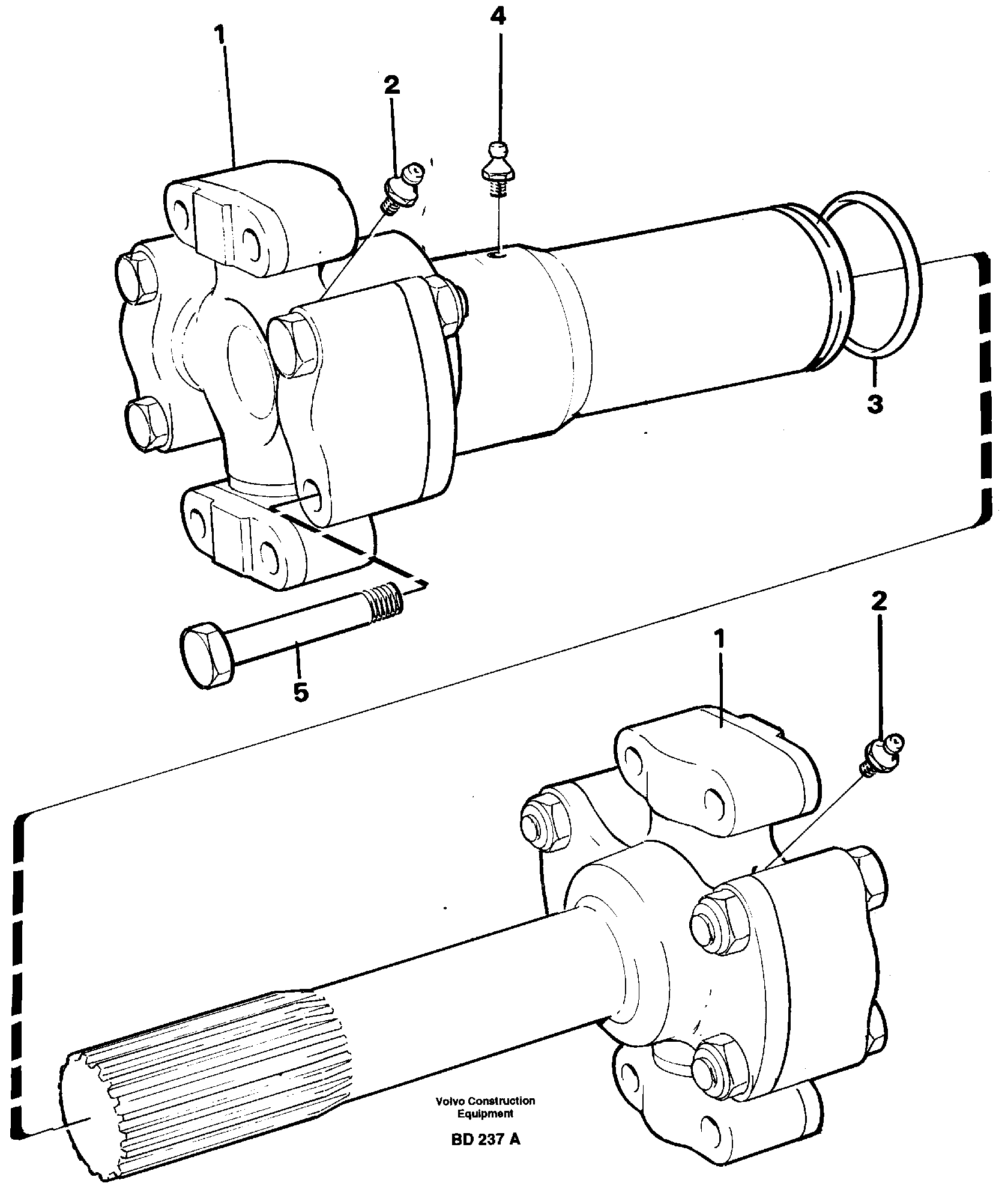
1

VOE 11994312

Крестовина

1шт.

1

VOE 11994312

Крестовина

1шт.

2

VOE 6213644

Lub Nipple

1шт.

2

VOE 6213644

Lub Nipple

1шт.

3

VOE 11994313

Сальник

SER NO - 1151

1шт.

4

VOE 6213647

Lub Nipple

1шт.

4

VOE 6213647

Lub Nipple

1шт.

5

VOE 13946353

Болт

1шт.

5

VOE 13946353

Болт

1шт.

Выбрано товаров: 14