Запчасти Volvo A30 VOLVO BM VOLVO BM A30 5277 Differential lock

Схема запчастей Volvo A30 VOLVO BM VOLVO BM A30 - 5277 Differential lock
FIT
1:1
100%

Артикул

Название

Примечание

Количество

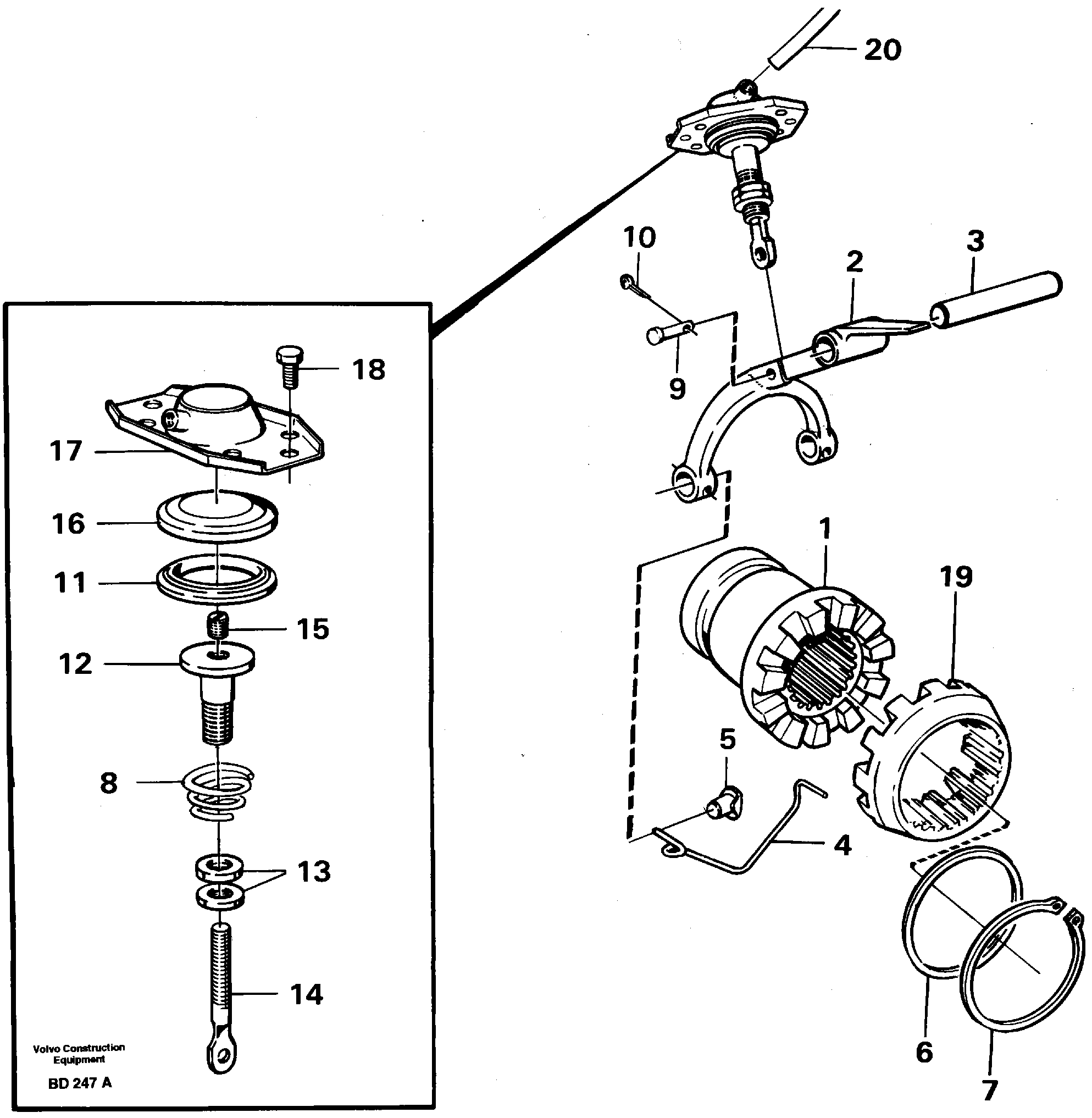
1

VOE 1522135

Comp Flange

1шт.

1

VOE 1522135

Comp Flange

1шт.

10

VOE 907822

Cotter Pin

1шт.

11

VOE 383988

Diaphragm Seat

1шт.

11

VOE 383988

Diaphragm Seat

1шт.

12

VOE 383971

Diaphragm Sleeve

1шт.

12

VOE 383971

Diaphragm Sleeve

1шт.

13

VOE 957018

Hexagon Nut

1шт.

13

VOE 957018

Hexagon Nut

1шт.

14

VOE 11035447

Selector Bar

1шт.

14

VOE 11035447

Selector Bar

1шт.

15

VOE 13962985

установочный винт

1шт.

15

VOE 13962985

установочный винт

1шт.

16

VOE 383972

Diaphragm

1шт.

16

VOE 383972

Diaphragm

1шт.

17

VOE 1523096

Крышка

1шт.

17

VOE 1523096

Cap

1шт.

18

VOE 955269

Винт шестигранник

1шт.

18

VOE 955269

Винт шестигранник

1шт.

19

VOE 1522134

Comp Flange

1шт.

19

VOE 1522134

Comp Flange

1шт.

2

VOE 1523080

Shift Yoke

1шт.

2

VOE 1523080

Shift Yoke

1шт.

3

VOE 384135

Shift Rail

1шт.

3

VOE 384135

Shift Rail

1шт.

4

VOE 1523084

Lock brace

1шт.

4

VOE 1523084

Lock brace

1шт.

5

VOE 1523087

Палец

1шт.

6

VOE 1522102

Шайба

1шт.

6

VOE 1522102

Шайба

1шт.

7

VOE 945506

Snap Ring

1шт.

7

VOE 945506

Кольцо стопорное

1шт.

8

VOE 1523094

Return Spring

1шт.

8

VOE 1523094

Return Spring

1шт.

9

VOE 13964845

Болт

1шт.

9

VOE 13964845

Bolt

1шт.

Выбрано товаров: 36