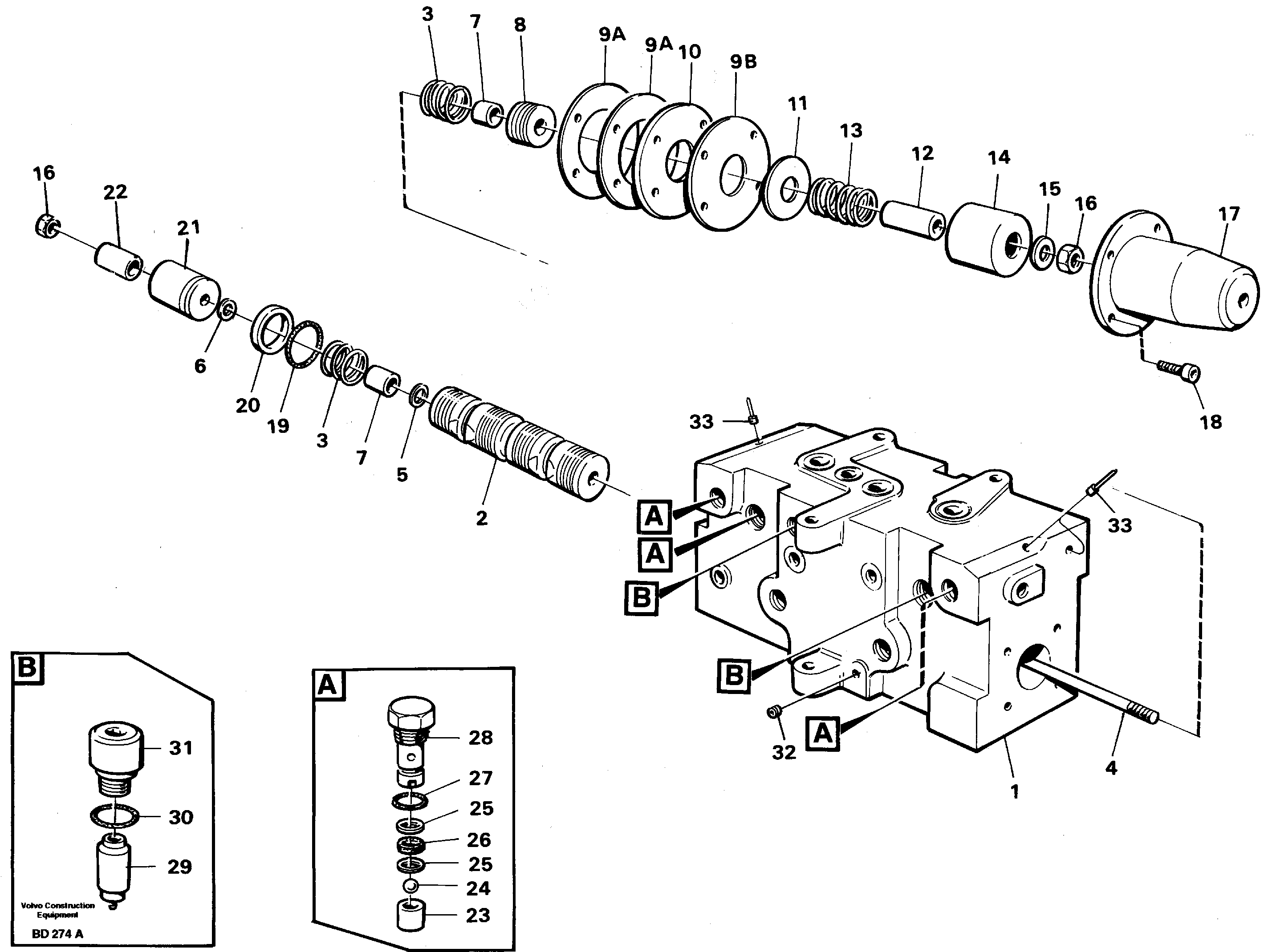
Запчасти Volvo A30 VOLVO BM VOLVO BM A30 10340 Steering unit

Схема запчастей Volvo A30 VOLVO BM VOLVO BM A30 - 10340 Steering unit
FIT
1:1
100%

Артикул

Название

Примечание

Количество

VOE 4821536

Прокладка

THICK = 0,1

1шт.

VOE 4821536

Прокладка

THICK = 0,1

1шт.

VOE 11053779

Adj Washer

THICK 0,05

1шт.

VOE 11053779

Adj Washer

THICK 0,05

1шт.

VOE 11053869

Shf Cont Valve

1шт.

VOE 11053869

Клапан регулирующий (распределительный)

1шт.

10

VOE 4821535

Шайба

1шт.

10

VOE 4821535

Шайба

1шт.

11

VOE 4821472

Шайба

1шт.

11

VOE 4821472

Шайба

1шт.

13

VOE 4821502

Compression Spring

1шт.

13

VOE 4821502

Compression Spring

1шт.

14

VOE 4823852

Socket

1шт.

14

VOE 4823852

Втулка (распорная)

1шт.

15

VOE 4823923

Шайба

1шт.

16

VOE 971099

Flange Lock Nut

1шт.

16

VOE 971099

Flange Lock Nut

1шт.

17

VOE 4823854

Картер (корпус)

1шт.

17

VOE 4823854

Картер (корпус)

1шт.

18

VOE 942314

Allen Hd Screw

1шт.

19

VOE 4823569

Сальник

1шт.

20

VOE 6617687

Scraper

1шт.

23

VOE 4941091

Seat

1шт.

23

VOE 4941091

Seat

1шт.

24

VOE 183801

Ball

1шт.

24

VOE 183801

Ball

1шт.

25

VOE 13962535

Back-up ring

1шт.

25

VOE 13962535

Back-up ring

1шт.

26

VOE 944364

Кольцо уплотнительное (О-кольцо)

1шт.

26

VOE 944364

Кольцо уплотнительное (О-кольцо)

1шт.

27

VOE 967750

Кольцо уплотнительное (О-кольцо)

1шт.

27

VOE 967750

Кольцо уплотнительное (О-кольцо)

1шт.

28

VOE 11704420

Челночный клапан

1шт.

28

VOE 11704420

Челночный клапан

1шт.

29

VOE 4823450

Клапан

1шт.

29

VOE 4823450

Клапан

1шт.

3

VOE 4821529

Compression Spring

1шт.

3

VOE 4821529

Compression Spring

1шт.

30

VOE 13949327

Кольцо уплотнительное (О-кольцо)

1шт.

30

VOE 13949327

Кольцо уплотнительное (О-кольцо)

1шт.

31

VOE 4737440

Пробка (заглушка)

1шт.

31

VOE 4737440

Пробка (заглушка)

1шт.

32

VOE 4864282

Пробка (заглушка)

1шт.

32

VOE 4864282

Пробка (заглушка)

1шт.

4

VOE 11053742

Pull Rod

1шт.

4

VOE 11053742

Pull Rod

1шт.

5

VOE 11053870

Piston seal

1шт.

5

VOE 11053870

Piston seal

1шт.

6

VOE 925055

Кольцо уплотнительное (О-кольцо)

1шт.

6

VOE 925055

Кольцо уплотнительное (О-кольцо)

1шт.

9A

VOE 11053896

Прокладка

THICK = 0,05

1шт.

9A

VOE 11053896

Прокладка

THICK = 0,05

1шт.

9B

VOE 4821534

Прокладка

THICK 0,1

1шт.

9B

VOE 4821534

Прокладка

THICK 0,1

1шт.

Выбрано товаров: 54