Запчасти Volvo A30 VOLVO BM VOLVO BM A30 78127 Heating system hoses

Схема запчастей Volvo A30 VOLVO BM VOLVO BM A30 - 78127 Heating system hoses
FIT
1:1
100%

Артикул

Название

Примечание

Количество

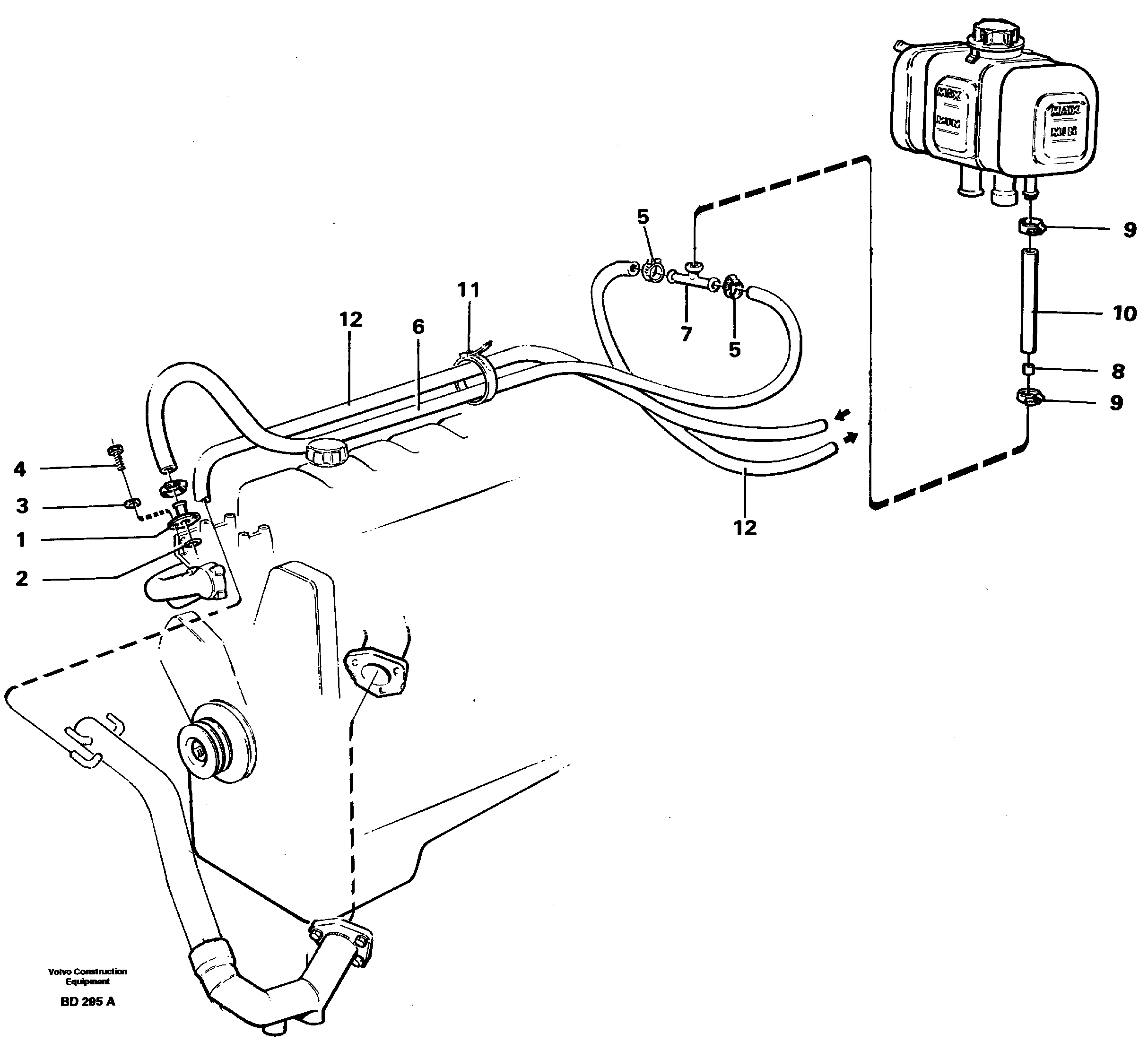
1

VOE 4775519

Hose connection

1шт.

10

VOE 943367

Шланг

L = 220

1шт.

10

VOE 943367

Шланг

L = 220

1шт.

11

VOE 4881440

Cable tie

1шт.

11

VOE 4881440

Cable tie

1шт.

2

VOE 13949721

Кольцо уплотнительное (О-кольцо)

1шт.

2

VOE 13949721

Кольцо уплотнительное (О-кольцо)

1шт.

3

VOE 13941907

Шайба пружинная

1шт.

3

VOE 13941907

Шайба

1шт.

4

VOE 955525

Винт шестигранник

1шт.

4

VOE 955525

Винт шестигранник

1шт.

5

VOE 13943472

Hose clamp

1шт.

6

VOE 943368

Шланг

L = 1450

1шт.

6

VOE 943368

Шланг

L = 1450

1шт.

7

VOE 1276216

T-pipe

1шт.

8

VOE 11033572

Restrictor

1шт.

9

VOE 943470

Hose clamp

1шт.

9

VOE 943470

Hose clamp

1шт.

Выбрано товаров: 18