Запчасти Volvo A30 VOLVO BM VOLVO BM A30 104351 Exhaust system engine

Схема запчастей Volvo A30 VOLVO BM VOLVO BM A30 - 104351 Exhaust system engine
FIT
1:1
100%

Артикул

Название

Примечание

Количество

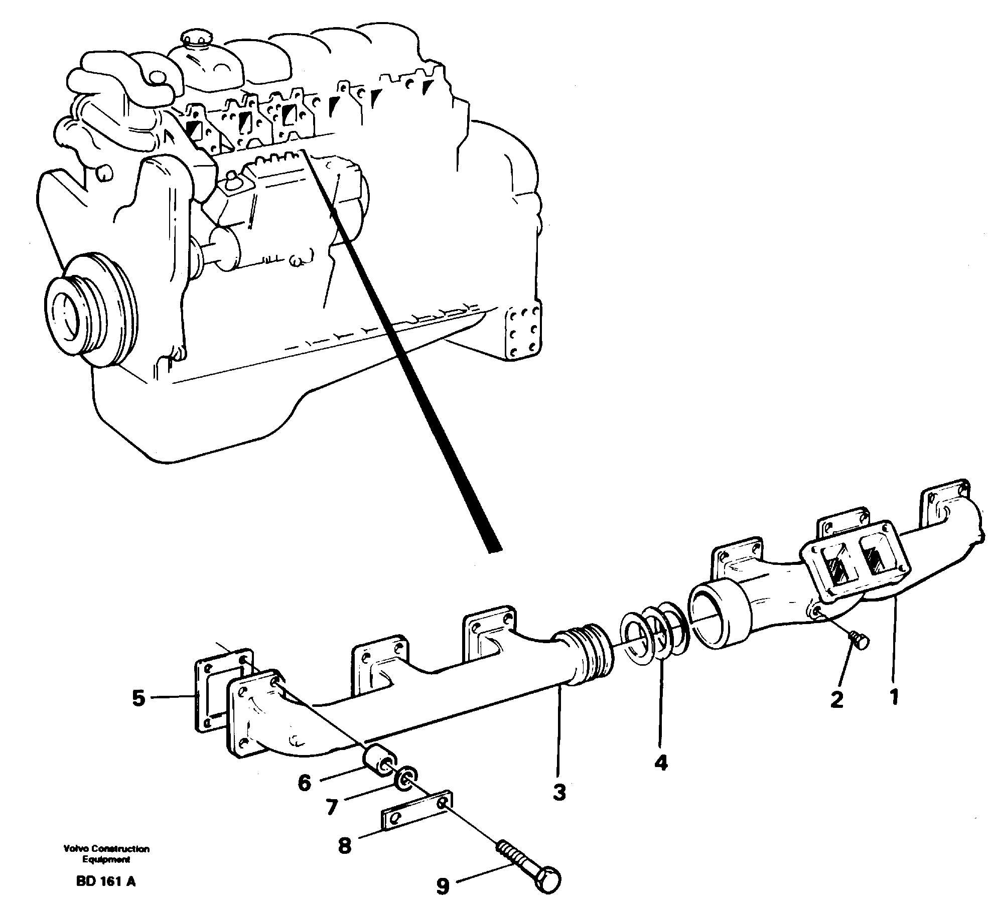
1

VOE 1545326

Exhaust pipe

1шт.

2

VOE 13947814

Пробка (заглушка)

1шт.

2

VOE 13947814

Пробка (заглушка)

1шт.

3

VOE 1545028

Exhaust pipe

1шт.

4

VOE 275748

Sealing kit

1шт.

4

VOE 275748

Sealing kit

1шт.

5

VOE 479107

Прокладка

1шт.

5

VOE 479107

Прокладка

1шт.

6

VOE 422217

Spacer sleeve

1шт.

6

VOE 422217

Spacer sleeve

1шт.

7

VOE 941744

Шайба

1шт.

7

VOE 941744

Шайба

1шт.

8

VOE 13966717

Tab washer

1шт.

9

VOE 945698

Болт

1шт.

Выбрано товаров: 14