Запчасти Volvo A30 VOLVO BM VOLVO BM A30 18265 Головка блока цилиндров

Схема запчастей Volvo A30 VOLVO BM VOLVO BM A30 - 18265 Головка блока цилиндров
FIT
1:1
100%

Артикул

Название

Примечание

Количество

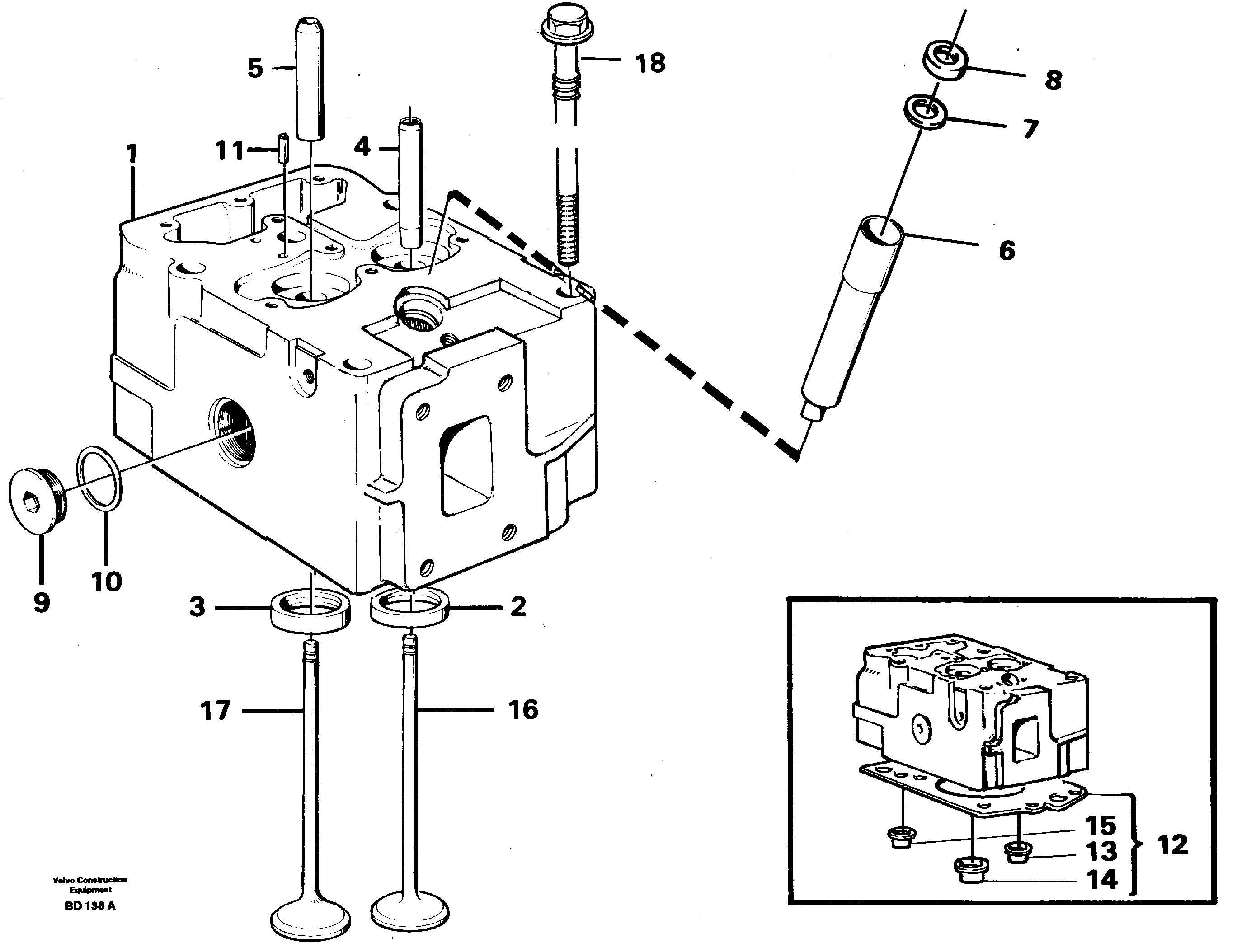
VOE 422957

Головка блока цилиндров

1шт.

VOE 1545885

Valve seat

0,20MM O SZ

1шт.

VOE 1545885

Valve seat

0,20MM O SZ

1шт.

VOE 270946

Ремкомплект

1шт.

VOE 270946

Ремкомплект

1шт.

VOE 467590

Valve seat

0,20MM O SZ

1шт.

VOE 467590

Valve seat

0,20MM O SZ

1шт.

10

VOE 469327

Прокладка

1шт.

10

VOE 469327

Прокладка

1шт.

11

VOE 14025455

цилиндр контактный

1шт.

12

VOE 270789

Gasket Kit

1шт.

12

VOE 270789

Gasket Kit

1шт.

13

VOE 422413

Кольцо уплотнительное

OD = 11

1шт.

13

VOE 422413

Кольцо уплотнительное

OD = 11

1шт.

14

VOE 422414

Кольцо уплотнительное

OD = 32

1шт.

14

VOE 422414

Кольцо уплотнительное

OD = 32

1шт.

15

VOE 422415

Кольцо уплотнительное

OD = 18

1шт.

15

VOE 422415

Кольцо уплотнительное

OD = 18

1шт.

18

VOE 422086

Болт

1шт.

18

VOE 422086

Болт

1шт.

2

VOE 467474

Valve seat

Inlet, STD

1шт.

2

VOE 467474

Valve seat

Inlet, STD

1шт.

3

VOE 1545886

Valve seat

Outlet, STD

1шт.

3

VOE 1545886

Valve seat

Outlet, STD

1шт.

4

VOE 422762

Guide

Inlet

1шт.

5

VOE 1545135

Valve Guide

Outlet

1шт.

5

VOE 1545135

Valve Guide

Outlet

1шт.

6

VOE 479163

Втулка (распорная)

1шт.

6

VOE 479163

Втулка (распорная)

1шт.

7

VOE 466420

Кольцо

1шт.

7

VOE 466420

Кольцо

1шт.

8

VOE 466405

Кольцо уплотнительное

1шт.

8

VOE 466405

Кольцо уплотнительное

1шт.

9

VOE 467365

Пробка (заглушка)

1шт.

9

VOE 467365

Пробка (заглушка)

1шт.

Выбрано товаров: 35