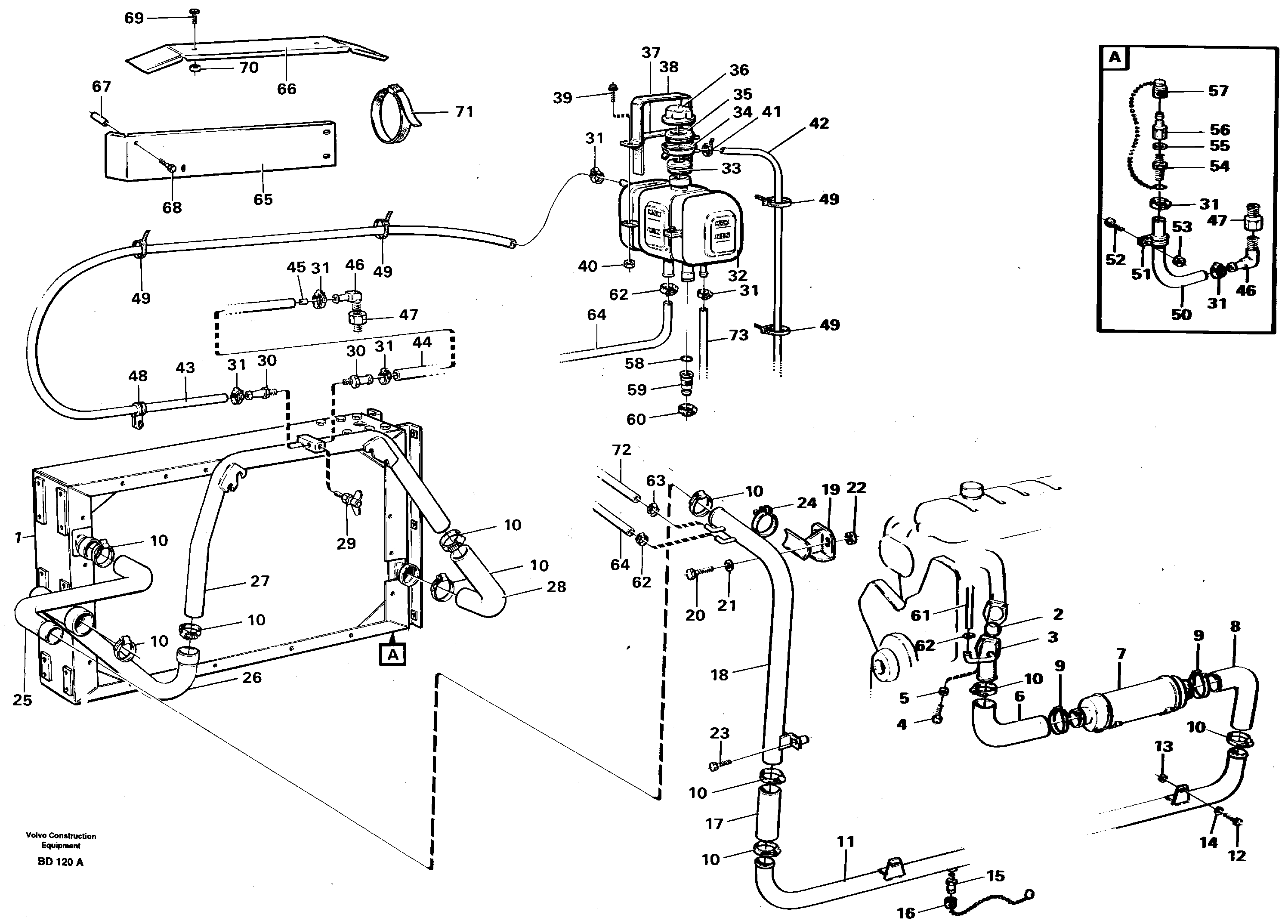
Запчасти Volvo A30 VOLVO BM VOLVO BM A30 82384 Radiator with connecting parts

Схема запчастей Volvo A30 VOLVO BM VOLVO BM A30 - 82384 Radiator with connecting parts
FIT
1:1
100%

Артикул

Название

Примечание

Количество

VOE 11050396

Трубка

1шт.

VOE 11050394

Трубка

1шт.

1

VOE 4775484

Радиатор

1шт.

10

VOE 943480

Hose clamp

1шт.

10

VOE 943480

Hose clamp

1шт.

11

VOE 11055986

Трубка

1шт.

12

VOE 946472

Flange screw

1шт.

12

VOE 946472

Flange screw

1шт.

13

VOE 13971095

Flange nut

1шт.

13

VOE 13971095

Flange nut

1шт.

14

VOE 976945

Шайба

SER NO - 1674

1шт.

14

VOE 976945

Шайба

SER NO - 1674

1шт.

15

VOE 13946121

Nipple

1шт.

15

VOE 13946121

Nipple

1шт.

16

VOE 11147580

Dust cover

1шт.

16

VOE 11147580

Dust cover

1шт.

17

VOE 943372

Шланг

L= 220

1шт.

17

VOE 943372

Шланг

L= 220

1шт.

18

VOE 11055990

Трубка

1шт.

2

VOE 925092

Кольцо уплотнительное (О-кольцо)

1шт.

2

VOE 925092

Кольцо уплотнительное (О-кольцо)

1шт.

20

VOE 13955295

Болт

1шт.

20

VOE 13955295

Болт

1шт.

21

VOE 976944

Шайба

1шт.

21

VOE 976944

Шайба

1шт.

22

VOE 955782

Hexagon nut

1шт.

22

VOE 955782

Hexagon nut

1шт.

23

VOE 955541

Винт шестигранник

1шт.

23

VOE 955541

Винт шестигранник

1шт.

24

VOE 930839

Hose clamp

1шт.

24

VOE 930839

Hose clamp

1шт.

25

VOE 4775510

Radiator hose

1шт.

26

VOE 4775511

Radiator hose

1шт.

27

VOE 11049716

Трубка

1шт.

28

VOE 4775509

Radiator hose

1шт.

28

VOE 4775509

Radiator hose

1шт.

29

VOE 7082744

Drain cock

1шт.

29

VOE 7082744

Drain cock

1шт.

3

VOE 11055978

Трубка

1шт.

30

VOE 942722

Nipple

1шт.

30

VOE 942722

Nipple

1шт.

31

VOE 943470

Hose clamp

1шт.

31

VOE 943470

Hose clamp

1шт.

32

VOE 11110208

Бак (бачок) расширительный

1шт.

32

VOE 11110208

Бак (бачок) расширительный

1шт.

33

VOE 4804410

Кольцо уплотнительное

1шт.

33

VOE 4804410

Кольцо уплотнительное

1шт.

34

VOE 4804414

Фланец

1шт.

34

VOE 4804414

Фланец

1шт.

35

VOE 4804409

Кольцо уплотнительное

1шт.

35

VOE 4804409

Кольцо уплотнительное

1шт.

36

VOE 1542591

Cap

1шт.

36

VOE 1542591

Cap

1шт.

37

VOE 1508815

Rubber moulding

L=2500

1шт.

37

VOE 1508815

Rubber moulding

L=2500

1шт.

39

VOE 13945444

Болт

1шт.

39

VOE 13945444

Screw

1шт.

4

VOE 955525

Винт шестигранник

1шт.

4

VOE 955525

Винт шестигранник

1шт.

40

VOE 13945408

Гайка

1шт.

40

VOE 13945408

Гайка

1шт.

41

VOE 4821292

Cable tie

1шт.

41

VOE 4821292

Cable tie

1шт.

42

VOE 941363

Шланг

L = 1500

1шт.

42

VOE 941363

Шланг

L = 1500

1шт.

43

VOE 943367

Шланг

L = 2650

1шт.

43

VOE 943367

Шланг

L = 2650

1шт.

44

VOE 943367

Шланг

L = 600

1шт.

44

VOE 943367

Шланг

L = 600

1шт.

45

VOE 11033572

Restrictor

1шт.

46

VOE 942758

Nipple

1шт.

46

VOE 942758

Nipple

1шт.

47

VOE 7192159

Nipple

1шт.

48

VOE 942810

Зажим

1шт.

48

VOE 942810

Зажим

1шт.

49

VOE 4881440

Cable tie

1шт.

49

VOE 4881440

Cable tie

1шт.

5

VOE 13941907

Шайба пружинная

1шт.

5

VOE 13941907

Шайба

1шт.

50

VOE 943367

Шланг

L = 480

1шт.

50

VOE 943367

Шланг

L = 480

1шт.

51

VOE 952630

Зажим

1шт.

51

VOE 952630

Зажим

1шт.

52

VOE 13946934

Болт

1шт.

52

VOE 13946934

Болт

1шт.

53

VOE 13945407

Гайка

1шт.

53

VOE 13945407

Гайка

1шт.

54

VOE 945567

Nipple

1шт.

54

VOE 945567

Nipple

1шт.

55

VOE 948883

Plane gasket

1шт.

55

VOE 948883

Plane gasket

1шт.

56

VOE 4786585

Insert nipple

1шт.

56

VOE 4786585

Insert nipple

1шт.

57

VOE 11194108

Protecting sleeve

1шт.

57

VOE 11194108

Protecting sleeve

1шт.

58

VOE 13975655

Кольцо уплотнительное (О-кольцо)

1шт.

59

VOE 11031743

Nipple

1шт.

6

VOE 11055982

Radiator hose

1шт.

60

VOE 926244

Hose clamp

1шт.

60

VOE 926244

Hose clamp

1шт.

61

VOE 944386

Шланг

L=850

1шт.

61

VOE 944386

Шланг

L=850

1шт.

62

VOE 943475

Hose clamp

1шт.

62

VOE 943475

Hose clamp

1шт.

63

VOE 943473

Hose clamp

1шт.

63

VOE 943473

Hose clamp

1шт.

64

VOE 944386

Шланг

L = 1730

1шт.

64

VOE 944386

Шланг

L = 1730

1шт.

65

VOE 11051590

Направляющая

1шт.

66

VOE 11054465

Направляющая

1шт.

67

VOE 13976544

Spacer sleeve

1шт.

68

VOE 959795

Болт

1шт.

68

VOE 959795

Винт шестигранник

1шт.

69

VOE 955513

Винт шестигранник

1шт.

69

VOE 955513

Винт шестигранник

1шт.

7

VOE 11033553

Масляный радиатор

1шт.

70

VOE 13949873

Spacer washer

1шт.

70

VOE 13949873

Spacer washer

1шт.

71

VOE 11104606

Retaining strap

1шт.

71

VOE 11104606

Retaining strap

1шт.

8

VOE 11061686

Radiator hose

1шт.

9

VOE 11061206

Hose clamp

1шт.

Выбрано товаров: 122