Запчасти Volvo A30 VOLVO BM VOLVO BM A30 5235 Air conditioning

Схема запчастей Volvo A30 VOLVO BM VOLVO BM A30 - 5235 Air conditioning
FIT
1:1
100%

Артикул

Название

Примечание

Количество

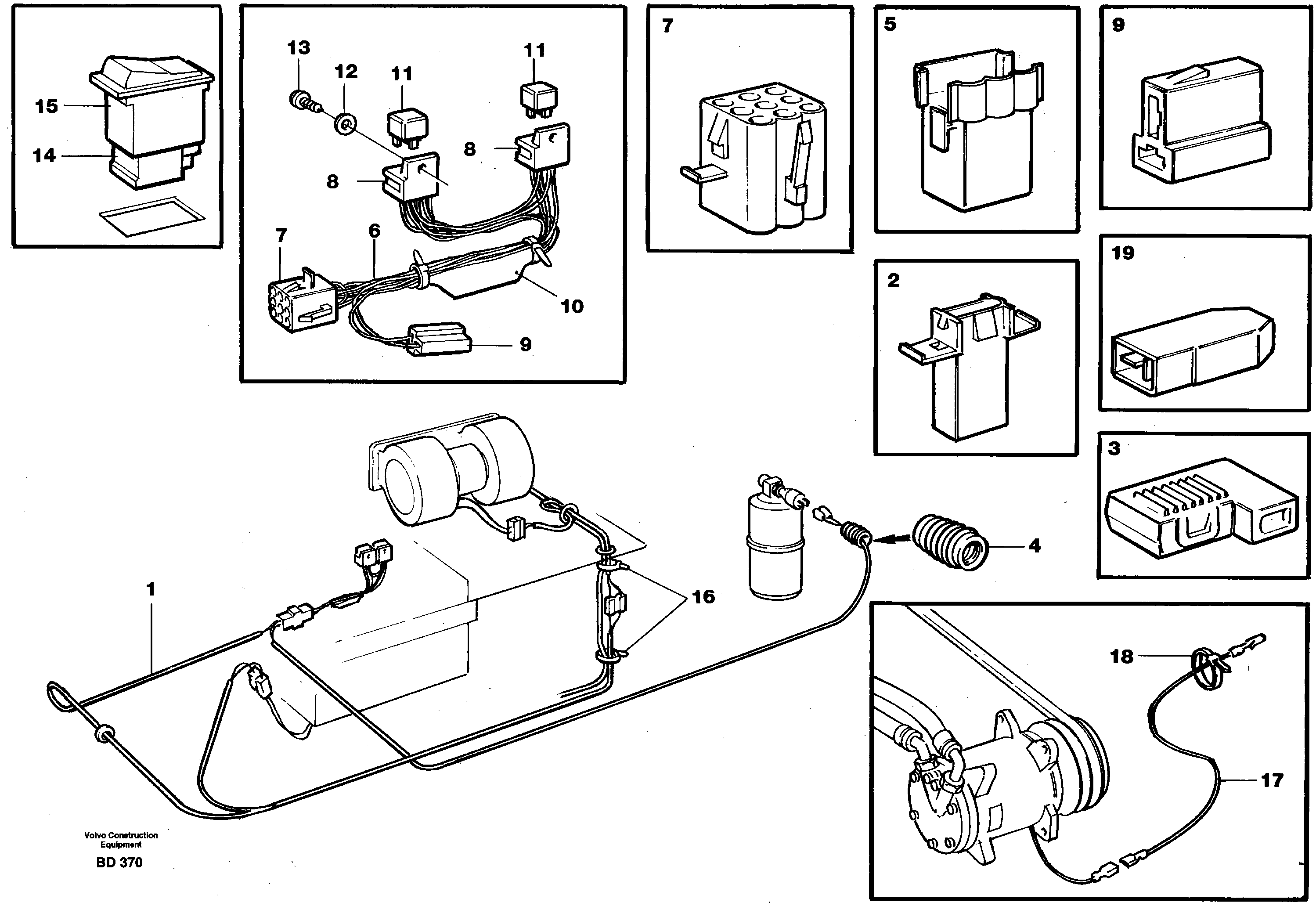
1

VOE 11058582

Cable harness

SE21, SE22

1шт.

10

VOE 11039272

Capacitor

1шт.

10

VOE 11039272

Capacitor

1шт.

11

VOE 4786690

Реле

1шт.

11

VOE 4786690

Реле

1шт.

12

VOE 13940090

Шайба

1шт.

12

VOE 13940090

Шайба

1шт.

13

VOE 955127

X Rec Screw

1шт.

13

VOE 955127

X Rec Screw

1шт.

14

VOE 4803455

Переключатель

1шт.

15

VOE 11039205

Lens

1шт.

15

VOE 11039205

Lens

1шт.

16

VOE 4881438

Strip Clamp

1шт.

16

VOE 4881438

Strip Clamp

1шт.

17

VOE 11062492

Wire Assembly

1шт.

17

VOE 11062492

Wire Assembly

1шт.

18

VOE 4881438

Strip Clamp

1шт.

18

VOE 4881438

Strip Clamp

1шт.

19

VOE 4940327

Диод

DI 1:30

1шт.

19

VOE 4940327

Диод

DI 1:30

1шт.

2

VOE 13948995

Pin Housing

AE

1шт.

2

VOE 13948995

Pin Housing

AE

1шт.

3

VOE 13944221

Картер (корпус)

SE22

1шт.

3

VOE 13944221

Картер (корпус)

SE22

1шт.

4

VOE 659802

Rubber Bellows

1шт.

4

VOE 659802

Rubber Bellows

1шт.

5

VOE 948295

Pin Housing

DY

1шт.

5

VOE 948295

Изолятор

DY

1шт.

6

VOE 11041872

Cable harness

1шт.

7

VOE 948294

Изолятор

1шт.

7

VOE 948294

Изолятор

1шт.

8

VOE 977184

Изолятор

RE44, RE48

1шт.

8

VOE 977184

Картер (корпус)

RE44, RE48

1шт.

9

VOE 13958210

Rcpt Housing

1шт.

9

VOE 13958210

Rcpt Housing

1шт.

Выбрано товаров: 35