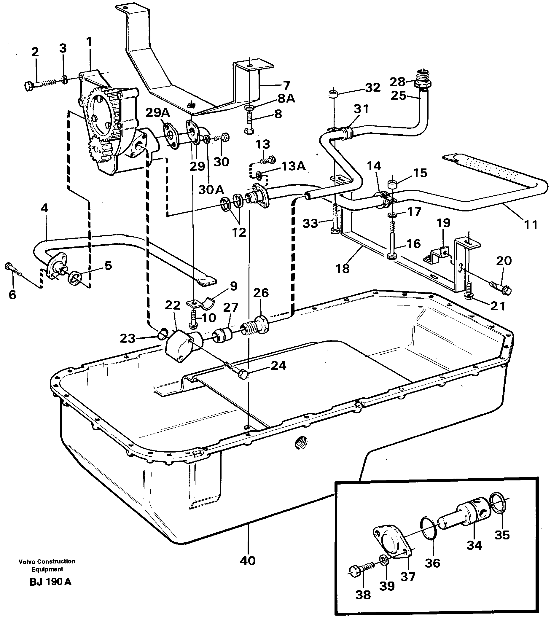
Запчасти Volvo A30C 52248 Система масляной смазки A30C VOLVO BM VOLVO BM A30C SER NO - 2320/- 2275, USA

Схема запчастей Volvo A30C - 52248 Система масляной смазки A30C VOLVO BM VOLVO BM A30C SER NO - 2320/- 2275, USA
FIT
1:1
100%

Артикул

Название

Примечание

Количество

10

VOE 13946544

Болт

(946544)

1шт.

10

VOE 13946544

Screw

(946544)

1шт.

11

VOE 11031199

Suction pipe

1шт.

12

VOE 470383

Кольцо уплотнительное

1шт.

12

VOE 470383

Кольцо уплотнительное

1шт.

13

VOE 13941678

Винт шестигранник

(941678)

1шт.

13A

VOE 13955894

Шайба

(955894)

1шт.

13A

VOE 13955894

Шайба

(955894)

1шт.

14

VOE 977743

Зажим

1шт.

15

VOE 11053913

Spacer sleeve

1шт.

15

VOE 11053913

Spacer sleeve

1шт.

16

VOE 13940159

Болт

(940159)

1шт.

16

VOE 13940159

Болт

(940159)

1шт.

17

VOE 13941907

Шайба пружинная

(941907)

1шт.

17

VOE 13941907

Шайба

(941907)

1шт.

18

VOE 11031202

Anchorage

1шт.

19

VOE 11031203

Anchorage

1шт.

2

VOE 955538

Винт шестигранник

1шт.

2

VOE 955538

Винт шестигранник

1шт.

20

VOE 13946544

Болт

(946544)

1шт.

20

VOE 13946544

Screw

(946544)

1шт.

21

VOE 942402

Flange screw

1шт.

21

VOE 942402

Flange screw

1шт.

22

VOE 4778338

Фланец

1шт.

23

VOE 13949657

Кольцо уплотнительное (О-кольцо)

(949657)

1шт.

23

VOE 13949657

Кольцо уплотнительное (О-кольцо)

(949657)

1шт.

24

VOE 13965216

Болт

(965216)

1шт.

24

VOE 13965216

Болт

(965216)

1шт.

25

VOE 865224

Трубка

1шт.

26

VOE 470377

Соединитель

1шт.

27

VOE 956973

Ferrule

1шт.

27

VOE 956973

Ferrule

1шт.

28

VOE 466908

Фиттинг

1шт.

29

VOE 4778425

Трубка

1шт.

29A

VOE 4778427

Фланец

1шт.

3

VOE 13942336

Шайба пружинная

(942336)

1шт.

3

VOE 13942336

Шайба пружинная

(942336)

1шт.

30

VOE 13941678

Винт шестигранник

(941678)

1шт.

30A

VOE 13955894

Шайба

(955894)

1шт.

30A

VOE 13955894

Шайба

(955894)

1шт.

31

VOE 7190159

Зажим

1шт.

32

VOE 11053913

Spacer sleeve

1шт.

32

VOE 11053913

Spacer sleeve

1шт.

33

VOE 955525

Винт шестигранник

1шт.

33

VOE 955525

Винт шестигранник

1шт.

34

VOE 471707

Reduction valve

1шт.

34

VOE 471707

Reduction valve

1шт.

35

VOE 469846

Кольцо уплотнительное

1шт.

35

VOE 469846

Кольцо уплотнительное

1шт.

36

VOE 949658

Кольцо уплотнительное (О-кольцо)

1шт.

36

VOE 949658

Кольцо уплотнительное (О-кольцо)

1шт.

37

VOE 471752

Крышка

1шт.

38

VOE 940100

Винт шестигранник

1шт.

38

VOE 940100

Винт шестигранник

1шт.

39

VOE 13949607

Шайба

(949607)

1шт.

39

VOE 13949607

Шайба

(949607)

1шт.

4

VOE 11031197

Suction pipe

1шт.

5

VOE 470383

Кольцо уплотнительное

1шт.

5

VOE 470383

Кольцо уплотнительное

1шт.

6

VOE 13946173

Screw

1шт.

6

VOE 13946173

Болт

1шт.

7

VOE 11031290

11031290

1шт.

8

VOE 955531

Винт шестигранник

1шт.

8

VOE 955531

Болт

1шт.

8A

VOE 13955894

Шайба

1шт.

8A

VOE 13955894

Шайба

1шт.

9

VOE 11031206

Зажим

1шт.

Выбрано товаров: 0