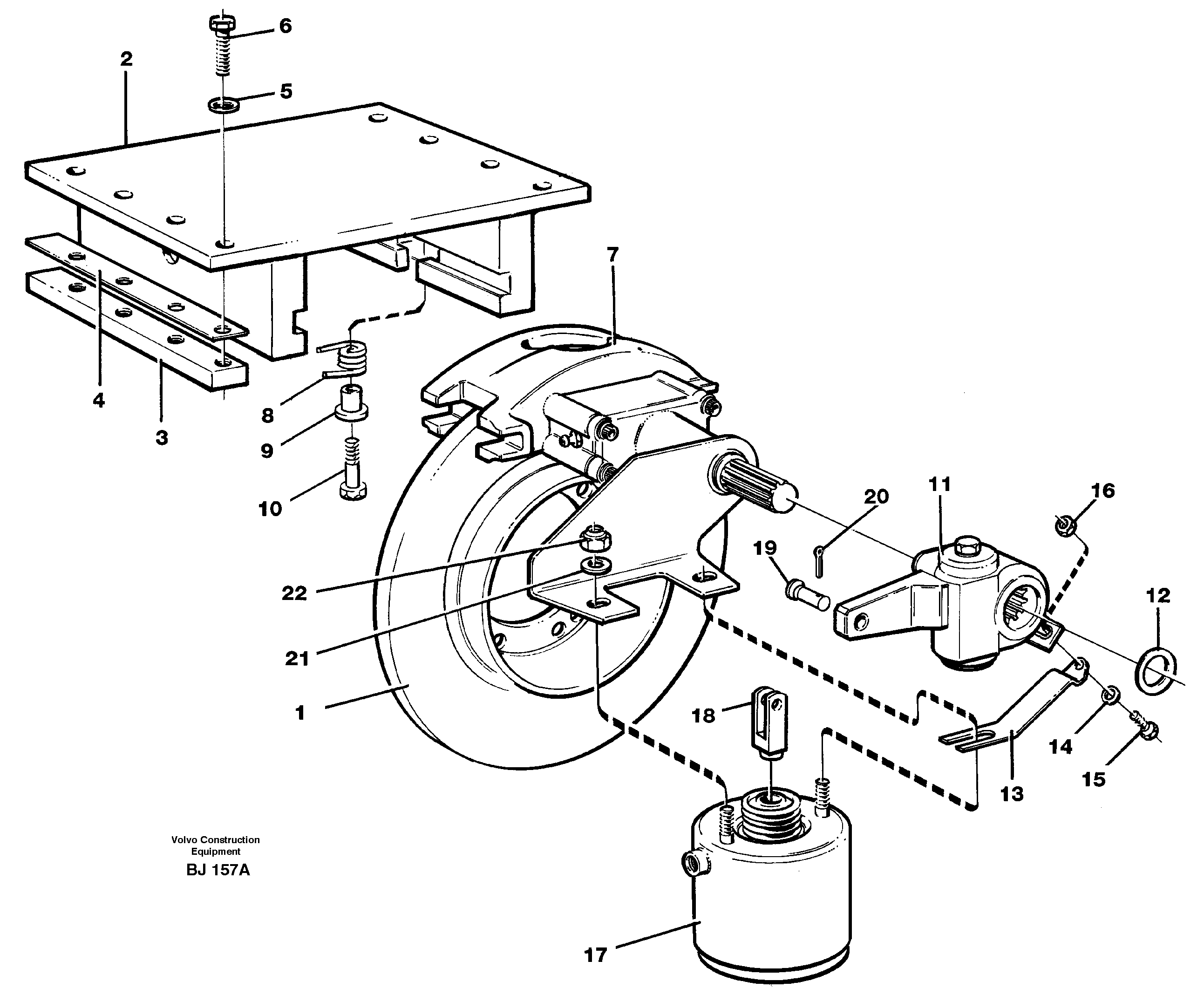
Запчасти Volvo A30C 81696 Universaljoint brake A30C VOLVO BM VOLVO BM A30C SER NO - 2320/- 2275, USA

Схема запчастей Volvo A30C - 81696 Universaljoint brake A30C VOLVO BM VOLVO BM A30C SER NO - 2320/- 2275, USA
FIT
1:1
100%

Артикул

Название

Примечание

Количество

VOE 11052519

11052519

SER NO 2245 -

1шт.

1

VOE 11050233

Brake disc

1шт.

10

VOE 13970950

Винт шестигранник

1шт.

10

VOE 13970950

Винт шестигранник

1шт.

11

VOE 11049395

Slack adjuster

1шт.

12

VOE 11054100

Шайба

1шт.

13

VOE 11052519

11052519

SER NO - 2244

1шт.

14

VOE 13955894

Шайба

1шт.

14

VOE 13955894

Шайба

1шт.

15

VOE 13955294

Болт

1шт.

15

VOE 13955294

Болт

1шт.

16

VOE 13945408

Гайка

1шт.

16

VOE 13945408

Гайка

1шт.

18

VOE 1505067

Fork

1шт.

18

VOE 1505067

Fork

1шт.

2

VOE 11050865

11050865

1шт.

20

VOE 907848

Cotter Pin

1шт.

21

VOE 11055608

Шайба

1шт.

21

VOE 11055608

Шайба

1шт.

22

VOE 950378

Lock nut

1шт.

22

VOE 950378

Lock nut

1шт.

3

VOE 4970430

Nut plate

1шт.

4

VOE 11049267

11049267

1шт.

5

VOE 941912

Шайба пружинная

1шт.

5

VOE 941912

Шайба пружинная

1шт.

6

VOE 955368

Винт шестигранник

1шт.

6

VOE 955368

Винт шестигранник

1шт.

8

VOE 4940867

Torsion spring

1шт.

8

VOE 4940867

Torsion spring

1шт.

9

VOE 4940868

Втулка

1шт.

9

VOE 4940868

Втулка

1шт.

Выбрано товаров: 31