Запчасти Volvo A30C 74437 Масляный радиатор A30C

Схема запчастей Volvo A30C - 74437 Масляный радиатор A30C
FIT
1:1
100%

Артикул

Название

Примечание

Количество

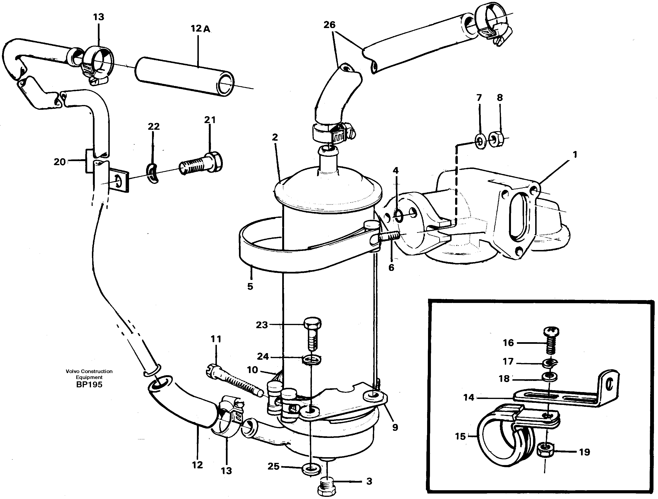
10

VOE 1545256

Tensioning band

1шт.

10

VOE 1545256

Tensioning band

1шт.

11

VOE 1545257

Болт

1шт.

11

VOE 1545257

Болт

1шт.

12

VOE 943369

Шланг

L=75MM

1шт.

12

VOE 943369

Шланг

L=75MM

1шт.

12A

VOE 943369

Шланг

L=110MM

1шт.

12A

VOE 943369

Шланг

L=110MM

1шт.

13

VOE 13943474

Hose clamp

1шт.

14

VOE 13965556

Кронштейн

1шт.

15

VOE 952632

Зажим

1шт.

15

VOE 952632

Зажим

1шт.

16

VOE 950046

Болт

1шт.

16

VOE 950046

Cross recessed screw

1шт.

17

VOE 13941906

Шайба

1шт.

17

VOE 13941906

Шайба

1шт.

18

VOE 955893

Шайба

1шт.

18

VOE 955893

Шайба

1шт.

19

VOE 955825

Hexagon nut

1шт.

19

VOE 955825

Гайка

1шт.

2

VOE 4777033

Масляный радиатор

1шт.

20

VOE 4777189

Трубка водяная

1шт.

21

VOE 13942624

Flange screw

1шт.

21

VOE 13942624

Flange screw

1шт.

22

VOE 13941907

Шайба пружинная

1шт.

22

VOE 13941907

Шайба

1шт.

23

VOE 940186

Винт шестигранник

1шт.

23

VOE 940186

Винт шестигранник

1шт.

24

VOE 13941907

Шайба пружинная

1шт.

24

VOE 13941907

Шайба

1шт.

25

VOE 976944

Шайба

1шт.

25

VOE 976944

Шайба

1шт.

3

VOE 479979

Пробка (заглушка)

1шт.

4

VOE 469483

Кольцо уплотнительное

1шт.

4

VOE 469483

Кольцо уплотнительное

1шт.

5

VOE 1545255

Tensioning band

1шт.

5

VOE 1545255

Tensioning band

1шт.

6

VOE 924072

Шпилька

1шт.

6

VOE 924072

Шпилька

1шт.

7

VOE 976944

Шайба

1шт.

7

VOE 976944

Шайба

1шт.

8

VOE 955782

Hexagon nut

1шт.

8

VOE 955782

Hexagon nut

1шт.

9

VOE 467917

467917

1шт.

Выбрано товаров: 44