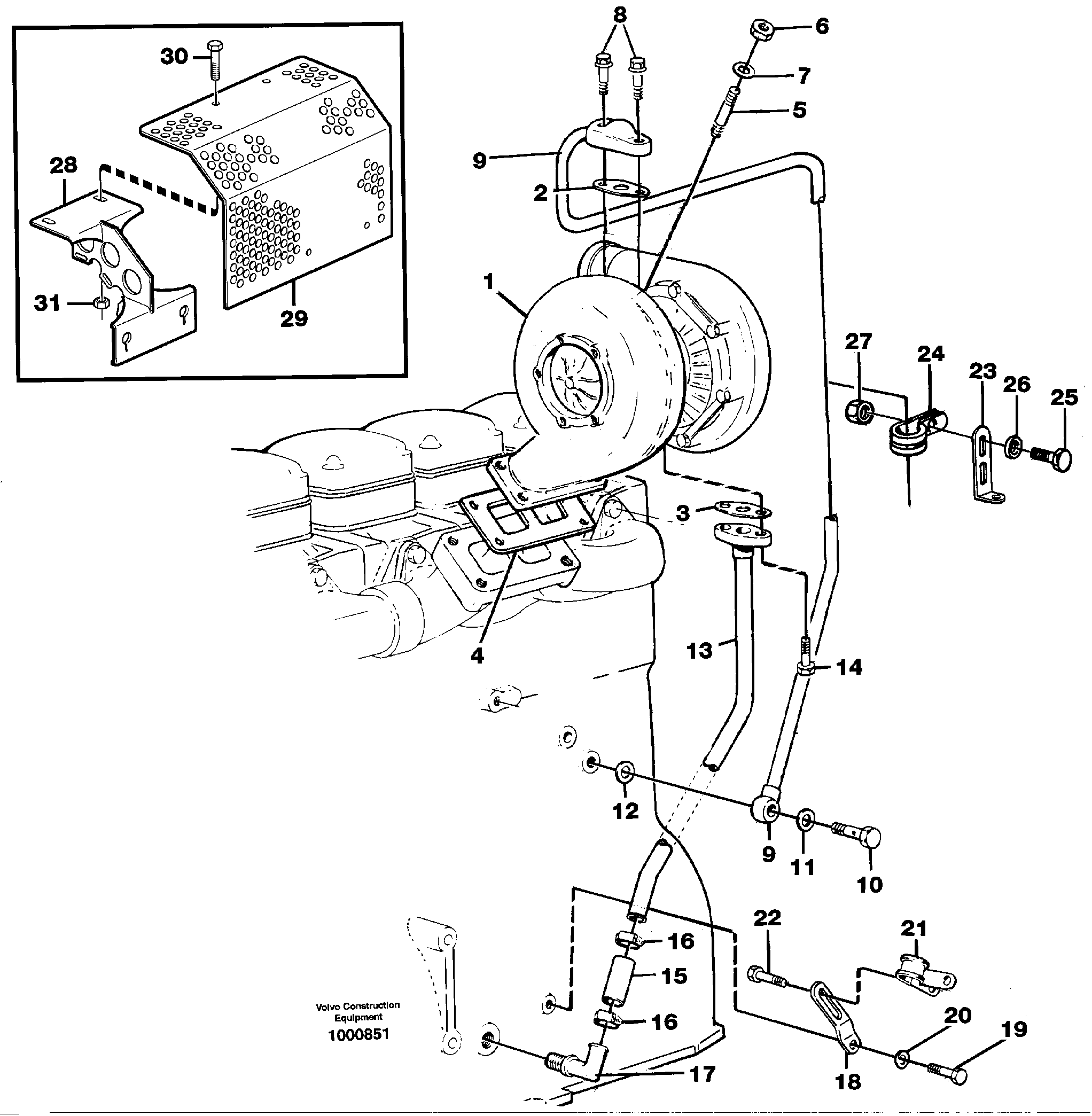
Запчасти Volvo A30C 67345 Турбокомпрессор (турбина) с установочными деталями A30C

Схема запчастей Volvo A30C - 67345 Турбокомпрессор (турбина) с установочными деталями A30C
FIT
1:1
100%

Артикул

Название

Примечание

Количество

VOE 11031379

Трубка

ENG 298589 -

1шт.

VOE 11704800

Ремкомплект

1шт.

1

VOE 11031468

Турбокомпрессор (турбина)

1шт.

10

VOE 479464

Hollow screw

1шт.

11

VOE 11700303

Сальник

1шт.

12

VOE 942703

Прокладка

1шт.

12

VOE 942703

Прокладка

1шт.

13

VOE 422896

Return pipe

1шт.

14

VOE 13965215

Flange screw

1шт.

15

VOE 466328

Шланг

1шт.

16

VOE 13943474

Hose clamp

1шт.

17

VOE 479959

Nipple

1шт.

18

VOE 965541

Кронштейн

1шт.

19

VOE 955534

Винт шестигранник

1шт.

19

VOE 955534

Винт шестигранник

1шт.

2

VOE 420641

Прокладка

1шт.

2

VOE 420641

Прокладка

1шт.

20

VOE 13942336

Шайба пружинная

1шт.

20

VOE 13942336

Шайба пружинная

1шт.

21

VOE 952632

Зажим

1шт.

21

VOE 952632

Зажим

1шт.

22

VOE 950046

Болт

1шт.

22

VOE 950046

Cross recessed screw

1шт.

23

VOE 965553

Кронштейн

1шт.

24

VOE 13946834

Зажим

1шт.

24

VOE 13946834

Зажим

1шт.

25

VOE 942402

Flange screw

1шт.

25

VOE 942402

Flange screw

1шт.

26

VOE 13941906

Шайба

1шт.

26

VOE 13941906

Шайба

1шт.

27

VOE 955825

Hexagon nut

1шт.

27

VOE 955825

Гайка

1шт.

28

VOE 11059896

Anchorage

1шт.

29

VOE 11059900

Protecting plate

1шт.

3

VOE 470993

Прокладка

1шт.

3

VOE 470993

Прокладка

1шт.

30

VOE 13946544

Болт

1шт.

30

VOE 13946544

Screw

1шт.

31

VOE 13949278

Flange lock nut

1шт.

31

VOE 13949278

Flange lock nut

1шт.

4

VOE 8194365

Прокладка

1шт.

4

VOE 8194365

Прокладка

1шт.

5

VOE 8194545

Шпилька

1шт.

6

VOE 8194568

Гайка

1шт.

7

VOE 13940097

Шайба

1шт.

7

VOE 13940097

Шайба

1шт.

8

VOE 13945444

Болт

1шт.

8

VOE 13945444

Screw

1шт.

9

VOE 11031233

Трубка

ENG - 298588

1шт.

Выбрано товаров: 49