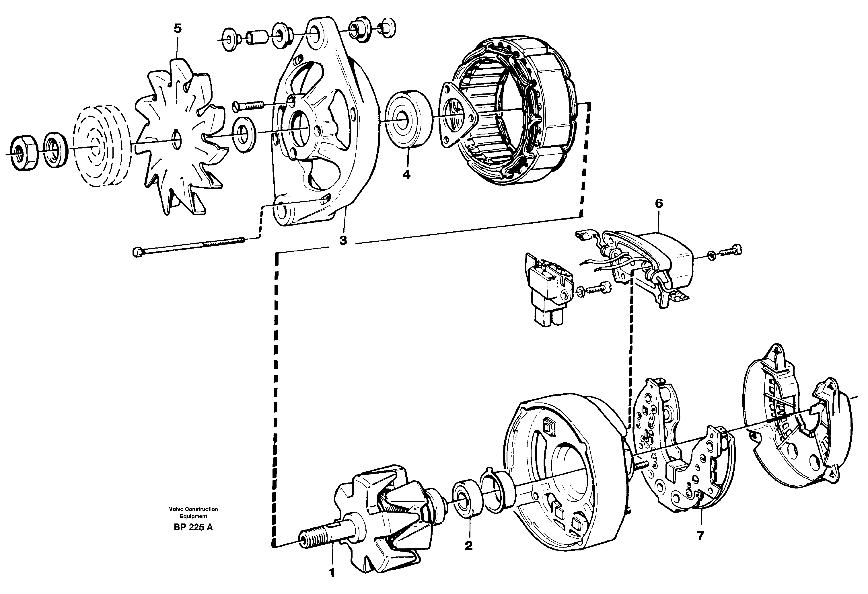
Запчасти Volvo A30C 31046 Alternator A30C

Схема запчастей Volvo A30C - 31046 Alternator A30C
FIT
1:1
100%

Артикул

Название

Примечание

Количество

VOE 11063163

Alternator

1шт.

1

VOE 864347

Rotor

1шт.

1

VOE 864347

Rotor

1шт.

2

VOE 181798

Ball Bearing

1шт.

2

VOE 181798

Ball Bearing

1шт.

4

VOE 864350

Ball Bearing

1шт.

4

VOE 864350

Ball Bearing

1шт.

5

VOE 6212848

Вентилятор

1шт.

5

VOE 6212848

Вентилятор

1шт.

6

VOE 11702862

Regulator

1шт.

7

VOE 873817

Diode Bridge

1шт.

7

VOE 873817

Diode Bridge

1шт.

Выбрано товаров: 12