Запчасти Volvo A30C 55428 Exhaust pressure regulator A30C VOLVO BM VOLVO BM A30C SER NO - 2320/- 2275, USA

Схема запчастей Volvo A30C - 55428 Exhaust pressure regulator A30C VOLVO BM VOLVO BM A30C SER NO - 2320/- 2275, USA
FIT
1:1
100%

Артикул

Название

Примечание

Количество

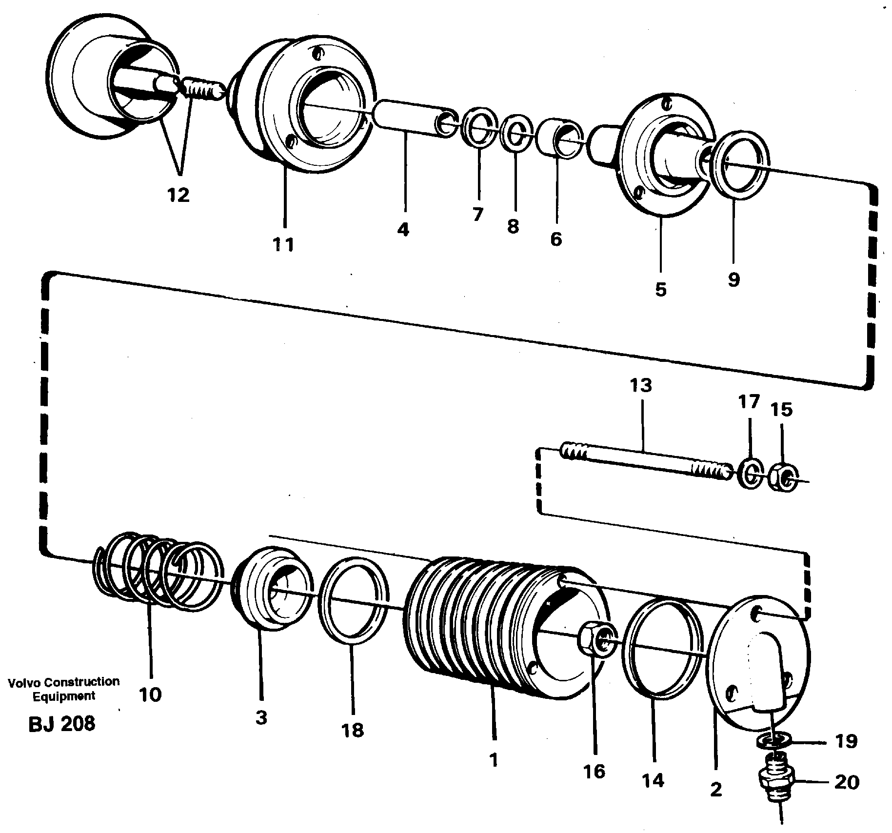
VOE 478916

Exhaust pressure governor

1шт.

1

VOE 478915

цилиндр

1шт.

10

VOE 467282

Return spring

1шт.

11

VOE 467880

Shutter housing cover

1шт.

12

VOE 1545016

Shutter

1шт.

13

VOE 945474

Шпилька

1шт.

14

VOE 13945512

Кольцо уплотнительное (О-кольцо)

1шт.

14

VOE 13945512

Кольцо уплотнительное (О-кольцо)

1шт.

15

VOE 955825

Hexagon nut

1шт.

15

VOE 955825

Гайка

1шт.

16

VOE 945467

Lock nut

1шт.

16

VOE 945467

Lock nut

1шт.

17

VOE 955893

Шайба

1шт.

17

VOE 955893

Шайба

1шт.

18

VOE 478712

Кольцо уплотнительное

1шт.

18

VOE 478712

Кольцо уплотнительное

1шт.

19

VOE 957173

Gasket

1шт.

19

VOE 957173

Прокладка

1шт.

2

VOE 467275

Головка блока цилиндров

1шт.

20

VOE 13945900

Nipple

1шт.

20

VOE 13945900

Nipple

1шт.

3

VOE 470422

Поршень

1шт.

4

VOE 467277

Шток поршня

1шт.

5

VOE 467278

Bearing housing

1шт.

6

VOE 467280

Втулка

1шт.

7

VOE 467545

Stop ring

1шт.

8

VOE 467304

467304

1шт.

9

VOE 467281

Шайба

1шт.

Выбрано товаров: 28