Запчасти Volvo A30C 21260 Footbrake valve A30C

Схема запчастей Volvo A30C - 21260 Footbrake valve A30C
FIT
1:1
100%

Артикул

Название

Примечание

Количество

VOE 272571

Ремкомплект

1шт.

VOE 1134519

Footbrake Valve

1шт.

VOE 1134519

Footbrake Valve

1шт.

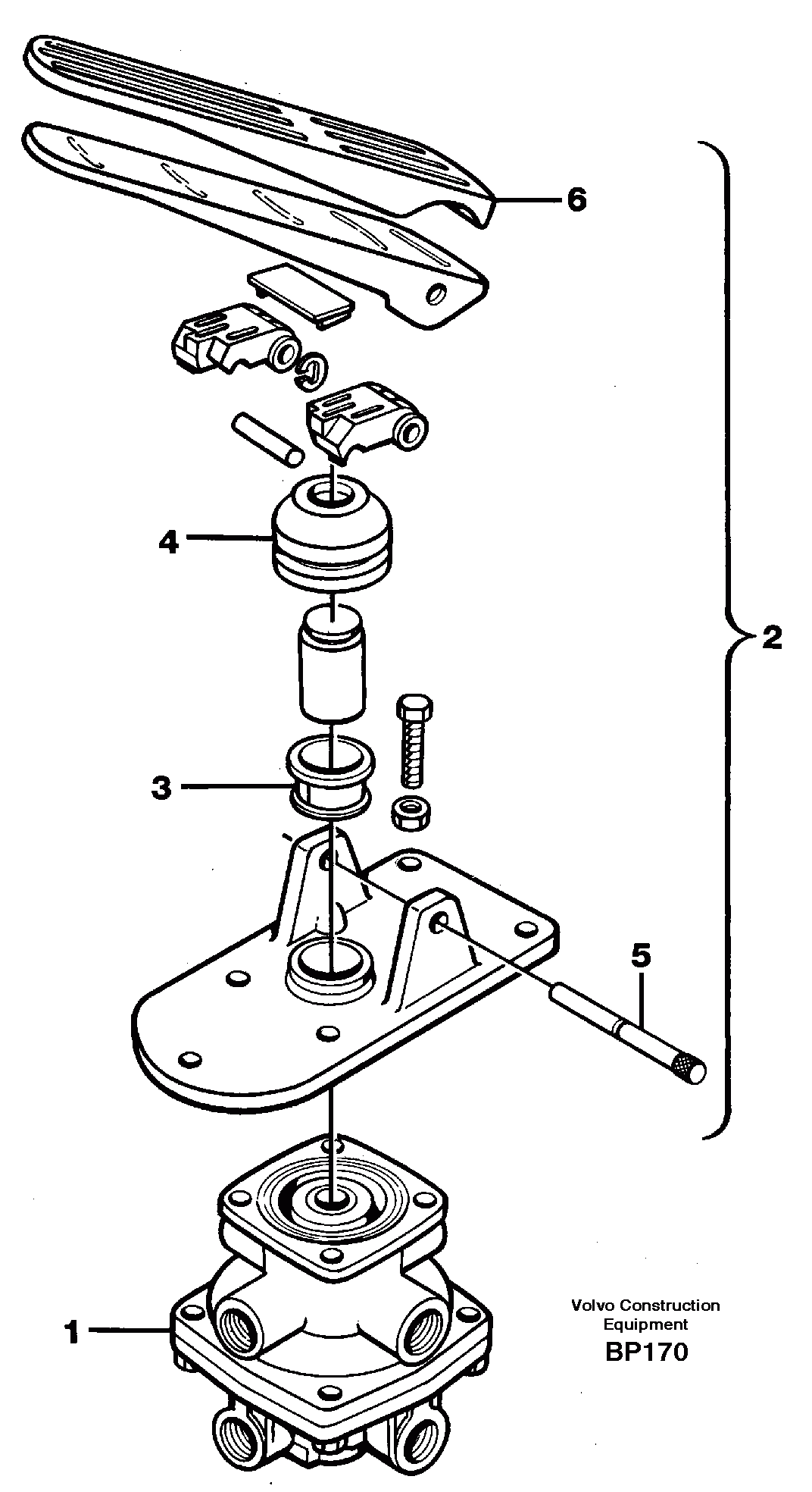
1

VOE 6642318

Brake valve

1шт.

2

VOE 6210758

Upper Section

1шт.

3

VOE 1502685

Втулка

1шт.

3

VOE 1502685

Втулка

1шт.

4

VOE 6642316

Bellows

1шт.

4

VOE 6642316

Bellows

1шт.

5

VOE 1696153

Вал

1шт.

5

VOE 1696153

Вал

1шт.

6

VOE 4860801

Pedal

1шт.

Выбрано товаров: 12