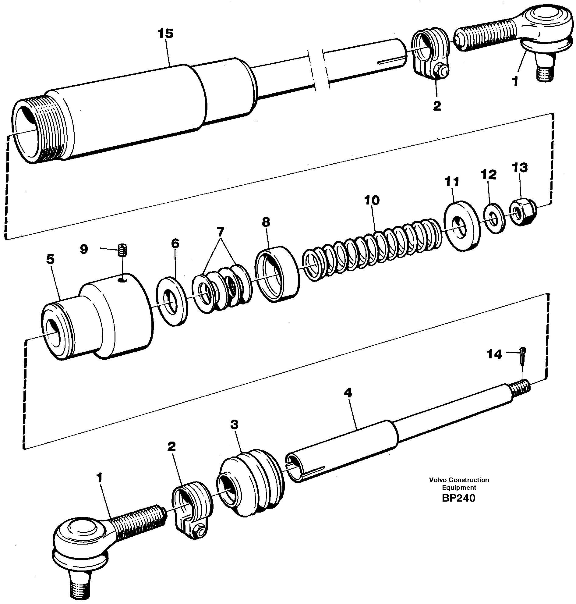
Запчасти Volvo A30C 51338 Drag rod A30C

Схема запчастей Volvo A30C - 51338 Drag rod A30C
FIT
1:1
100%

Артикул

Название

Примечание

Количество

VOE 15029857

Steering rod

1шт.

VOE 15029857

Steering rod

1шт.

1

VOE 4881480

Ball joint

1шт.

1

VOE 4881480

Ball joint

1шт.

10

VOE 4737820

Compression Spring

1шт.

10

VOE 4737820

Compression Spring

1шт.

11

VOE 4941278

Шайба

1шт.

11

VOE 4941278

Шайба

1шт.

12

VOE 4941279

Шайба

1шт.

12

VOE 4941279

Шайба

1шт.

13

VOE 971099

Flange Lock Nut

1шт.

13

VOE 971099

Flange Lock Nut

1шт.

14

VOE 907838

Cotter Pin

1шт.

2

VOE 4881475

Зажим

1шт.

2

VOE 4881475

Зажим

1шт.

3

VOE 4941280

Protecting Bellows

1шт.

3

VOE 4941280

Protecting Bellows

1шт.

6

VOE 4941310

Шайба

1шт.

6

VOE 4941310

Шайба

1шт.

7

VOE 961387

Disc Spring

1шт.

7

VOE 961387

Disc Spring

1шт.

8

VOE 4941309

Socket

1шт.

8

VOE 4941309

Втулка (распорная)

1шт.

9

VOE 13963004

Болт

1шт.

9

VOE 13963004

Болт

1шт.

Выбрано товаров: 25